Для студентов МГТУ им. Н.Э.Баумана по предмету Электротехника (ЭлТех)Расчет цепи постоянного токаРасчет цепи постоянного тока
5,00519
2020-10-052020-11-11СтудИзба
ДЗ 1: Расчет цепи постоянного тока вариант 42
Описание
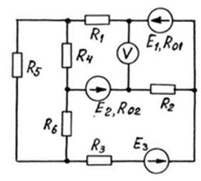
Программа в mathcad и РПЗ. Программа в mathcad с данными 42 варианта, для 69 просто поменять исходные данные.
![]()



Характеристики домашнего задания
Предмет
Учебное заведение
Семестр
Номер задания
Вариант
Просмотров
177
Размер
1,06 Mb
Список файлов

Привет! Если тебе понравилась работа, пожалуйста оцени её соответствующе, а так же оставь комментарий, по качеству работы.