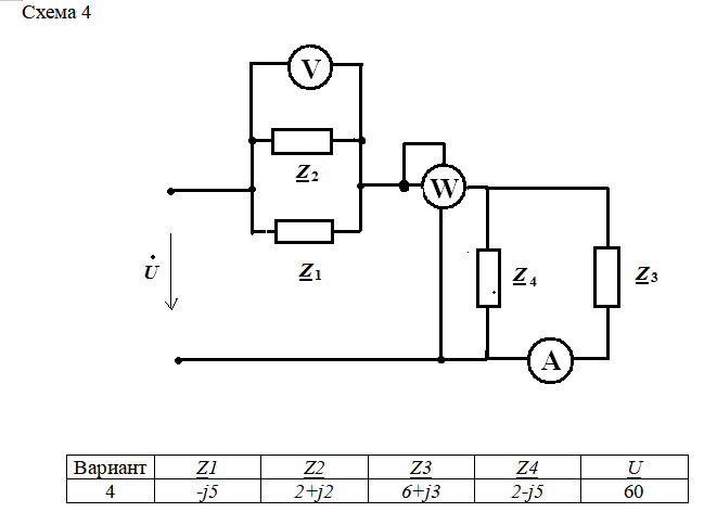
Для студентов МГТУ им. Н.Э.Баумана по предмету Электротехника (ЭлТех)ДЗ№2 вариант №4ДЗ№2 вариант №4
5,0051
2020-05-172020-05-17СтудИзба
ДЗ 2: ДЗ№2 вариант №4 вариант 4
Описание

Характеристики домашнего задания
Предмет
Учебное заведение
Семестр
Номер задания
Вариант
Просмотров
221
Размер
648,42 Kb
Список файлов
ДЗ№2 Заикин Иван.docx
Комментарии
Нет комментариев
Стань первым, кто что-нибудь напишет!
МГТУ им. Н.Э.Баумана
vk_132010967


















