Курсовая работа: Анализ установившихся и переходных процессов в линейных электрических цепях вариант 13
Описание
Курсовая работа по электротехнике по теме "Анализ установившихся и переходных процессов в линейных электрических цепях". Вариант 13
Полностью выполненная и оформленная работа(+дополнительное задание), зачтена на 5.
Внутри файла вас ждёт полноценное, подробное решение с сопутствующими схемами, графиками и схемами из NI Multisim. Все рисунки подписаны.
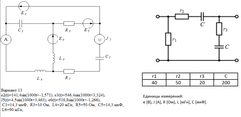
Исходные данные:
Формулировка задания в файлике ниже.
Формулировка дополнительного задания: Рассчитать операторным методом Uвых(t) и iвх(t) по схеме четырёхполюсника (рисунок 35) и сравнить графики моделирования Uвых(t) и iвх(t) с расчётными.
Полностью выполненная и оформленная работа(+дополнительное задание), зачтена на 5.
Внутри файла вас ждёт полноценное, подробное решение с сопутствующими схемами, графиками и схемами из NI Multisim. Все рисунки подписаны.
Исходные данные:
Формулировка задания в файлике ниже. Формулировка дополнительного задания: Рассчитать операторным методом Uвых(t) и iвх(t) по схеме четырёхполюсника (рисунок 35) и сравнить графики моделирования Uвых(t) и iвх(t) с расчётными.
Файлы условия, демо
Характеристики курсовой работы
Предмет
Учебное заведение
Вариант
Просмотров
18
Качество
Идеальное компьютерное
Размер
2,18 Mb
Преподаватели
Список файлов
Курсовая работа.pdf
Комментарии
Нет комментариев
Стань первым, кто что-нибудь напишет!
МГТУ им. Н.Э.Баумана



















