Для студентов ОмГУПС по предмету Электротехника (ЭлТех)Расчет линейных электрических цепейРасчет линейных электрических цепей
5,0053092
2025-01-052025-01-05СтудИзба
Курсовая работа: Расчет линейных электрических цепей
Описание
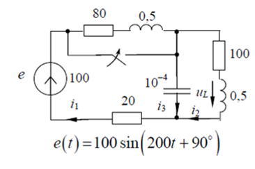
. Рассчитать цепь при воздействии на нее несинусоидального приложенного напряжения, описываемого выражением
Определить:
2. Рассчитать симметричную трехфазную цепь. Найти токи в линии и в фазах нагрузки, показания ваттметров, составить баланс мощностей, построить векторную диаграмму токов и напряжений.
. Рассчитать несимметричную трехфазную цепь. В трехфазной несимметричной цепи найти токи в ветвях при ЭДС фазы А В. Построить векторную диаграмму токов и напряжений. Составить баланс мощностей.
4. Рассчитать симметричную трехфазную цепь при питании ее несинусоидальным напряжением. Определить показания приборов, измеряющих действующие значения электрических величин в симметричной трехфазной электрической цепи в зависимости от действия несинусоидальной ЭДС:
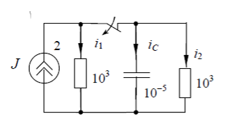
. В цепи с двумя накопителями энергии в переходном режиме классическим методом определить закон изменения напряжения на конденсаторе указанного на схеме, если в цепи действует источник постоянного напряжения (тока). Построить графики изменения рассчитанной функции.
6. В той же цепи при питании ее от источника синусоидального напряжения (тока) определить независимые начальные условия переходного процесса.
7. В цепи с одним накопителями энергии при наличии источника постоянной ЭДС (тока) определить любой ток или напряжение операторным методом.
![]()

- действующее значение напряжения U;
- форму кривой напряжения u, для чего на чертеже построить гармоники напряжения и суммарную кривую напряжения u, полученную в результате графического сложения отдельных гармоник;
- входное сопротивление и мгновенное значение тока для всех гармоник напряжения;
- мгновенное значение тока на неразветвленном участке i и действующее значение тока I;
- активную P, реактивную Q и полную S мощность цепи;
- форму кривой тока i, для чего на чертеже построить гармоники тока и суммарную кривую тока i, полученную в результате графического сложения отдельных гармоник.


. Рассчитать несимметричную трехфазную цепь. В трехфазной несимметричной цепи найти токи в ветвях при ЭДС фазы А В. Построить векторную диаграмму токов и напряжений. Составить баланс мощностей.




6. В той же цепи при питании ее от источника синусоидального напряжения (тока) определить независимые начальные условия переходного процесса.
7. В цепи с одним накопителями энергии при наличии источника постоянной ЭДС (тока) определить любой ток или напряжение операторным методом.

Характеристики курсовой работы
Предмет
Учебное заведение
Просмотров
2
Качество
Идеальное компьютерное
Размер
853,69 Kb
Список файлов
Kursach.docx

Все деньги, вырученные с продажи, идут исключительно на шаурму