Для студентов МГТУ им. Н.Э.Баумана по предмету Электротехника (ЭлТех)Анализ установившихся и переходных режимов в линейных электрических цепяхАнализ установившихся и переходных режимов в линейных электрических цепях
5,00513
2023-10-232023-10-23СтудИзба
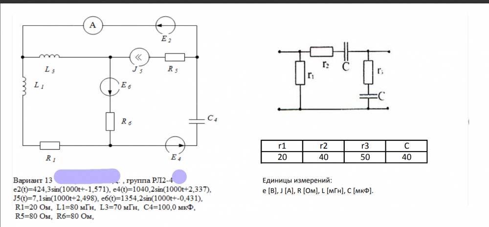
Курсовая работа: Анализ установившихся и переходных режимов в линейных электрических цепях вариант 13
Описание
Файлы условия, демо
Характеристики курсовой работы
Предмет
Учебное заведение
Семестр
Вариант
Теги
Просмотров
62
Размер
6,3 Mb
Список файлов
курсач
Курсовая работа по электротехнике Полуэктова Софья РЛ2-44.pdf
кр.docx
Комментарии
Нет комментариев
Стань первым, кто что-нибудь напишет!
МГТУ им. Н.Э.Баумана


















