Курсовая работа: Вариант 8(а) – Курсовая работа – Анализ установившихся и переходных режимов в линейных электрических цепях
Описание
1. Расчет источника гармонических колебаний (ИГК).
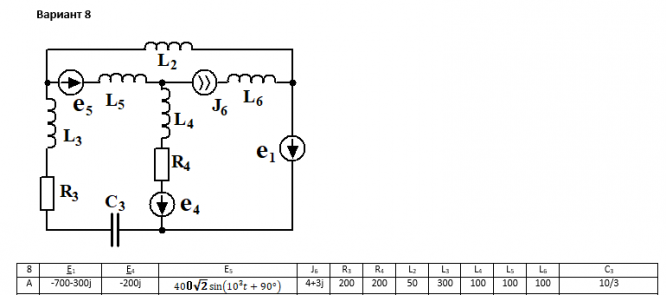
- В соответствии с вариантом задания рассчитать комплексным методом расчета токи во всех ветвях схемы 1 (в дальнейшем будем называть схему 1 источником гармонических колебаний (ИГК)). Расчет производится любым известным методом расчета – законами Кирхгофа, методом контурных токов, методом узловых потенциалов. Определить комплексное напряжение на источнике (источниках) тока. Составить проверочное уравнение баланса мощности, по результатам которого сделать вывод о правильности расчета токов в ветвях.
- Выбрать в качестве первичной обмотки воздушного трансформатора одну из катушек индуктивностей ИГК (Ln) (Приложение 1, Рис. 1). Провести моделирование схемы 1 в Мультисим. В схеме моделирования последовательно с выбранной индуктивностью включить виртуальный амперметр переменного тока, а параллельно с индуктивностью – виртуальный вольтметр переменного тока. Определить теоретически действующее значение тока и напряжения на индуктивности, используя ранее полученное комплексное значение тока индуктивности (смотри п. 1.1). Убедиться, что рассчитанные ток и напряжение в выбранной катушке индуктивности совпадают с показаниями виртуального вольтметра и амперметра.
- Записать мгновенные значения тока и напряжения первичной обмотки трансформатора Т1 и построить их волновые диаграммы.
- Определить значения Mnq, Mnp, Lq, Lp Т1 из условия, что индуктивность первичной обмотки Ln известна, U1 = 5 B, U2 = 10 B. Коэффициент магнитной связи обмоток k следует выбрать самостоятельно в диапазоне: 0,5 < k < 0,95 (n, p, q, - номера индуктивностей Т1). Записать выражения комплексных напряжений на вторичных обмотках трансформатора. Учесть, что первая вторичная обмотка включена с первичной обмоткой согласно, а вторая – встречно.
- Провести моделирование в Мультисим модифицированной схемы 1. Для этого в модели п. 1.2 вместо катушки индуктивности включить трансформатор с рассчитанными в п.1.4 параметрами. Во вторичные обмотки трансформатора включить виртуальные вольтметры переменного напряжения. Убедиться, что по модели на вторичных обмотках U1 = 5 B, U2 = 10 B.

2. Расчет четырехполюсника.
2.1. Рассчитать токи и напряжения методом входного сопротивления (или входной проводимости), построить векторные диаграммы токов и напряжений.
2.2. Записать мгновенные значения u1=u3=uвх, iвх и uвых , определить сдвиг по фазе между входным и выходным напряжениями, а также отношение их действующих значений.
2.3. Определить передаточные функции:
W(s)= Uвых(s)/ Uвх(s), W(jw) = Uвых/Uвх
2.4. По передаточной функции вывести аналитические выражения и построить амплитудно-частотную (АЧХ) и фазо-частотную (ФЧХ) характеристики. Графики АЧХ и ФЧХ построить в функции линейной f , а не угловой w частоты. Используя частотные характеристики, определить uвых при заданном uвх. Сравнить этот результат с полученным в п. 2.2.
2.5. Провести моделирование в Мультисим схемы четырехполюсника, получив графики АЧХ и ФЧХ. Сравнить графики расчета и моделирования.
2.6. Определить, какое реактивное сопротивление нужно подключить к схеме, чтобы uвх и iвх совпадали по фазе (резонанс напряжений). Определить входное сопротивление, входной ток и добротность колебательного контура.

3. Расчет установившихся значений напряжений и токов в электрических цепях при несинусоидальном воздействии.
Переключатель Кл перевести в положение 2 в момент времени, когда входное напряжение u3(t)=0, du3/dt > 0, т.е. в момент начала положительного импульса напряжения u4(t). Это условие будет выполнено при равенстве аргумента входного напряжения (wt + yu3) = 2 kp, где k = 0, 1, 2, 3…
3.1. Рассчитать законы изменения тока iвх(t) и напряжения uвых(t) частотным методом, представив напряжение uвх(t) = u4(t) в виде ряда Фурье до 5-й гармоники:
, (3.1)
где k =1, 3, 5.
3.2. Построить графики uвх(t), iвх(t), uвых(t) в одном масштабе времени один под другим, где uвх(t), iвх(t),и uвых(t) - суммарные мгновенные значения.
3.3. Определить действующие значения несинусоидальных токов и напряжений из расчетов п. 3.1, а также активную мощность, потребляемую четырехполюсником, коэффициенты искажения iвх(t), uвых(t), uвх(t).
3.4. Провести моделирование в Мультисим схемы четырехполюсника, включив на его вход три последовательно соединенных источника напряжения. Параметры источников соответствуют параметрам гармоник формулы (3.1).
Последовательно с источниками перед схемой четырехполюсника включить сопротивление 1 Ом. Подключить виртуальные осциллографы для измерения входного напряжения, выходного напряжения и входного тока. Для отображения входного тока виртуальный осциллограф подключить параллельно сопротивлению 1 Ом.
Получить скриншоты экранов виртуального осциллографа для uвх(t), iвх(t) и uвых(t), и сравнить графики моделирования с расчетными по п.3.1.
4. Расчет переходных процессов классическим методом.
4.1 Определить и построить переходную и импульсную характеристики цепи четырехполюсника для входного тока и выходного напряжения. Провести моделирование в Мультисим, по результатам которого получить скриншоты экранов виртуального осциллографа для переходных функций, и сравнить результаты с расчетными.
4.2 Рассчитать и построить графики изменения тока iвх и напряжения uвых четырёхполюсника при подключении его к клеммам с напряжением u4(t) в момент времени, когда входное напряжение u3(t)=0, du3/dt > 0 (это условие будет выполнено при равенстве аргумента входного напряжения (wt + yu3) = 2 kp, где k = 0, 1, 2, 3), с учетом запаса энергии в элементах цепи от предыдущего режима работы на интервале t [0+, 2.5T ], где T- период изменения напряжения u4.
Сравнить графики iвх(t), uвых(t) с соответствующими в п. 3.2.
4.3. Провести моделирование, подав на четырехполюсник напряжение от генератора двухполярных прямоугольных импульсов. Сравнить результаты моделирования (скриншоты входного тока и выходного напряжения) и расчетные по п.4.2 графики.