Для студентов МГТУ им. Н.Э.Баумана по предмету Электротехника (ЭлТех)Анализ установившихся и переходных процессов в линейных электрических цепяхАнализ установившихся и переходных процессов в линейных электрических цепях
3,25531
2021-05-242024-09-03СтудИзба
Курсовая работа: Анализ установившихся и переходных процессов в линейных электрических цепях вариант 20
-60%
Описание
1.Техническое задание
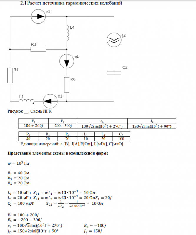
1. Расчет источника гармонических колебаний (ИГК) 1.1. Выбрать в качестве первичной обмотки воздушного трансформатора одну из катушек индуктивностей ИГК. Определить значения тока и напряжения первичной обмотки трансформатора методом эквивалентного источника (напряжения или тока). 1.2. Записать мгновенные значения тока и напряжения в первичной обмотке трансформатора и построить их волновые диаграммы. 1.3. Определить значения Мnq, Мnp Lq, Lpтрансформатора из условия, что индуктивность первичной обмотки Ln известна, U1= 5 В, U2 = 10 В. Коэффициент магнитной связи обмоток k следует выбрать самостоятельно в диапазоне: 0,5
![]()
1. Расчет источника гармонических колебаний (ИГК) 1.1. Выбрать в качестве первичной обмотки воздушного трансформатора одну из катушек индуктивностей ИГК. Определить значения тока и напряжения первичной обмотки трансформатора методом эквивалентного источника (напряжения или тока). 1.2. Записать мгновенные значения тока и напряжения в первичной обмотке трансформатора и построить их волновые диаграммы. 1.3. Определить значения Мnq, Мnp Lq, Lpтрансформатора из условия, что индуктивность первичной обмотки Ln известна, U1= 5 В, U2 = 10 В. Коэффициент магнитной связи обмоток k следует выбрать самостоятельно в диапазоне: 0,5




Характеристики курсовой работы
Предмет
Учебное заведение
Вариант
Просмотров
157
Размер
2,01 Mb
Список файлов
Анализ установившихся и переходных процессов в линейных электрических цепях.pdf

Друзья, спасибо за доверие! Если вам понравилась работа – поставьте 5⭐ и напишите отзыв. Это поможет другим студентам, а мне даст силы делать ещё больше качественных материалов для вас 🔥
Комментарии

Отзыв
Не та работа