Главная » Учебные материалы » Электроснабжение » Курсовые работы » Электроснабжение производства резинотехнических изделий

Курсовая работа: Электроснабжение производства резинотехнических изделий

Новинка

Описание


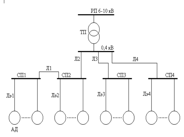
Линия
ЛтпЛ1Л2Л3Л4Лэ1Лэ2Лэ3Лэ4
Длина линии (км)1,40,1400,0450,1800,2050,0350,0400,0300,025
Способ прокладкиВККТТТКТТ
Вид линииКККПКПКПП
Материал проводникаМАМАААММА
ИзоляцияРББРРРРРР
Материал оболочки кабеляСАС-В-С--





Распределительный пункт

Двигатель


Количество двигателей
Рн, кВтТип (серия)

СП1
160АК2-
125АК21
100А02-
75А022

СП2
100АК21
75А02-
55А24

СП3
40А02-
30А22
55А24

СП4
13А023
10А2-
7,5А22
5,5А021
4А021
3А02-


























СОДЕРЖАНИЕ
ВВЕДЕНИЕ 4
1. СВОЙСТВА, ОБЛАСТЬ ПРИМЕНЕНИЯ РЕЗИНОВЫХ ТЕХНИЧЕСКИХ ИЗДЕЛИЙ 7
2.МЕТОДЫ ПОЛУЧЕНИЯ РЕЗИНОВЫХ ТЕХНИЧЕСКИХ ИЗДЕЛИЙ 10
3.РАСЧЁТ ЭЛЕТРИЧЕСКИХ НАГРУЗОК 15
4.ВЫБОР ОБОРУДОВАНИЯ 40
5. РАСЧЁТ ДЛЯ ТОЧЕК К1 И К2 ЗНАЧЕНИЯ ТОКОВ ТРЁХФАЗНОГО К.З (УДАРНОГО И УСТАНОВИВШЕГОСЯ ЗНАЧЕНИЯ). 44
6.ВЫБОР ЭЛЕКТРООБОРУДОВАНИЯ И ПРОВЕРКА ЕГО НА ДЕЙСТВИЕ ТОКОВ КОРОТКОГО ЗАМЫКАНИЯ 48
ЗАКЛЮЧЕНИЕ 52
СПИСОК ЛИТЕРАТУРЫ 53
ПРИЛОЖЕНИЯ

Характеристики курсовой работы

Просмотров
2
Качество
Идеальное компьютерное
Размер
1,29 Mb

Список файлов

Kursovik (2).docx
Spetsifikatsia.doc
Titulny (1).docx
skhema_EChE-431_Lyady.vsd
Картинка-подпись
Если нужен другой вариант работы или отдельная задача из любой работы, пишите в комментарии

Комментарии

Нет комментариев
Стань первым, кто что-нибудь напишет!
Поделитесь ссылкой:
Цена: 600 руб.
Расширенная гарантия +3 недели гарантии, +10% цены
Рейтинг автора
5 из 5
Поделитесь ссылкой:
Сопутствующие материалы

Подобрали для Вас услуги

Вы можете использовать курсовую работу для примера, а также можете ссылаться на неё в своей работе. Авторство принадлежит автору работы, поэтому запрещено копировать текст из этой работы для любой публикации, в том числе в свою курсовую работу в учебном заведении, без правильно оформленной ссылки. Читайте как правильно публиковать ссылки в своей работе.
Свежие статьи
Популярно сейчас
Зачем заказывать выполнение своего задания, если оно уже было выполнено много много раз? Его можно просто купить или даже скачать бесплатно на СтудИзбе. Найдите нужный учебный материал у нас!
Ответы на популярные вопросы
Да! Наши авторы собирают и выкладывают те работы, которые сдаются в Вашем учебном заведении ежегодно и уже проверены преподавателями.
Да! У нас любой человек может выложить любую учебную работу и зарабатывать на её продажах! Но каждый учебный материал публикуется только после тщательной проверки администрацией.
Вернём деньги! А если быть более точными, то автору даётся немного времени на исправление, а если не исправит или выйдет время, то вернём деньги в полном объёме!
Да! На равне с готовыми студенческими работами у нас продаются услуги. Цены на услуги видны сразу, то есть Вам нужно только указать параметры и сразу можно оплачивать.
Отзывы студентов
Ставлю 10/10
Все нравится, очень удобный сайт, помогает в учебе. Кроме этого, можно заработать самому, выставляя готовые учебные материалы на продажу здесь. Рейтинги и отзывы на преподавателей очень помогают сориентироваться в начале нового семестра. Спасибо за такую функцию. Ставлю максимальную оценку.
Лучшая платформа для успешной сдачи сессии
Познакомился со СтудИзбой благодаря своему другу, очень нравится интерфейс, количество доступных файлов, цена, в общем, все прекрасно. Даже сам продаю какие-то свои работы.
Студизба ван лав ❤
Очень офигенный сайт для студентов. Много полезных учебных материалов. Пользуюсь студизбой с октября 2021 года. Серьёзных нареканий нет. Хотелось бы, что бы ввели подписочную модель и сделали материалы дешевле 300 рублей в рамках подписки бесплатными.
Отличный сайт
Лично меня всё устраивает - и покупка, и продажа; и цены, и возможность предпросмотра куска файла, и обилие бесплатных файлов (в подборках по авторам, читай, ВУЗам и факультетам). Есть определённые баги, но всё решаемо, да и администраторы реагируют в течение суток.
Маленький отзыв о большом помощнике!
Студизба спасает в те моменты, когда сроки горят, а работ накопилось достаточно. Довольно удобный сайт с простой навигацией и огромным количеством материалов.
Студ. Изба как крупнейший сборник работ для студентов
Тут дофига бывает всего полезного. Печально, что бывают предметы по которым даже одного бесплатного решения нет, но это скорее вопрос к студентам. В остальном всё здорово.
Спасательный островок
Если уже не успеваешь разобраться или застрял на каком-то задание поможет тебе быстро и недорого решить твою проблему.
Всё и так отлично
Всё очень удобно. Особенно круто, что есть система бонусов и можно выводить остатки денег. Очень много качественных бесплатных файлов.
Отзыв о системе "Студизба"
Отличная платформа для распространения работ, востребованных студентами. Хорошо налаженная и качественная работа сайта, огромная база заданий и аудитория.
Отличный помощник
Отличный сайт с кучей полезных файлов, позволяющий найти много методичек / учебников / отзывов о вузах и преподователях.
Отлично помогает студентам в любой момент для решения трудных и незамедлительных задач
Хотелось бы больше конкретной информации о преподавателях. А так в принципе хороший сайт, всегда им пользуюсь и ни разу не было желания прекратить. Хороший сайт для помощи студентам, удобный и приятный интерфейс. Из недостатков можно выделить только отсутствия небольшого количества файлов.
Спасибо за шикарный сайт
Великолепный сайт на котором студент за не большие деньги может найти помощь с дз, проектами курсовыми, лабораторными, а также узнать отзывы на преподавателей и бесплатно скачать пособия.
Популярные преподаватели
Добавляйте материалы
и зарабатывайте!
Продажи идут автоматически
7193
Авторов
на СтудИзбе
250
Средний доход
с одного платного файла
Обучение Подробнее