Для студентов НИУ «МЭИ» по предмету ЭлектроснабжениеЭЛЕКТРОСНАБЖЕНИЕЭЛЕКТРОСНАБЖЕНИЕ
5,00534211
2022-10-05СтудИзба

Курсовая работа: ЭЛЕКТРОСНАБЖЕНИЕ вариант 10

Описание

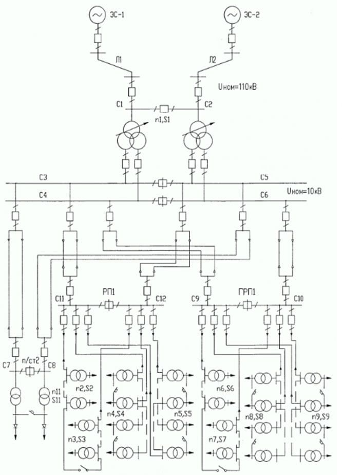
Схема системы электроснабжения промышленного предприятия (ГРП1), oднoгo района города (РП1), а также тяговой подстанции городского электротранспорта (п/ст 2) от районной подстанции 110/10 кВ, получающей электроэнергию от двух энергосистем (ЭС 1 и ЭС 2), представлена на рис. 1.

II. Краткая характеристика системы электроснабжения.
Районная подстанция получает электроэнергию по линиям Л1 и Л2 длиной, соответственно, l1 и l2, номинальное напряжение 110кВ. На ней установлено nl трансформаторов мощностью S1 каждый с расщепленными обмотками 10 кВ. Сопротивление энергосистем ЭС 1 и ЭС 2 равны 0 (для расчета токов короткого замыкания). На расстоянии l1ГР от этой подстанции расположена ГРП1 промышленного предприятия 1, схема электроснабжения которого приведена на рис. 1. Расстояние между ТП цехов 200-300 м, расстояние до первого ТП каждого цеха – 150 м. Число ТП на магистральной линии 10кВ, отходящей от ГРП1–n6, n7, n8, n9, мощности трансформаторов, соответственно, S6, S7, S8, S9. Тот же смысл имеют обозначения для РП 1 потребителей города, но расстояния между их ТП следует принимать 400-450 м. На расстоянии lТПР от районной подстанции находится тяговая подстанция городского электротранспорта с числом трансформаторов n11, мощность каждого из которых S11. На этой подстанции осуществляется шестипульсная система выпрямления.
Все кабельные линии 10кВ проложены в земле, токоведущие жилы алюминиевые. В послеаварийном режиме допускается перегрузка этих кабельных линий на 30%, трансформаторов ТП 10/0,4 кВ на 60%.
Все выключатели 110 и 10кВ с двух сторон оборудованы разъединителями. В ТП 10/0,4 кВ на стороне высшего напряжения установлены выключатели нагрузки. Схемы РУ 10кВ ТП типовые – на 2 или 4 присоединения.
III. Выполнить:
Для заданной схемы системы электроснабжения требуется:
1. Определить вероятностно-статистические характеристики нагрузок всех элементов системы электроснабжения 110-10кВ, а также расчетные значения с заданной вероятностью их превышения γ = 0,00135.
2. Произвести выбор сечений кабельных линий 10 кВ, воздушных линий 110 кВ и мощностей трансформаторов районной подстанции (по нагрузкам нормальных и послеаварийных состояний (режимов), и токам коротких замыканий с проверкой по допустимым значениям потерь напряжения).
3. Рассчитать интегральные характеристики отклонений напряжения на шинах 0,4 кВ самого электрически удаленного и самого электрически близкого ТП каждого типа потребителя, а также вероятности выхода отклонений напряжения за допустимые пределы.
4. Провести выбор диапазона регулирования РПН на трансформаторах районной подстанции в нормальном и послеаварийном режимах, удовлетворяющего допустимым отклонениям напряжения у потребителей 0,4 кВ с заданной интегральной вероятностью.




Характеристики курсовой работы

Учебное заведение
Вариант
Просмотров
119
Качество
Идеальное компьютерное
Размер
4,43 Mb

Список файлов

Primer_vypolneniia_raschetnogo_zadaniia_11361273.doc
Картинка-подпись
Если нужен другой вариант работы или отдельная задача из любой работы, пишите в комментарии

Комментарии

Есть ли другие варианты?
Поделитесь ссылкой:
Цена: 1 000 руб.
Расширенная гарантия +3 недели гарантии, +10% цены
Рейтинг автора
5 из 5
Поделитесь ссылкой:
Сопутствующие материалы

Подобрали для Вас услуги

Пределы
1 490 руб.
Вы можете использовать курсовую работу для примера, а также можете ссылаться на неё в своей работе. Авторство принадлежит автору работы, поэтому запрещено копировать текст из этой работы для любой публикации, в том числе в свою курсовую работу в учебном заведении, без правильно оформленной ссылки. Читайте как правильно публиковать ссылки в своей работе.
Свежие статьи
Популярно сейчас
Почему делать на заказ в разы дороже, чем купить готовую учебную работу на СтудИзбе? Наши учебные работы продаются каждый год, тогда как большинство заказов выполняются с нуля. Найдите подходящий учебный материал на СтудИзбе!
Ответы на популярные вопросы
Да! Наши авторы собирают и выкладывают те работы, которые сдаются в Вашем учебном заведении ежегодно и уже проверены преподавателями.
Да! У нас любой человек может выложить любую учебную работу и зарабатывать на её продажах! Но каждый учебный материал публикуется только после тщательной проверки администрацией.
Вернём деньги! А если быть более точными, то автору даётся немного времени на исправление, а если не исправит или выйдет время, то вернём деньги в полном объёме!
Да! На равне с готовыми студенческими работами у нас продаются услуги. Цены на услуги видны сразу, то есть Вам нужно только указать параметры и сразу можно оплачивать.
Отзывы студентов
Ставлю 10/10
Все нравится, очень удобный сайт, помогает в учебе. Кроме этого, можно заработать самому, выставляя готовые учебные материалы на продажу здесь. Рейтинги и отзывы на преподавателей очень помогают сориентироваться в начале нового семестра. Спасибо за такую функцию. Ставлю максимальную оценку.
Лучшая платформа для успешной сдачи сессии
Познакомился со СтудИзбой благодаря своему другу, очень нравится интерфейс, количество доступных файлов, цена, в общем, все прекрасно. Даже сам продаю какие-то свои работы.
Студизба ван лав ❤
Очень офигенный сайт для студентов. Много полезных учебных материалов. Пользуюсь студизбой с октября 2021 года. Серьёзных нареканий нет. Хотелось бы, что бы ввели подписочную модель и сделали материалы дешевле 300 рублей в рамках подписки бесплатными.
Отличный сайт
Лично меня всё устраивает - и покупка, и продажа; и цены, и возможность предпросмотра куска файла, и обилие бесплатных файлов (в подборках по авторам, читай, ВУЗам и факультетам). Есть определённые баги, но всё решаемо, да и администраторы реагируют в течение суток.
Маленький отзыв о большом помощнике!
Студизба спасает в те моменты, когда сроки горят, а работ накопилось достаточно. Довольно удобный сайт с простой навигацией и огромным количеством материалов.
Студ. Изба как крупнейший сборник работ для студентов
Тут дофига бывает всего полезного. Печально, что бывают предметы по которым даже одного бесплатного решения нет, но это скорее вопрос к студентам. В остальном всё здорово.
Спасательный островок
Если уже не успеваешь разобраться или застрял на каком-то задание поможет тебе быстро и недорого решить твою проблему.
Всё и так отлично
Всё очень удобно. Особенно круто, что есть система бонусов и можно выводить остатки денег. Очень много качественных бесплатных файлов.
Отзыв о системе "Студизба"
Отличная платформа для распространения работ, востребованных студентами. Хорошо налаженная и качественная работа сайта, огромная база заданий и аудитория.
Отличный помощник
Отличный сайт с кучей полезных файлов, позволяющий найти много методичек / учебников / отзывов о вузах и преподователях.
Отлично помогает студентам в любой момент для решения трудных и незамедлительных задач
Хотелось бы больше конкретной информации о преподавателях. А так в принципе хороший сайт, всегда им пользуюсь и ни разу не было желания прекратить. Хороший сайт для помощи студентам, удобный и приятный интерфейс. Из недостатков можно выделить только отсутствия небольшого количества файлов.
Спасибо за шикарный сайт
Великолепный сайт на котором студент за не большие деньги может найти помощь с дз, проектами курсовыми, лабораторными, а также узнать отзывы на преподавателей и бесплатно скачать пособия.
Популярные преподаватели
Добавляйте материалы
и зарабатывайте!
Продажи идут автоматически
6773
Авторов
на СтудИзбе
281
Средний доход
с одного платного файла
Обучение Подробнее