Для студентов ИДДО НИУ «МЭИ» по предмету ЭлектроснабжениеЭлектроснабжение - КМ-4. Особенности построения и функционирования систем электроснабжения. ТестированиеЭлектроснабжение - КМ-4. Особенности построения и функционирования систем электроснабжения. Тестирование
5,0054
2025-12-142025-12-14СтудИзба
Ответы к заданиям КМ-4: Электроснабжение - КМ-4. Особенности построения и функционирования систем электроснабжения. Тестирование
Новинка
Описание
Электроснабжение - КМ-4. Особенности построения и функционирования систем электроснабжения. Тестирование
🔴 Другие тесты | Отдельные ответы по предмету | Помощь со сдачей ⬅️
⬇️ Помощь с другими работами (нажимайте на нужную ссылку) ⬇
➡️Любой предмет/КМ | Любой тест | Любая практика | ВКР (Диплом)⬅️
🗝️ ▶ Сессия под ключ/закрытие долгов ◀ 🗝️
🔴 Другие тесты | Отдельные ответы по предмету | Помощь со сдачей ⬅️
➡️Любой предмет/КМ | Любой тест | Любая практика | ВКР (Диплом)⬅️
🗝️ ▶ Сессия под ключ/закрытие долгов ◀ 🗝️
Список вопросов
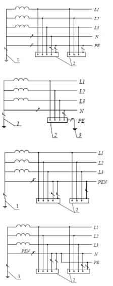
Соотнесите изображенные системы заземления с их условным обозначением
![]()

Соотнесите конфигурацию типовой схемы распределительного устройства высшего напряжения ГПП и ее название
В каких единицах можно выражать параметры элементов схемы замещения для расчета токов
K3?
K3?
В каком случае надо учитывать подпитку места КЗ от электродвигателей?
Обязательно ли учитывать активное сопротивление элементов при расчете токов короткого
замыкания в сети ниже 1 кВ?
замыкания в сети ниже 1 кВ?
Соотнесите вид схемы с ее содержанием.
- схема, в которой трансформаторные связи заменяют электрическими, элементы системы электроснабжения, связывающие источники электроэнергии с местом КЗ, вводят в схему как сопротивления, а источники энергии - как сопротивления и ЭДС
- схема в однолинейном исполнении, в которую введены генераторы, компенсаторы, синхронные и асинхронные электродвигатели, оказывающие влияние на ток КЗ, а также элементы системы электроснабжения (линии, трансформаторы, реакторы), связывающие источники электроэнергии с местом КЗ
Внезапное значительное снижение напряжения (более 10% от номинального) в точке сети, за
которым следует восстановление напряжения до первоначального или близкого к нему уровня
через промежуток времени от нескольких периодов до нескольких десятков секунд,
называется
которым следует восстановление напряжения до первоначального или близкого к нему уровня
через промежуток времени от нескольких периодов до нескольких десятков секунд,
называется
Допустимые и предельные значения коэффициентов несимметрии в соответствии с ГОСТ
Соотнесите условное обозначение системы заземления с ее особенностями.
- открытые проводящие части электроустановки заземлены, нейтраль источника питания изолирована от земли или заземлена через большое сопротивление
- нейтраль заземлена, открытые проводящие части элементов сети непосредственно соединены с глухозаземленной нейтралью, нулевой защитный и нулевой рабочий проводники разделены
- нейтраль заземлена, открытые проводящие части элементов сети непосредственно соединены с глухозаземленной нейтралью, нулевой защитный и нулевой рабочий проводники совмещены в одном проводнике в части системы
- открытые проводящие части электроустановки заземлены при помощи заземления, электрически независимого от заземлителя нейтрали, нейтраль источника заземлена
- нейтраль заземлена, открытые проводящие части элементов сети непосредственно соединены с глухозаземленной нейтралью, нулевой защитный и нулевой рабочий проводники совмещены в одном проводнике
При расчете коэффициента искажения синусоидальной формы кривой напряжения
учитываются гармоники
учитываются гармоники
Поддержание частоты и напряжения возлагается на:
Для удовлетворения требованиям ГОСТ измеренные значения кратковременной и длительной
дозы фликера должны быть соответственно
дозы фликера должны быть соответственно
Несинусоидальность напряжения характеризуется
Быстро изменяющиеся отклонения напряжения длительностью от полупериода до нескольких
секунд, вызванные изменяющейся нагрузкой сети, называются
секунд, вызванные изменяющейся нагрузкой сети, называются
Какое предельное значение отклонения напряжения у потребителя соответствует ГОСТ?
Под искажением синусоидальной формы кривой напряжения понимают
Кратковременная и длительная доза фликера измеряется на интервалах соответственно
В чем заключаются технические и организационные мероприятия для обеспечения требований
ГОСТ 32144-2013?
ГОСТ 32144-2013?
Повышение напряжения в точке электрической сети выше 1,1 Uном продолжительностью более
10 мс, возникающее в системах электроснабжения при коммутациях или коротких замыканиях,
называется
10 мс, возникающее в системах электроснабжения при коммутациях или коротких замыканиях,
называется
Нормально допустимая и предельно допустимая величина для установившегося значения
отклонения частоты составляет:
![]()
отклонения частоты составляет:

Резкое изменение напряжения в точке электрической сети, за которым следует
восстановление напряжения до первоначального или близкому к нему уровню за промежуток
времени до нескольких миллисекунд, называется
восстановление напряжения до первоначального или близкому к нему уровню за промежуток
времени до нескольких миллисекунд, называется
Колебания напряжения характеризуются
Что понимают под свойством осуществлять производство, преобразование, передачу и
распределение электроэнергии в целях бесперебойного электроснабжения потребителей в
заданном количестве при допустимых значениях показателей качества?
распределение электроэнергии в целях бесперебойного электроснабжения потребителей в
заданном количестве при допустимых значениях показателей качества?
Какое предельное отклонение напряжения у потребителя соответствует ГОСТ
Соотнесите понятие с его определением:
- свойство сохранять показатели безотказности, долговечности и ремонтопригодности в течение и после хранения и/или транспортирования
- свойство непрерывно сохранять работоспособное состояние в течение некоторого времени или некоторой наработки
- приспособленность к предупреждению и обнаружению причин возникновения отказов и повреждений, а также к поддержанию и восстановлению работоспособного состояния путем проведения ремонтопригодность технического обслуживания и ремо
- свойство сохранять работоспособное состояние до наступления предельного состояния при установленной системе технического обслуживания и ремонта
- нарушение работоспособного состояния объекта
Соотнесите вид нормы расхода электроэнергии с его определением.
- норма расхода электроэнергии, которая устанавливается по группе предприятий отрасли на производство единицы одноименной продукции в стандартных условиях производства
- норма расхода электроэнергии, которая устанавливается на основные и вспомогательные процессы производства данного вида продукции, на поддержание технологических агрегатов в горячем резерве, на их разогрев и пуск после текущих ремонтов и холодных простоев, а также неизбежные потери электроэнергии при работе оборудования технически
- норма расхода электроэнергии, которая устанавливается на технологические процессы, но и на вспомогательные нужды производства (отопление, вентиляция, освещение, бытовки, столовые и др.), а также потери в электрических сетях (соответственно по цеху или по предприятию в целом)
- норма расхода электроэнергии на производство единицы продукции, которая устанавливается по технологическим схемам применительно к определенным технологическим условиям
Что относится к средствам учета электроэнергии?
Усредненная расчетная величина, директивно устанавливаемая и используемая для прогноза
или анализа электропотребления, а также для стимулирования энергосбережения на
предприятии это?
или анализа электропотребления, а также для стимулирования энергосбережения на
предприятии это?
Если расчетный прибор стоит не на границе балансовой принадлежности электрических сетей,
то требует ли корректировки объем отпущенной электроэнергии?
то требует ли корректировки объем отпущенной электроэнергии?
Соотнесите способ снижения затрат на электроэнергию с соответствующими решаемыми
задачами.
задачами.
- реализация комплекса энергосберегающих мероприятий
- использование собственных электростанций (малая энергетика)
- регулирование графиков электрических нагрузок предприятия
- относительное снижение расхода электроэнергии на единицу продукции
- правильная организация работы на рынках электроэнергии
Комплекс правовых, организационных, научных, производственных, технических и
экономических мероприятий, направленных на эффективное использование энергетических
ресурсов это:
экономических мероприятий, направленных на эффективное использование энергетических
ресурсов это:
Что понимают под постоянным контролем соответствия показателей электропотребления
предприятия некоторым целевым значениям и принятием мер в случае превышения?
предприятия некоторым целевым значениям и принятием мер в случае превышения?
Нормированию подлежит весь расход электроэнергии на предприятии или в организации?
Что является целью создания системы норм и нормативов потребления электроэнергии?
Совокупность соединенных между собой по установленной схеме измерительных устройств это?
Соотнесите вид учета электроэнергии с решаемыми задачами
- позволяет осуществлять финансовые расчеты (к нему предъявляют определенные требования по местам установки средств учета, их типам, классам точности и периодичности снятия показаний)
- используется для организации электропотребления и энергосбережения на объекте (учет ведется внутри объекта, например, по подразделениям)
Что понимают под энергетическим обследованием с разработкой энергетического паспорта
предприятия?
предприятия?
За счет совершенствования каких общепромышленных систем и оборудования можно
реализовать энергосбережение?
реализовать энергосбережение?
Какой способ нормирования электропотребления наименее трудоемок, надежен и получил
широкое распространение в практике нормирования?
широкое распространение в практике нормирования?
Какие требования предъявляют к внутрицеховым сетям?
Каковы общие требования к источникам питания при построении схемы электроснабжения?
Верно ли утверждение, что «в качестве отключающего аппарата может быть использован
коммутационный аппарат шкафа 2УР, если в комплектной поставке технологического
оборудования и электрооборудования (электропривода) отсутствует коммутационная
аппаратура, обеспечивающая пуск, останов, защиту. В этом случае аппарат зонной защиты
должен охватывать электроприемник и проводник»?
коммутационный аппарат шкафа 2УР, если в комплектной поставке технологического
оборудования и электрооборудования (электропривода) отсутствует коммутационная
аппаратура, обеспечивающая пуск, останов, защиту. В этом случае аппарат зонной защиты
должен охватывать электроприемник и проводник»?
Какие исходные данные требуются при проектировании ГПП?
Верно ли утверждение, что «если от шкафа 2УР питаются три электроприемника, то проводник,
питающий шкаф, выбирают по сумме Іном. При большем количестве электроприемников
следует иметь в виду следующие ограничения: а) количество отходящих линий от шкафа 2УР
невелико и при использовании их непосредственно для питания приемников 1УР установленная
мощность не должна выходить за мощность, передаваемую через вводной аппарат, исполнение
которого 250, 400А (или иное) затрудняет совершение ошибки; б) при прокладке питающего
проводника к шкафу следует соблюдать рекомендуемый в электрике принцип равнопрочности:
по проводнику в номинальном режиме следует передавать мощность, близкую к номинальной
мощности ввода»?
питающий шкаф, выбирают по сумме Іном. При большем количестве электроприемников
следует иметь в виду следующие ограничения: а) количество отходящих линий от шкафа 2УР
невелико и при использовании их непосредственно для питания приемников 1УР установленная
мощность не должна выходить за мощность, передаваемую через вводной аппарат, исполнение
которого 250, 400А (или иное) затрудняет совершение ошибки; б) при прокладке питающего
проводника к шкафу следует соблюдать рекомендуемый в электрике принцип равнопрочности:
по проводнику в номинальном режиме следует передавать мощность, близкую к номинальной
мощности ввода»?
Верно ли, что место расположения ГПП должно быть максимально приближено к центру
электрических нагрузок и его можно определить по формулам?
![]()
электрических нагрузок и его можно определить по формулам?

Верно ли утверждение, что «Для электродвигателя (электроприемника) предпочтительнее
применение индивидуального коммутационного аппарата, имеющего более широкие
возможности, чем аппарат шкафа, и обеспечивающего необходимые виды управления и
регулирования, защиту, контроль, сигнализацию. Другими словами, для каждого
электроприемника выполняют отдельные рабочие чертежи, включающие схему подключения и
управления, прокладку, установку, монтажные присоединения, спецификацию»?
применение индивидуального коммутационного аппарата, имеющего более широкие
возможности, чем аппарат шкафа, и обеспечивающего необходимые виды управления и
регулирования, защиту, контроль, сигнализацию. Другими словами, для каждого
электроприемника выполняют отдельные рабочие чертежи, включающие схему подключения и
управления, прокладку, установку, монтажные присоединения, спецификацию»?
Для предприятия характерна большая удельная плотность нагрузки, имеется большое
количество электродвигателей мощностью от 100 до 630 кВт. Какое напряжение низковольтной
сети следует выбрать в данном случае?
количество электродвигателей мощностью от 100 до 630 кВт. Какое напряжение низковольтной
сети следует выбрать в данном случае?
Какими основными принципами руководствуются при построении систем электроснабжения?
Назначение и особенности подключения токоограничивающего реактора (укажите верные
утверждения):
утверждения):
Для чего составляют картограмму нагрузок предприятия?
Какие требования предъявляют к проводникам и схемам внутрицеховых сетей до 1 кВ?
Верно ли утверждение, что «расчет электрических нагрузок (прежде всего формализованными
методами) необходим для случая питания от питательного пункта нескольких
распределительных пунктов при радиальном и магистральном их питании, если Ру превосходит
мощность ввода. Это же относится к выбору распределительных токопроводов ШРА?
методами) необходим для случая питания от питательного пункта нескольких
распределительных пунктов при радиальном и магистральном их питании, если Ру превосходит
мощность ввода. Это же относится к выбору распределительных токопроводов ШРА?
Какие схемы применяются для питания высоковольтных электроприемников на напряжении 6,
10 кВ?
10 кВ?
Какие схемы применяют для питания отдельных электроприемников?
Какие схемы применяют для питания распределительных пунктов (2УР)?
Верно ли утверждение, что «каждый электродвигатель (электроприемник) должен иметь
отдельный коммутационный аппарат, отключающий от сети одновременно все проводники
(общий аппарат или комплект коммутационных аппаратов применим для группы
электродвигателей, служащих для привода машин, осуществляющих единый технологический
процесс)»?
отдельный коммутационный аппарат, отключающий от сети одновременно все проводники
(общий аппарат или комплект коммутационных аппаратов применим для группы
электродвигателей, служащих для привода машин, осуществляющих единый технологический
процесс)»?
Для выбора места расположения ГПП обычно определяют
Из каких основных частей состоят ГПП?
Верно ли утверждение, что «защита питающего проводника от токов КЗ в конце защищаемой
линии и от перегрузки в случаях, оговоренных ПУЭ, осуществляется коммутационной
аппаратурой шкафа 2УР»?
линии и от перегрузки в случаях, оговоренных ПУЭ, осуществляется коммутационной
аппаратурой шкафа 2УР»?
Для каких схем питания цеховых трансформаторных подстанций допускается глухое
подключение (без коммутационного аппарата)?
подключение (без коммутационного аппарата)?
Характеристики ответов (шпаргалок) к заданиям
Тип
Коллекция: Ответы (шпаргалки) к заданиям
Предмет
Учебное заведение
Номер задания
Теги
Просмотров
2
Качество
Идеальное компьютерное
Количество вопросов
Комментарии
Нет комментариев
Стань первым, кто что-нибудь напишет!
ИДДО НИУ «МЭИ»
studizboss












