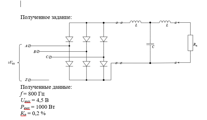
Лабораторная работа 1: Основные схемы выпрямителей вариант 75
Описание
Лабораторная работа №1 по электронике
“Основные схемы выпрямителей”
Вариант №75
Схема сделана в программе Proteus 8. ОБЯЗАТЕЛЬНО поменяйте название файла. Пример: "ИУ5-41Б Иванов Лаб.1"
Работа сдана на 10 баллов
2024 года
Характеристики лабораторной работы
Предмет
Учебное заведение
Семестр
Номер задания
Вариант
Просмотров
8
Размер
162,46 Kb
Преподаватели
Список файлов
75.docx
Комментарии
Нет комментариев
Стань первым, кто что-нибудь напишет!
МГТУ им. Н.Э.Баумана
girkinaleksandr799
















