Для студентов МГТУ им. Н.Э.Баумана по предмету ЭлектроникаУсилители аналоговых сигналовУсилители аналоговых сигналов
5,0051
2024-03-302024-03-30СтудИзба
Лабораторная работа 2: ЛР №2 Вар 31 Белодедов вариант 31
Лабораторная работа 2: Усилители аналоговых сигналов вариант 31
Описание
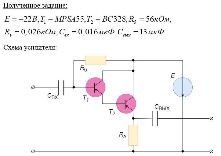
Лабораторная работа №2 по электронике (Белодедов 4 сем)
"Усилители аналоговых сигналов"
Вариант №31
Максимальный балл
"Усилители аналоговых сигналов"
Вариант №31
Максимальный балл
Характеристики лабораторной работы
Предмет
Учебное заведение
Семестр
Номер задания
Вариант
Программы
Просмотров
16
Качество
Идеальное компьютерное
Размер
649,3 Kb
Преподаватели
Список файлов
Lab2.pdsprj
data.DAT
ИУ5-43Б Иванченко Лаб2.docx
Расчеты.xlsx
Схема 16.drawio
Комментарии
Нет комментариев
Стань первым, кто что-нибудь напишет!
МГТУ им. Н.Э.Баумана




















