Для студентов МГТУ им. Н.Э.Баумана по предмету ЭлектроникаУсилители аналоговых сигналовУсилители аналоговых сигналов
5,0056
2024-02-202024-02-20СтудИзба
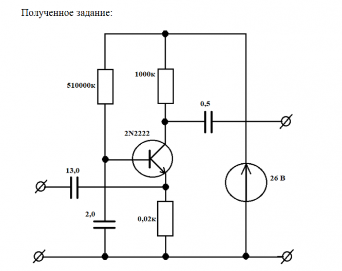
Лабораторная работа 2д: Усилители аналоговых сигналов вариант 41
Описание
Характеристики лабораторной работы
Предмет
Учебное заведение
Семестр
Номер задания
Вариант
Программы
Теги
Просмотров
13
Качество
Идеальное компьютерное
Размер
135,76 Kb
Преподаватели
Список файлов
РТ5-41Б Иванов Лаб.2д.docx
Комментарии
Нет комментариев
Стань первым, кто что-нибудь напишет!
МГТУ им. Н.Э.Баумана




















