Для студентов НГТУ по предмету ЭлектроникаПолупроводниковые диодыПолупроводниковые диоды
4,95529973
2022-08-012022-08-01СтудИзба
Лабораторная работа 1: Полупроводниковые диоды
Описание
1. Цель работы
Изучить поведение в цепи простейших полупроводниковых приборов – диодов и стабилизаторов.2. Схемы
- Схема для экспериментального построения прямой ветви ВАХ диода.
- Схема для экспериментального построения обратной ветви ВАХ диода.
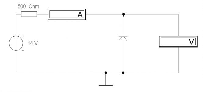
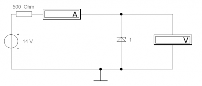
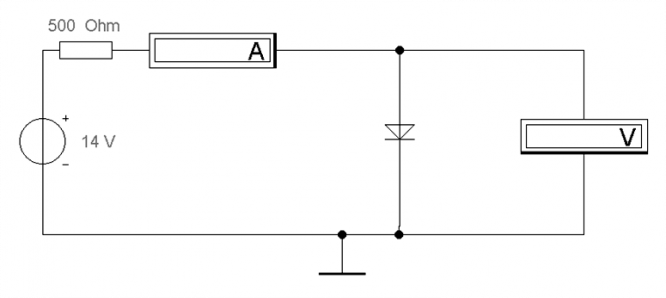
- Схема для экспериментального построения обратной ветви ВАХ стабилитрона.
- Схема для исследования параметрического стабилизатора напряжения
- Схема для изучения последовательного ограничителя
3. Таблица измерений
- Построение прямой ветви ВАХ диода DIN4937GP
- Построение обратной ветви ВАХ диода DIN4937GP
- Построение прямой ветви ВАХ диода SB360
- Построение обратной ветви ВАХ диода SB360
- Таблица сравнения характеристик диодов
- Обратная ветвь ВАХ стабилитрона
- Характеристики стабилитрона
- Параметрический стабилизатор напряжения
- Диодные ограничители
4. Выводы
Характеристики лабораторной работы
Предмет
Учебное заведение
Семестр
Номер задания
Просмотров
8
Качество
Идеальное компьютерное
Размер
417,01 Kb
Список файлов
Лабораторная работа №1 - Полупроводниковые диоды.docx

Вам все понравилось? Получите кэшбэк - 40 рублей на Ваш счёт при покупке. Поставьте оценку и напишите положительный комментарий к купленному файлу. После Вы получите деньги на ваш счет.