Курсовая работа: Синтез импульсного устройства
Новинка
Описание
СОДЕРЖАНИЕ
1. Задание на курсовой проект 3
2. Расчет автогенераторного мультивибратора на биполярных транзисторах 3
2.1 Выбор транзистора 3
2.2 Расчет сопротивления в цепи коллекторов транзисторов 5
2.3. Расчет сопротивления в базовых цепях транзисторов 6
2.4. Проверка условия температурной стабильности схемы 7
2.5. Расчет емкости конденсаторов времязадающих цепей 7
2.6. Проверка длительности фронта и среза 7
3. Моделирование схемы мультивибратора 8
4. Выводы 11
СПИСОК ИСПОЛЬЗОВАННЫХ ИСТОЧНИКОВ 12
ПРИЛОЖЕНИЕ А. Схема электрическая принципиальная 13
ПРИЛОЖЕНИЕ Б. Перечень элементов 14
1. Задание на курсовой проект
2. Расчет автогенераторного мультивибратора на биполярных транзисторах
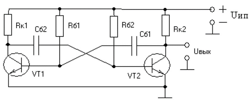
Исходные данные:
Uвых.m – амплитуда выходных импульсов;
tи – длительность импульса;
tф – длительность фронта;
tс – длительность среза;
Т – период следования импульсов;
Rн – сопротивление нагрузки;
tокро – температура окружающей среды.
Рисунок 2.1 – Схема автогенераторного мультивибратора на биполярных транзисторах
![]()
1. Задание на курсовой проект 3
2. Расчет автогенераторного мультивибратора на биполярных транзисторах 3
2.1 Выбор транзистора 3
2.2 Расчет сопротивления в цепи коллекторов транзисторов 5
2.3. Расчет сопротивления в базовых цепях транзисторов 6
2.4. Проверка условия температурной стабильности схемы 7
2.5. Расчет емкости конденсаторов времязадающих цепей 7
2.6. Проверка длительности фронта и среза 7
3. Моделирование схемы мультивибратора 8
4. Выводы 11
СПИСОК ИСПОЛЬЗОВАННЫХ ИСТОЧНИКОВ 12
ПРИЛОЖЕНИЕ А. Схема электрическая принципиальная 13
ПРИЛОЖЕНИЕ Б. Перечень элементов 14
1. Задание на курсовой проект
| № вар. | Тип устройства | Uвых.и., В | tи., мкс | T, мкс | Rн., кОм | tокр., +0C | tф , мкс | tс , мкс |
| 91 | 1 | 13 | 30 | 100 | 3,5 | 35 | 0,6 | 0,9 |
2. Расчет автогенераторного мультивибратора на биполярных транзисторах
Исходные данные:
Uвых.m – амплитуда выходных импульсов;
tи – длительность импульса;
tф – длительность фронта;
tс – длительность среза;
Т – период следования импульсов;
Rн – сопротивление нагрузки;
tокро – температура окружающей среды.
Рисунок 2.1 – Схема автогенераторного мультивибратора на биполярных транзисторах

Характеристики курсовой работы
Предмет
Учебное заведение
Семестр
Просмотров
0
Размер
266,96 Kb
Список файлов
Комментарии
Нет комментариев
Стань первым, кто что-нибудь напишет!
РГУПС
Преподаватель1














