Курсовая работа: Электрическая цепь
Описание
Оглавление
1.Расчёт линейной электрической цепи постоянного тока различными методами 3
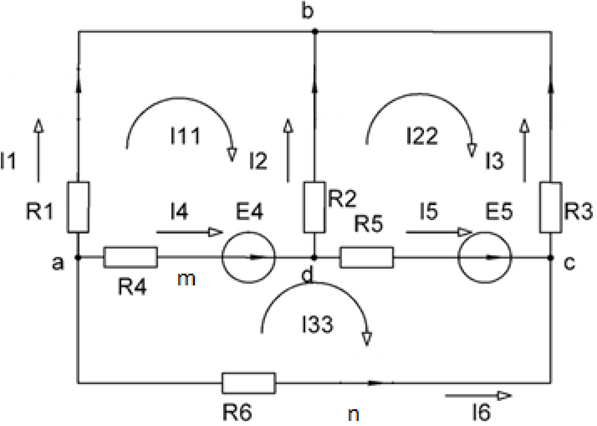
1.2 Определить токи во всех ветвях методом контурных токов. 5
1.3 Определить токи во всех ветвях методом узловых потенциалов. 7
1.4 Результат расчетов пунктов 1, 2 и 3 свести в таблицу. 8
1.5 Определить ток I1 методом эквивалентного генератора. 9
1.6 Начертить потенциальную диаграмму для любого замкнутого контура, включавшего обе ЭДС.. 10
2.1 Предварительные расчеты.. 12
2.2 Составить систему уравнений по законам Кирхгофа. 14
2.4 Составить баланс мощностей. 16
2.5 Определить показание ваттметра. 17
2.6 Построить векторную топографическую диаграмму токов и напряжени1……………………………………………………………………...19
2.7 Построить временную диаграмму тока в первой ветви. 20
3 Расчёт усилительного каскада с общим эмиттером.. 21
3.2 Расчёт усилительного каскада по постоянному току. 26
3.3 Расчёт усилительного каскада по переменному току. 27
3.4 Расчёт параметров элементов усилителя с ОЭ.. 27
3.5 Определение параметров усилительного каскада Коэффициент усиления каскада по току Ki: 28
Расчёт линейной электрической цепи постоянного тока различными методами
Метод | I1 | I2 | I3 | I4 | I5 | I6 |
Кирхгоф | -0.053585 | 0.029638 | 0.023947 | 0.1390 | 0.1094 | -0.085448 |
М.К.Т. | -0.053585 | 0.029638 | 0.023947 | 0.1390 | 0.1094 | -0.085448 |
М.У.П. | -0.053584 | 0.029638 | 0.023950 | 0.1390 | 0.1094 | -0.085447 |

R1 =90 Ом,
R2 = 76 Ом,
R3 = 2 Ом,
R4 = 57 Ом,
R5 = 75 Ом,
R6 = 57 Ом,
E4 = 15 В,
E5 =6 В.
Расчёт и анализ электрической цепи переменного тока: от законов Кирхгофа до векторных диаграмм
R1 =25 Ом L2 = 0,67 Гн C3 = 98*10-6 Ф L4 = 0,43 Гн
Em1 = 54 В Em5 = 23 В φ1 = 120° φ5 = 20°f = 46 Гц
РТУ МИРЭА
vitalievnatalia
















