Для студентов МФПУ «Синергия» по предмету Электрические машиныЭлектрические машины 2Электрические машины 2
5,0051
2024-12-052024-12-05СтудИзба
Ответы к зачёту: Электрические машины 2
Описание
Электрические машины. Электрические машины.ти_ФРК(2/2). Коллекция ответов на вопросы. ВУЗ - МФПУ Синергия (МОИ, МТИ, МосАП). Перед покупкой проверьте, подходят ли вопросы к вашему тесту.
- Тема 4. Синхронные машины
- Тема 5. Электрические машины постоянного тока
Список вопросов
Характеристики, представленные на рисунке, – … ![]()

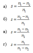
Формула скольжения – … ![]()

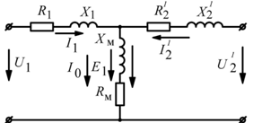
Как обозначен в схеме замещения приведенного трансформатора ток намагничивания? ![]()

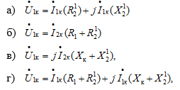
Какая правильная векторная диаграмма для приведенной на рисунке схемы замещения?
![]()

Элемент ротора синхронной машины, отмеченный цифрой 3 на рисунке, – … ![]()

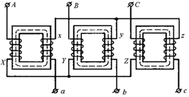
Схема, приведенная на рисунке, – … ![]()

Синхронный компенсатор – …
Переменная, значения которой откладываются по оси абсцисс на приведенном ниже графике – … ![]()

В нашей стране нормальные климатические условия — ...
Геометрическая нейтраль – …
Внешняя характеристика синхронного генератора, отмеченная на рисунке цифрой 3, – … ![]()

Каплезащищенное исполнение машин – …
Как обозначен для представленной на рисунке схемы замещения приведенного трансформатора в режиме короткого замыкания уравнение для входного напряжения?
![]()

Устройство, представленное на рисунке – … ![]()

Диапазон частот вращения гидрогенераторов – …
МДС – …
Физическая нейтраль – …
Трансформатор, имеющий две электрически связанные (последовательно соединенные) обмотки так, что одна из них становится частью второй – …
Схема, представленная на рисунке, – … ![]()

Какое условное обозначение формы конструктивного исполнения электрической машины? ![]()

Категория размещения электрических машин обозначается цифрой (от 1 до 5), следующей за буквенным обозначением климатического исполнения. Цифра, обозначающая машины, которые можно эксплуатировать на открытом воздухе — ...
Электрические машины мощностью от 0,5 кВт до 10 кВт – …
Электротехническое устройство, предназначенное для преобразования электрической энергии переменного тока одного напряжения в электрическую энергию другого напряжения той же частоты – …
Если в электрической машине устройство для нагнетания воздуха закрепляется на вал, что создает аэродинамический напор — ..
Условие достижение максимального значения КПД трансформатора в зависимости от его загрузки – ...
Условное обозначение климатического исполнения электрических машин, предназначенных для всех макроклиматических районов на суше - ...
Воздействие магнитного потока якоря на магнитное поле синхронной машины – …
Схема, показанная на рисунке, – … ![]()

Схема включения синхронного генератора для снятия характеристики холостого хода – … ![]()

Степень отставания ротора асинхронной машины от вращающегося магнитного поля – …
Элемент на рисунке ротора с короткозамкнутой обмоткой отмеченный цифрой 1, – … ![]()

Характеристики ответов (шпаргалок) к зачёту
Тип
Коллекция: Ответы (шпаргалки) к зачёту
Предмет
Учебное заведение
Учебная пора
Просмотров
14
Количество вопросов

❓ Как копировать вопросы во время теста в Синергии?
Пожалуйста, если не трудно, оцените файл на высокую оценку, спасибо!
Комментарии
Нет комментариев
Стань первым, кто что-нибудь напишет!
МФПУ «Синергия»
iFate


















