Для студентов МФПУ «Синергия» по предмету Электрические и электронные аппаратыЭлектрические и электронные аппаратыЭлектрические и электронные аппараты
5,00511043
2025-10-192025-10-19СтудИзба
Ответы к экзамену: Электрические и электронные аппараты
Описание
Перед покупкой сверьте список вопросов и убедитесь, что вам нужны ответы именно на эти вопросы!
С вопросами и вы можете ознакомиться ДО покупки.
Для быстрого поиска вопроса используйте Ctrl+F.
С вопросами и вы можете ознакомиться ДО покупки.
Для быстрого поиска вопроса используйте Ctrl+F.
Список вопросов
Номинальный ток в катушке управления контактора переменного тока определяется формулой…
Номинальный ток главных контактов магнитного пускателя, предна-значенного для управления электродвигателем, работающего во всех ре¬жимах определяется по условию …
На рисунке приведена…
![]()

Номинальный ток в катушке управления (КУ) контактора постоянно¬го тока определяется формулой …
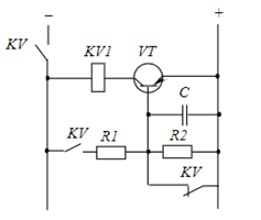
На рисунке представлена…
![]()

Электромагнитное промежуточное реле по своему устройству и прин-ципу работы аналогично…
На рисунке приведено …
Тиристором называют …
Тепловое реле применяются для …
Реле максимального тока применяется для …
Реле времени - аппарат, который …
Рабочий ток главных контактов контактора, предназначенного для управления электродвигателем, работающего в повторно-кратковременном режиме определяется формулой …
Промежуточное реле может работать в качестве …
При значительной мощности электродвигателя главные контакты контактора могут сильно обгорать под действием …
По исполнению и назначению пускатели подразделяются…
Плавкие предохранители – это...
Номинальное напряжение магнитного пускателя, предназначенного для управления асинхронным электродвигателем с короткозамкнутым ро-тором определяется по условию…
На рисунке приведено…
На рисунке приведен …
![]()

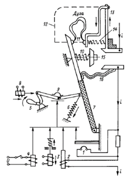
На рисунке представлено устройство…
На рисунке представлена…
На рисунке представлена…
![]()

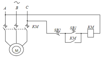
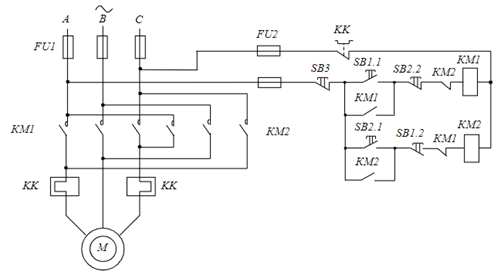
На приведенной электрической схеме пуск двигателя в условных направлениях «Вперед» или «Назад» осуществляется…
![]()

На данном рисунке приведена…
![]()

Магнитные пускатели предназначены для …
Контакторы состоят из …
Контакторы переменного тока имеют специальные устройства для уменьшения шума (гудения) при включенном положении, которые называются…
Контакторами называются …
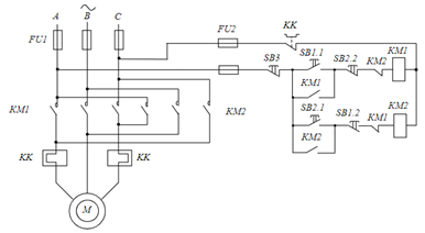
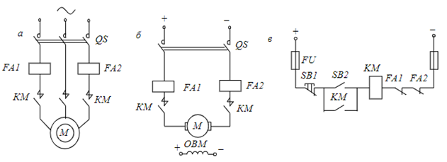
Какое управление асинхронным двигателем (АД) приведено на рисунке?
![]()

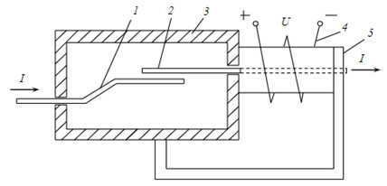
Каким номером на рисунке указана главные контакты?
Значение тока срабатывания реле максимального тока предназначенного для защиты электродвигателя от токов короткого замы¬кания определяется выражением …
Дугогасительную решетку впервые предложил …
Дугогасительная камера это …
Главные контакты (коммутирующие) автоматического выключателя обычно изготов¬лены из …
Автоматические воздушные выключатели (автоматы) предназначены …
Характеристики ответов (шпаргалок) к экзамену

❓ Как копировать вопросы во время теста в Синергии?
Комментарии
Нет комментариев
Стань первым, кто что-нибудь напишет!
МФПУ «Синергия»
shalenysh


















