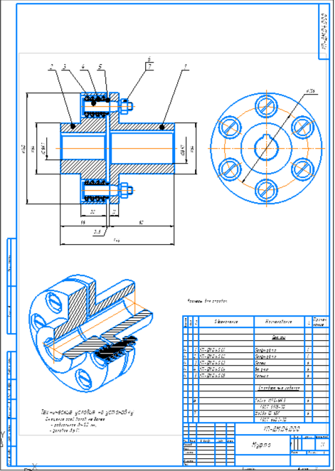
Для студентов МГТУ им. Н.Э.Баумана по предмету Детали машин (ДМ)Упругая втулочно-пальцевая муфта - 3Д модель + чертежУпругая втулочно-пальцевая муфта - 3Д модель + чертеж
5,0059
2023-09-092025-06-21СтудИзба
Другое: Упругая втулочно-пальцевая муфта - 3Д модель + чертеж
Бестселлер
Описание
Характеристики учебной работы
Тип
Предмет
Учебное заведение
Семестр
Программы
Теги
Просмотров
102
Качество
Идеальное компьютерное
Размер
302,69 Kb
Список файлов
Втулка.m3d
Кольцо.m3d
Муфта(Компас 11).cdw
Муфта.a3d
Палец в сборе.a3d
Палец.m3d
Полумуфта1.m3d
Полумуфта2.m3d

Спасибо за покупку! Я буду очень рад, если поставишь справедливую оценку купленному файлу