Для студентов МГТУ им. Н.Э.Баумана по предмету Детали машин (ДМ)СоединенияСоединения
5,0055
2023-12-312025-04-07СтудИзба
ДЗ 1: Соединения вариант 5
Описание
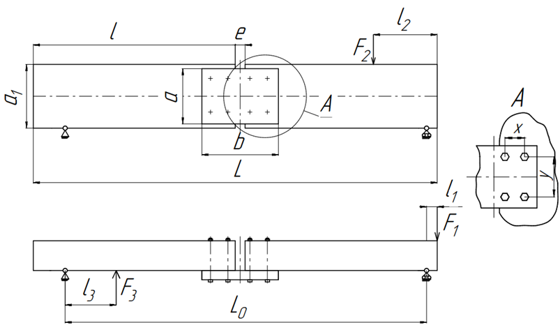
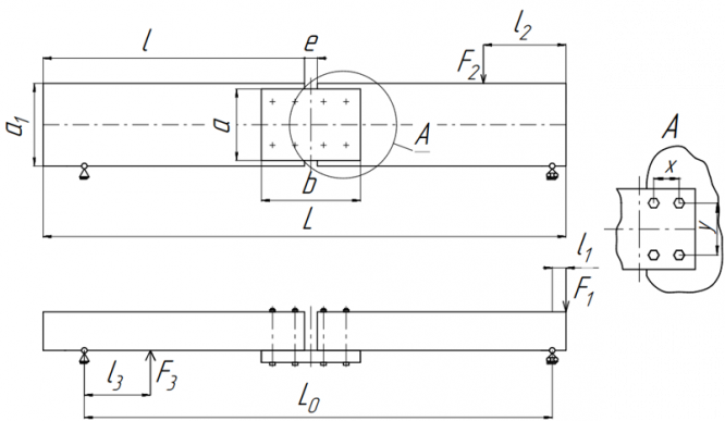
1. Определить силовые факторы, действующие в групповых резьбовых соединениях. Болты поставлены с зазором.
L = 950 мм
L0 = 850 мм
l = 475 мм
l1 = 25 мм
l2 = 150 мм
l3 = 120 мм
a = 75 мм
a1 = 95 мм
b = 180 мм
e ≤ 2 мм
x = 65 мм
y = 55 мм
F1 = 28 кН
F2 = 22 кН
F3 = 27 кН
2. Сделать заключение о прочности группового резьбового соединения двух стальных плит, состоящего из трех болтов М8 класса прочности 4,6, поставленных без зазора, нагруженного силой F = 12 кН, действующей в плоскости контакта.3.Спроектировать соединение с натягом сплошного вала диаметром из сплава Д16Т со втулкой с наружным диаметром из стали 20, передающее крутящий момент и осевую силу , действующие одновременно. Шероховатость контактных поверхностей назначить, расчет проводить исходя из условия гарантированного натяга.
4.Определить параметры шлицевого соединения, достаточного для передачи того же крутящего момента, что передает соединение с натягом полого вала из стали 35 наружным диаметром и внутренним и втулки из бронзы БрА9Ж4 наружным диаметром с посадкой Н7/u7, если длина втулки не превышает диаметр вала. Коэффициент трения принять равным , а все коэффициенты безопасности − . Поправкой на обмятие шероховатостей пренебречь, расчет проводить исходя из условия гарантированного натяга.
5. Выбрать способ соединения встык алюминиевой и бронзовой труб, нагруженного растягивающей осевой силой , привести критерии выбора, рассчитать соединение на прочность.

Характеристики домашнего задания
Предмет
Учебное заведение
Семестр
Номер задания
Вариант
Просмотров
150
Размер
349,44 Kb
Преподаватели
Список файлов
ВСЕ ДЗ.docx
МГТУ им. Н.Э.Баумана



















