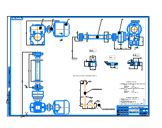
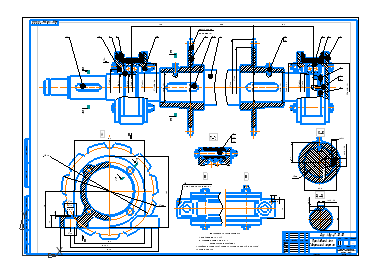
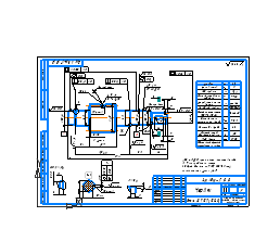
Для студентов МГТУ им. Н.Э.Баумана по предмету Детали машин (ДМ)Привод цепного транспортера с червячным редуктором (Червячный редуктор)Привод цепного транспортера с червячным редуктором (Червячный редуктор)
5,0052
2025-02-112025-02-12СтудИзба
Курсовая работа: Привод цепного транспортера с червячным редуктором (Червячный редуктор)
-11%
Описание
Характеристики курсовой работы
Предмет
Учебное заведение
Семестр
Программы
Просмотров
86
Размер
1,88 Mb
Список файлов
лист 1.cdw
лист 2.cdw
лист 3.cdw
муфта.cdw
общий вид.cdw
приводной вал.cdw
ПЗ.docx

МГТУ им. Н.Э.Баумана
Study_Russia



















