Для студентов МГТУ им. Н.Э.Баумана по предмету Детали машин (ДМ)привод ленточного транспортерапривод ленточного транспортера
5,00523
2025-02-052025-04-18СтудИзба
Курсовая работа: привод ленточного транспортера
-10%
Описание
Курсовой проект выдан Гончаровым С. Ю. не по стандартным заданиям, все условие выбиралось самостоятельно из свободных источников. В остальном работа выполнена по всем нормам на 5 листов.
![]()
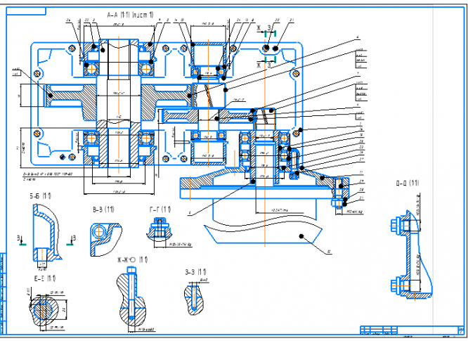
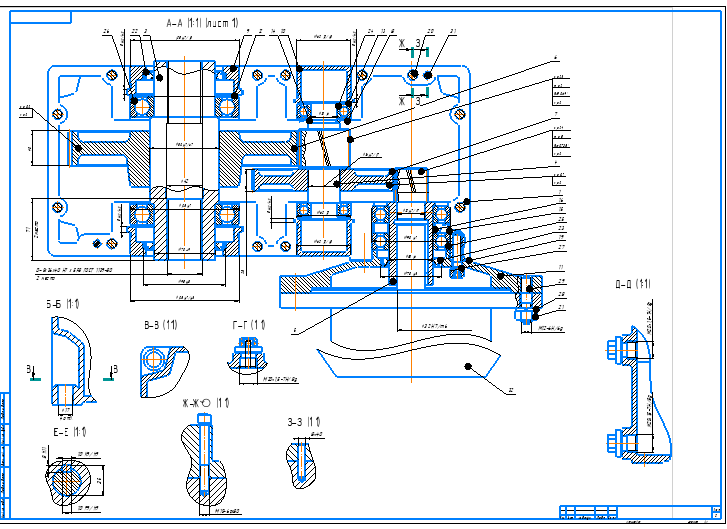
Целью выполнения курсового проекта является спроектировать привод ленточного транспортера с двухступенчатым цилиндрическим вертикальным соосным однопоточным мотор-редуктором.
Составными частями привода являются одноступенчатый мотор-редуктор с косозубым зацеплением, первая ступень – косозубая передача с внешним зацеплением; вторая ступень – косозубая передача внутреннего зацепления.
Устройство привода: вращающий момент передается с электродвигателя на входной вал редуктора, с выходного вала редуктора на приводной вал с барабаном.
Ленточный конвейер применяется на овощебазе, используется для перемещения штучных грузов под углом до 35 градусов к горизонту.
В данной работе разработано:
- · Общий вид привода
- · Редуктор
- · Чертежи деталей
- · Приводной вал
Также рассчитано прочность валов, подшипников, соединений.
Характеристики курсовой работы
Предмет
Учебное заведение
Семестр
Программы
Теги
Просмотров
9
Качество
Идеальное компьютерное
Размер
840,7 Kb
Список файлов
ДМ студ
5 лист.cdw
RPZ.docx
Spetsifikatsia_Sborka (1).spw
Spetsifikatsia_novaya.spw
list_1.cdw
val_baraban_1 (1).cdw
Чертеж крышка.cdw
Чертеж промеж вала.cdw
Чертеж тихох вала.cdw
Чертеж тихох колесо.cdw
Комментарии
Нет комментариев
Стань первым, кто что-нибудь напишет!
МГТУ им. Н.Э.Баумана
kaatriiin_nn


















