Для студентов МГТУ им. Н.Э.Баумана по предмету Детали машин (ДМ)Привод ленточного транспортера с червячным редуктором (нижее расположение червяка) и ременной передачей от электродвигателя к редукторуПривод ленточного транспортера с червячным редуктором (нижее расположение червяка) и ременной передачей от электродвигателя к редуктору
4,9951099
2024-03-172024-03-17СтудИзба
Привод ленточного транспортера с червячным редуктором (нижее расположение червяка) и ременной передачей от электродвигателя к редуктору
Описание
В файле РПЗ, Листы и спецификации - Привод ленточного транспортера с червячным редуктором (нижее расположение червяка) и ременной передачей от электродвигателя к редуктору
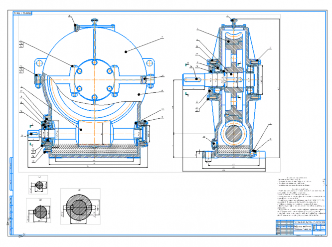
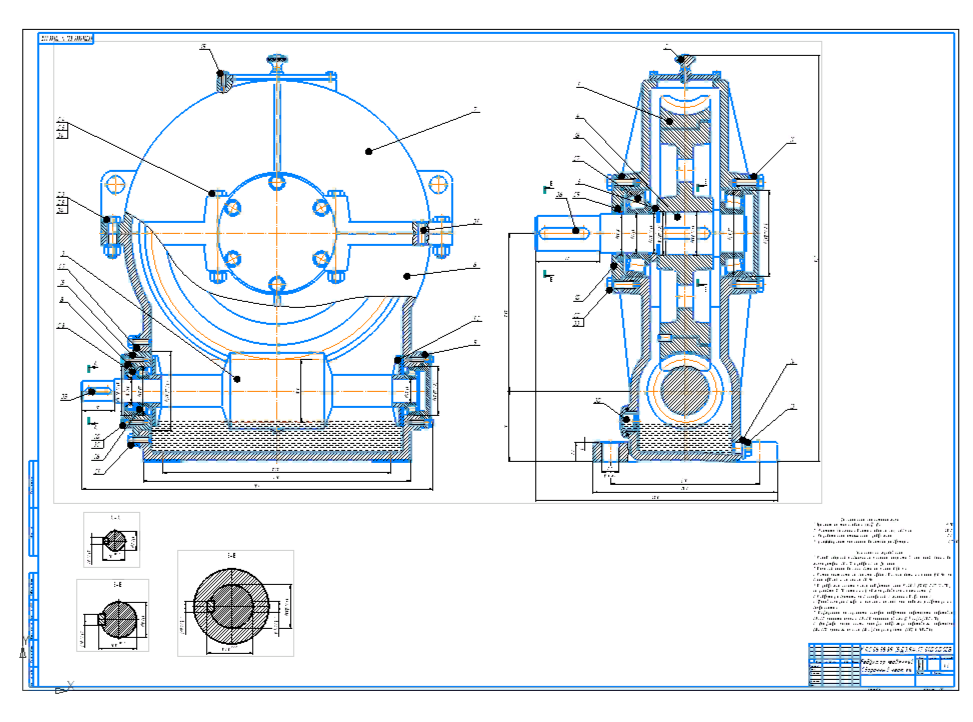
Спроектировать:Привод ленточного транспортера с червячным редуктором (нижее расположение червяка) и ременной передачей от электродвигателя к редуктору
Разработать:
1) Общий вид привода. 2) Редуктор. 3) Чертежи деталей (червяк, колесо). 4) Упруго-компенсирующую муфту. 5) Приводной вал
Технические требования:
1. Типовой режим нагружения II
2. Расчетный ресурс 10000ч.
3. Изготовление серийное 1000 штук в год
Исходные данные:
Окружная сила - 2,3 кН
Скорость ленты - 0,8 м/с
Диаметр барабана - 400 мм
Длина барабана - 300 мм


Характеристики курсовой работы
Предмет
Учебное заведение
Семестр
Номер задания
Вариант
Программы
Просмотров
37
Размер
6,81 Mb
Список файлов
Барабан
Барабан.cdw
Барабан.cdw.bak
Барабан.spw
Барабан.spw.bak
Привод
Привод.cdw
Привод.cdw.bak
Привод.spw
Привод.spw.bak
Редуктор
Редуктор.cdw
Редуктор.cdw.bak
Редуктор.spw
Редуктор.spw.bak
Расчёты.doc

Спасибо за покупку! Я буду очень рад, если поставишь справедливую оценку купленному файлу