Курсовая работа 5, 6, 7, 8: Занятие 5. Кинематический и силовой расчет механического привода вариант 7
Описание
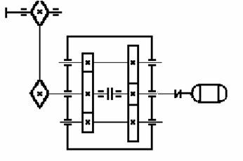
Занятие 5. Кинематический и силовой расчет механического привода
Схема | Nвых, кВт | nвых, об/мин |
| 3,5 | 13 |
Занятие 6. МАТЕРИАЛЫ, ТЕРМООБРАБОТКА И ДОПУСКАЕМЫЕ НАПРЯЖЕНИЯ ДЛЯ ЗУБЧАТЫХ КОЛЕС
Определить расчетные предельно допустимые значения контактного напряжения и напряжения изгиба для червячного колеса.
Вариант | Материал | n2, мин-1 | tS, ч | Режим |
7 | Бр.0Ф10-1 | 180 | 10000 | III |
Занятие 7. Расчет механической передачи зацеплением
Произвести проверочный и проектировочный расчет механической передачи вращательного движения. Выполнить рабочий чертеж колеса в соответствии с правилами ЕСКД.
Вариант | Передаточное число, u | Передаваемая мощность, кВт | Тип передачи |
7 | 16 | 5 | Червячная |
Занятие 8. Оптимальный подбор подшипников качения по нагрузке при заданной долговечности
Подобрать подшипник для вала механизма, работающего при постоянном режиме и нагрузке с умеренными толчками. Параметры нагружения и требования к ресурсу взять из таблицы в соответствии с номером варианта.
Номер варианта | Fr , Н | Fa , Н | n , об/мин | Lh , ч |
7 | 20000 | 0 | 1500 | 40000 |
Характеристики курсовой работы
Список файлов
