Главная » Учебные материалы » Детали машин (ДМ) » Курсовые работы » МГТУ им. Н.Э.Баумана » 6 семестр » Вариант 34 » Привод ленточного транспортера с цилиндро-червячным мотор-редуктором (нижнее расположение червяка)
Для студентов МГТУ им. Н.Э.Баумана по предмету Детали машин (ДМ)Привод ленточного транспортера с цилиндро-червячным мотор-редуктором (нижнее расположение червяка)Привод ленточного транспортера с цилиндро-червячным мотор-редуктором (нижнее расположение червяка)
5,0051
2025-04-07СтудИзба

Курсовая работа: Привод ленточного транспортера с цилиндро-червячным мотор-редуктором (нижнее расположение червяка) вариант 34

-50%

Описание

Привод ленточного транспортера с цилиндро-червячным мотор-редуктором (нижнее расположение червяка)

Оглавление

  • Техническое задание 3
  • Введение 4
  • 1. Кинематический расчет механизма 5
  • 1.1. Выбор электродвигателя 5
  • 1.2. Расчет параметров редуктора 6
  • 2. Расчет передачи на ЭВМ 6
  • 3. Эскизное проектирование редуктора 6
  • 3.1. Предварительный расчёт валов 6
  • 3.1.1. Промежуточный вал 7
  • 3.1.2. Тихоходный вал 7
  • 3.2. Определение ориентировочного расстояния между деталями 8
  • 3.3. Выбор типа и схемы установки подшипников 9
  • 4. Конструирование зубчатых колес 9
  • 5. Расчет подшипниковых узлов тихоходного вала 10
  • 5.1. Определение реакций в опорах 10
  • 5.2. Расчет подшипников на ресурс 11
  • 6. Расчет соединений 13
  • 6.1. Расчет посадки натягом зубчатого колеса и вала 13
  • 6.2. Расчет шпоночного соединения тихоходного вала и муфты 15
  • 7. Расчет на прочность тихоходного вала 16
  • 7.1. Определение изгибающих моментов 16
  • 7.2. Расчет на статическую прочность 17
  • 7.3. Расчет на сопротивление усталости 19
  • 8. Проектирование корпуса, крышек и систем регулировки 22
  • 9. Выбор смазки редуктора 23
  • 10. Расчет упруго-предохранительной муфты 23
  • 10.1. Расчет упругой муфты 23
  • Список использованной литературы 25
  • Приложения 26

Чертежи

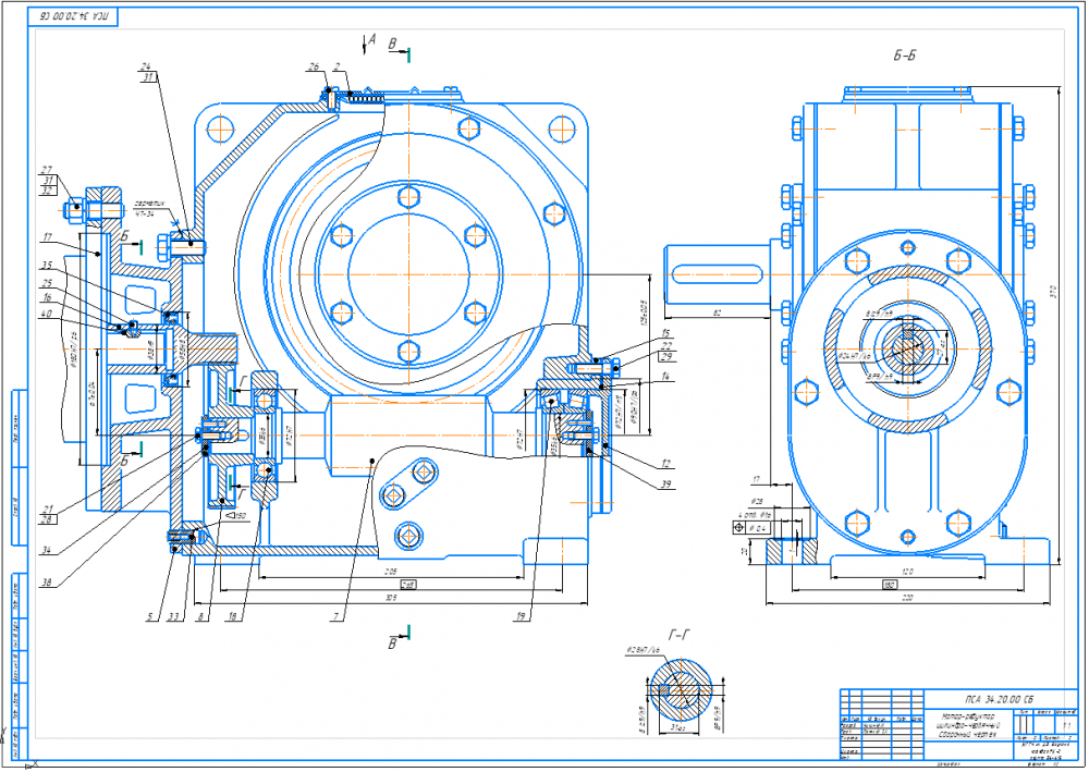
Редуктор

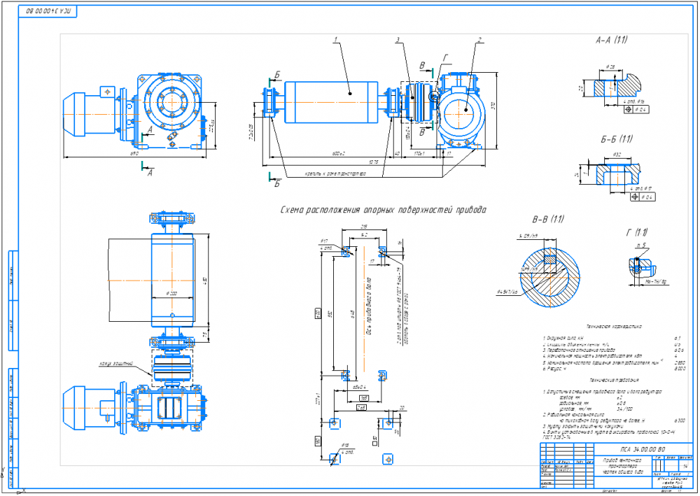
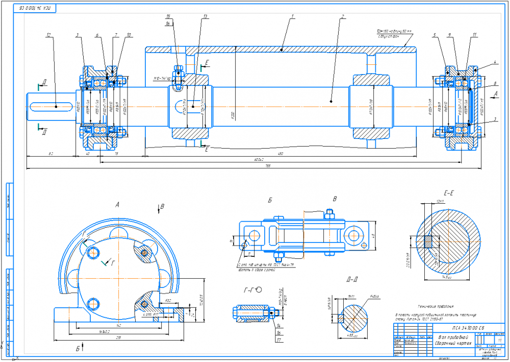
Приводной вал

Общий вид

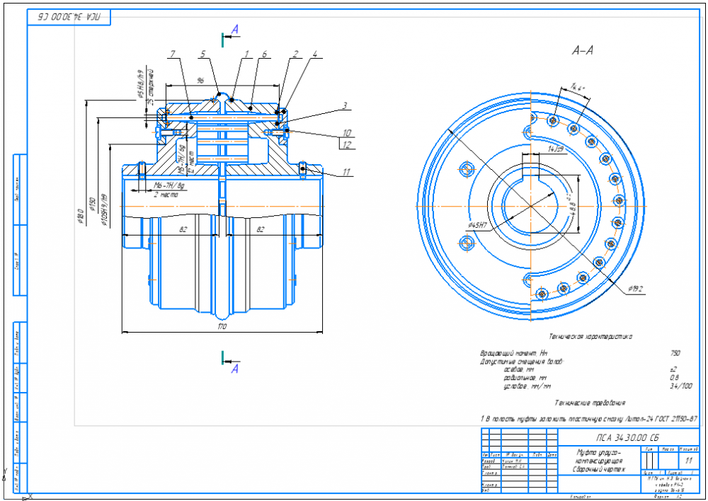
Деталировка (Вал червячный; Колесо червячное; Муфта упруго-компенсирующая)


Файлы условия, демо

Характеристики курсовой работы

Учебное заведение
Семестр
Вариант
Теги
Просмотров
112
Качество
Идеальное компьютерное
Размер
2,89 Mb

Список файлов

ПСА-34
1.cdw
2.cdw
3.cdw
5.cdw
WRKFIL1.pdf
WRKFIL2.pdf
Вал червячный.cdw
Колесо червячное.cdw
Муфта комбинированная.cdw
РПЗ.doc
Спецификация ОВ.cdw
Спецификация муфты.cdw
Спецификация приводного вала.cdw
Спецификация редуктора.cdw
ТЗ.png
Картинка-подпись
Вам все понравилось? Получите кэшбэк - 40 рублей на Ваш счёт при покупке. Поставьте оценку и напишите положительный комментарий к купленному файлу. После Вы получите деньги на ваш счет.

Комментарии

Нет комментариев
Стань первым, кто что-нибудь напишет!
Поделитесь ссылкой:
Цена: 5 000 2 490 руб.
Расширенная гарантия +3 недели гарантии, +10% цены
Рейтинг покупателей
5 из 5
Поделитесь ссылкой:
Сопутствующие материалы

Подобрали для Вас услуги

-26%
Вы можете использовать курсовую работу для примера, а также можете ссылаться на неё в своей работе. Авторство принадлежит автору работы, поэтому запрещено копировать текст из этой работы для любой публикации, в том числе в свою курсовую работу в учебном заведении, без правильно оформленной ссылки. Читайте как правильно публиковать ссылки в своей работе.
Свежие статьи
Популярно сейчас
Как Вы думаете, сколько людей до Вас делали точно такое же задание? 99% студентов выполняют точно такие же задания, как и их предшественники год назад. Найдите нужный учебный материал на СтудИзбе!
Ответы на популярные вопросы
Да! Наши авторы собирают и выкладывают те работы, которые сдаются в Вашем учебном заведении ежегодно и уже проверены преподавателями.
Да! У нас любой человек может выложить любую учебную работу и зарабатывать на её продажах! Но каждый учебный материал публикуется только после тщательной проверки администрацией.
Вернём деньги! А если быть более точными, то автору даётся немного времени на исправление, а если не исправит или выйдет время, то вернём деньги в полном объёме!
Да! На равне с готовыми студенческими работами у нас продаются услуги. Цены на услуги видны сразу, то есть Вам нужно только указать параметры и сразу можно оплачивать.
Отзывы студентов
Ставлю 10/10
Все нравится, очень удобный сайт, помогает в учебе. Кроме этого, можно заработать самому, выставляя готовые учебные материалы на продажу здесь. Рейтинги и отзывы на преподавателей очень помогают сориентироваться в начале нового семестра. Спасибо за такую функцию. Ставлю максимальную оценку.
Лучшая платформа для успешной сдачи сессии
Познакомился со СтудИзбой благодаря своему другу, очень нравится интерфейс, количество доступных файлов, цена, в общем, все прекрасно. Даже сам продаю какие-то свои работы.
Студизба ван лав ❤
Очень офигенный сайт для студентов. Много полезных учебных материалов. Пользуюсь студизбой с октября 2021 года. Серьёзных нареканий нет. Хотелось бы, что бы ввели подписочную модель и сделали материалы дешевле 300 рублей в рамках подписки бесплатными.
Отличный сайт
Лично меня всё устраивает - и покупка, и продажа; и цены, и возможность предпросмотра куска файла, и обилие бесплатных файлов (в подборках по авторам, читай, ВУЗам и факультетам). Есть определённые баги, но всё решаемо, да и администраторы реагируют в течение суток.
Маленький отзыв о большом помощнике!
Студизба спасает в те моменты, когда сроки горят, а работ накопилось достаточно. Довольно удобный сайт с простой навигацией и огромным количеством материалов.
Студ. Изба как крупнейший сборник работ для студентов
Тут дофига бывает всего полезного. Печально, что бывают предметы по которым даже одного бесплатного решения нет, но это скорее вопрос к студентам. В остальном всё здорово.
Спасательный островок
Если уже не успеваешь разобраться или застрял на каком-то задание поможет тебе быстро и недорого решить твою проблему.
Всё и так отлично
Всё очень удобно. Особенно круто, что есть система бонусов и можно выводить остатки денег. Очень много качественных бесплатных файлов.
Отзыв о системе "Студизба"
Отличная платформа для распространения работ, востребованных студентами. Хорошо налаженная и качественная работа сайта, огромная база заданий и аудитория.
Отличный помощник
Отличный сайт с кучей полезных файлов, позволяющий найти много методичек / учебников / отзывов о вузах и преподователях.
Отлично помогает студентам в любой момент для решения трудных и незамедлительных задач
Хотелось бы больше конкретной информации о преподавателях. А так в принципе хороший сайт, всегда им пользуюсь и ни разу не было желания прекратить. Хороший сайт для помощи студентам, удобный и приятный интерфейс. Из недостатков можно выделить только отсутствия небольшого количества файлов.
Спасибо за шикарный сайт
Великолепный сайт на котором студент за не большие деньги может найти помощь с дз, проектами курсовыми, лабораторными, а также узнать отзывы на преподавателей и бесплатно скачать пособия.
Популярные преподаватели
Добавляйте материалы
и зарабатывайте!
Продажи идут автоматически
6951
Авторов
на СтудИзбе
265
Средний доход
с одного платного файла
Обучение Подробнее
{user_main_secret_data}