Для студентов по предмету Детали машин (ДМ)ДВУХСТУПЕНЧАТЫЙ ЦИЛИНДРИЧЕСКИЙ ГОРИЗОНТАЛЬНЫЙ СООСНЫЙ РЕДУКТОРДВУХСТУПЕНЧАТЫЙ ЦИЛИНДРИЧЕСКИЙ ГОРИЗОНТАЛЬНЫЙ СООСНЫЙ РЕДУКТОР
4,9851136
2023-09-062023-09-06СтудИзба
Курсовая работа: ДВУХСТУПЕНЧАТЫЙ ЦИЛИНДРИЧЕСКИЙ ГОРИЗОНТАЛЬНЫЙ СООСНЫЙ РЕДУКТОР
Описание
Характеристики курсовой работы
Предмет
Семестр
Программы
Просмотров
3
Качество
Идеальное компьютерное
Размер
826,01 Kb
Список файлов
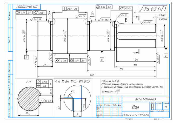
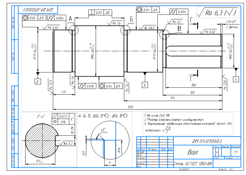
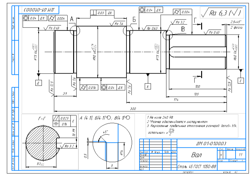
Вал (А3).cdw
Вал (А3).cdw.bak
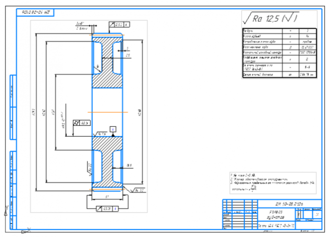
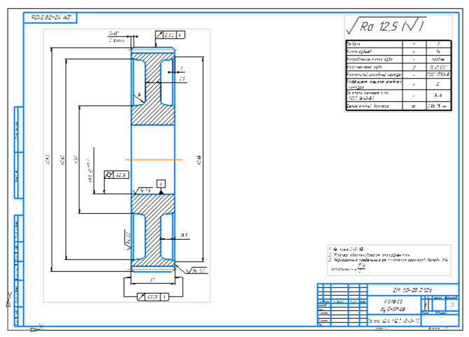
Колесо (А2).cdw
Колесо (А2).cdw.bak
Спецификация (моя).spw
Спецификация (моя).spw.bak
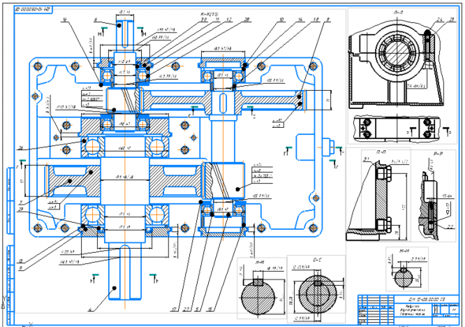
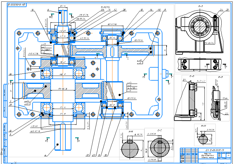
Чертеж (часть 1).cdw
Чертеж (часть 1).cdw.bak
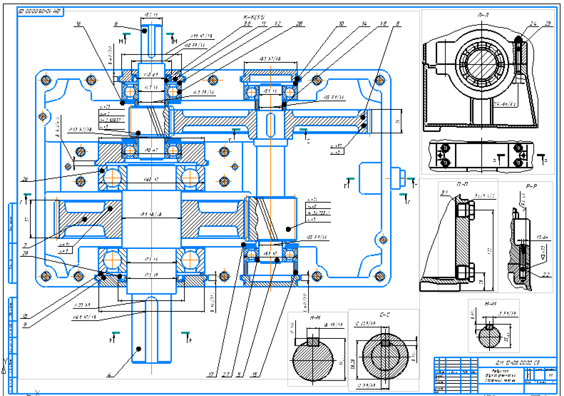
Чертеж (часть 2).cdw
Чертеж (часть 2).cdw.bak
моя пояснительная записка.docx

Спасибо за покупку! Я буду очень рад, если поставишь справедливую оценку купленному файлу