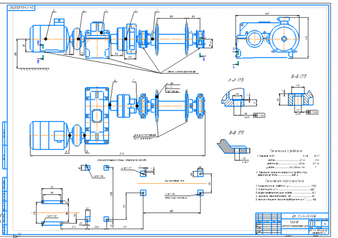
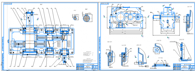
Для студентов МГТУ им. Н.Э.Баумана по предмету Детали машин (ДМ)Привод цепного транспортера с цилиндрическим двухступенчатым редукторомПривод цепного транспортера с цилиндрическим двухступенчатым редуктором
5,0051
2023-09-062023-09-06СтудИзба
Курсовая работа 311: Привод цепного транспортера с цилиндрическим двухступенчатым редуктором вариант 4
Описание
Характеристики курсовой работы
Предмет
Учебное заведение
Семестр
Номер задания
Вариант
Программы
Просмотров
25
Размер
3,05 Mb
Список файлов
ДМ 311 4 вариант!!!_
1 и 2 листы.cdw
1 и 2 листы.cdw.bak
3 лист.cdw
3 лист.cdw.bak
4 лист.cdw
4 лист.cdw.bak
5 лист.cdw
5 лист.cdw.bak
НАТЯГ Колесо, промежуточный вал.xmcd
НАТЯГ Колесо, тихоходный вал.xmcd
Привод цепного транспортёра _ ДМ 311-04.00.00 .spw
Привод цепного транспортёра _ ДМ 311-04.00.00 .spw.bak
Спецификация.spw
Спецификация.spw.bak
муфта new.xmcd
РПЗ.docx

Спасибо за покупку! Я буду очень рад, если поставишь справедливую оценку купленному файлу