Для студентов МГТУ им. Н.Э.Баумана по предмету Детали машин (ДМ)Привод ленточного транспортера - Червячный редукторПривод ленточного транспортера - Червячный редуктор
4,9959474
2023-02-062023-02-06СтудИзба
Курсовая работа 3: Привод ленточного транспортера - Червячный редуктор вариант 3
Описание
ЮСВ 3 "Привод ленточного транспортера - Червячный редуктор"
Все чертежи, спецификации и РПЗ в формате ПДФ
ДМ-ЮСВ003
Препод Синицына Ю.В.
Показать/скрыть дополнительное описание
Все чертежи, спецификации и РПЗ в формате ПДФ
ДМ-ЮСВ003
Препод Синицына Ю.В.












Показать/скрыть дополнительное описание
Привод ленточного транспортера - Червячный редуктор ЮСВ 3 \"Привод ленточного транспортера - Червячный редуктор\" Все чертежи, спецификации и РПЗ в формате ПДФ ДМ-ЮСВ003 Препод Синицына Ю.В. .
Характеристики курсовой работы
Предмет
Учебное заведение
Семестр
Номер задания
Вариант
Программы
Просмотров
29
Качество
Идеальное компьютерное
Размер
2,93 Mb
Список файлов
ЛИСТ1 Редуктор1.PDF
ЛИСТ2 Редуктор2.PDF
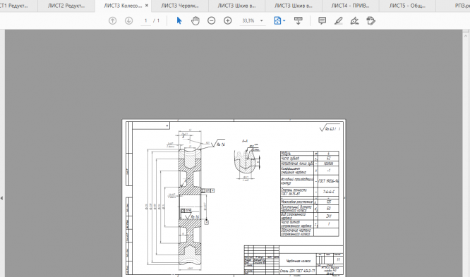
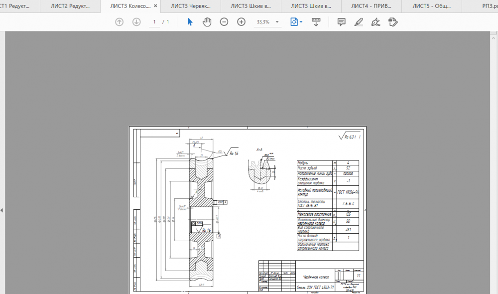
ЛИСТ3 Колесо.PDF
ЛИСТ3 Червяк.pdf
ЛИСТ3 Шкив ведомый.PDF
ЛИСТ3 Шкив ведущий.PDF
ЛИСТ4 - ПРИВОДНОЙ ВАЛ.PDF
ЛИСТ5 - Общий вид.PDF
РПЗ.pdf
Спецификация ЛИСТ 1-2.pdf
Спецификация ЛИСТ 4.pdf
Спецификация ЛИСТ 5.pdf

Ваше экономие времени является моей ГЛАВНОЙ задачей! Если я Вам хоть чуть-чуть помог, пожалуйста, сделайте и мне приятное, оставьте 5 ЗВЁЗД и позитивный комментарий. Большое спасибо!