Для студентов МГТУ им. Н.Э.Баумана по предмету Детали машин (ДМ)Привод ленточного транспортера БДС 1313Привод ленточного транспортера БДС 1313
5,00536
2023-01-302023-01-30СтудИзба
Курсовая работа БДС: Привод ленточного транспортера БДС 1313 вариант 1313
Описание
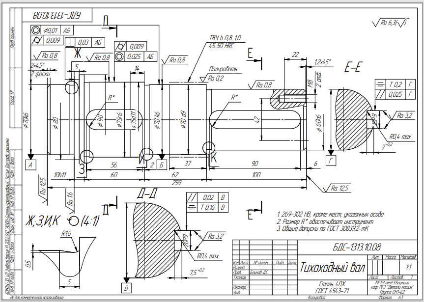
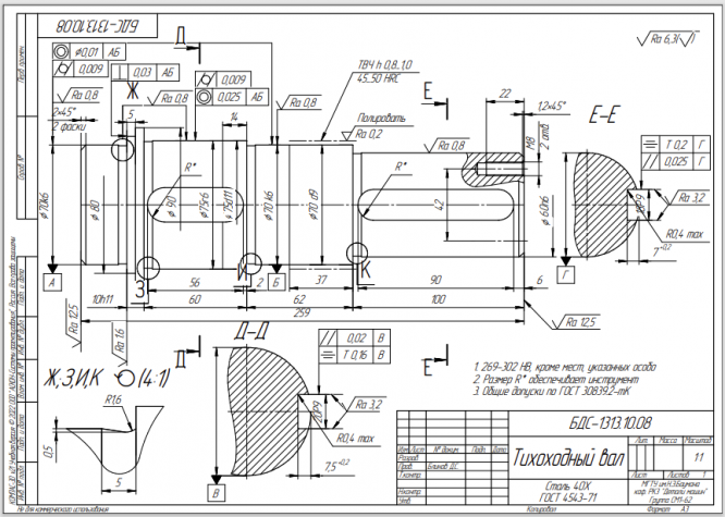
Курсовая работа по предмету "Детали машин", тема - Привод ленточного транспортера. Прилагаются 5 листов (ЛИСТ 1 - Редуктор; ЛИСТ 2 - Редуктор; ЛИСТ 3 - Тихоходный вал, тихоходное колесо и муфта; ЛИСТ 4 - Вал приводной; ЛИСТ 5 - Привод ленточного транспортера), спецификация, а также РПЗ на 44 страницы со всеми расчетами.
Курсовая работа выполнена подробно и качественно.
Курсовая работа выполнена подробно и качественно.
Характеристики курсовой работы
Предмет
Учебное заведение
Семестр
Номер задания
Вариант
Просмотров
46
Размер
6,31 Mb
Список файлов
РПЗ детали машин.docx
ЛИСТ 1.dwg
ЛИСТ 2.dwg
ЛИСТ 3 ВАЛ.dwg
ЛИСТ 3 КОЛЕСО.dwg
ЛИСТ 3 МУФТА.dwg
ЛИСТ 4.dwg
ЛИСТ 5.dwg
ЛИСТ 1.pdf
ЛИСТ 2.pdf
ЛИСТ 3 ВАЛ.pdf
ЛИСТ 3 КОЛЕСО.pdf
ЛИСТ 3 МУФТА.pdf
ЛИСТ 4.pdf
ЛИСТ 5.pdf
Спецификация_привода.pdf
Спецификация_ДМ.pdf
Комментарии
Нет комментариев
Стань первым, кто что-нибудь напишет!
МГТУ им. Н.Э.Баумана



















