Главная » Учебные материалы » Детали машин (ДМ) » Курсовые работы » МГТУ им. Н.Э.Баумана » 6 семестр » Номер ДМ » Вариант 84 » Привод цепного транспортера с коническо-цилиндрическим мотор-редуктором
Для студентов МГТУ им. Н.Э.Баумана по предмету Детали машин (ДМ)Привод цепного транспортера с коническо-цилиндрическим мотор-редукторомПривод цепного транспортера с коническо-цилиндрическим мотор-редуктором
5,0052
2025-04-07СтудИзба

Курсовая работа ДМ: Привод цепного транспортера с коническо-цилиндрическим мотор-редуктором вариант 84

-50%

Описание

Привод цепного транспортера с коническо-цилиндрическим мотор-редуктором

Содержание

  • Техническое задание.
  • Введение.
  • 1. Анализ передаточного механизма.
  • 1.1. Выбор электродвигателя.
  • 1.2. Анализ цилиндрического редуктора.
  • 2. Расчет зубчатых передач на ЭВМ...
  • 2.1. Исходные данные для расчёта на ЭВМ...
  • 2.2. Анализ результатов расчёта на ЭВМ...
  • 3. Эскизное проектирование редуктора.
  • 3.1. Предварительный расчёт валов.
  • 3.1.1. Быстроходный вал.
  • 3.1.2. Промежуточный вал.
  • 3.1.3. Тихоходный вал.
  • 3.2. Определение ориентировочного расстояния между деталями.
  • 3.3. Выбор типа и схемы установки подшипников.
  • 4. Конструирование зубчатых колес.
  • 4.1. Тихоходная ступень.
  • 4.2. Быстроходная ступень.
  • 5. Конструирование подшипниковых узлов.
  • 5.1. Определение реакций в опорах.
  • 5.1.1. Промежуточный вал.
  • 5.1.2. Тихоходный вал.
  • 5.2. Подбор подшипников.
  • 5.2.1. Промежуточный вал.
  • 5.2.2. Тихоходный вал.
  • 6. Расчет соединений..
  • 6.1. Соединение с натягом быстроходного колеса.
  • 6.2. Соединение с натягом тихоходного колеса.
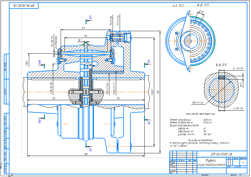
  • 6.3. Шпоночное соединение муфты и тихоходного вала.
  • 6.4. Шпоночное соединение насадной шестерни и вала электродвигателя.
  • 7. Расчет валов на прочность.
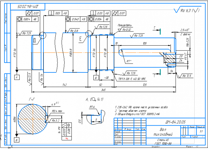
  • 7.1. Тихоходный вал.
  • 7.2. Промежуточный вал.
  • 7.3. Тихоходный вал.
  • 8. Проектирование корпуса, крышек и систем регулировки..
  • 9. Выбор смазки редуктора.
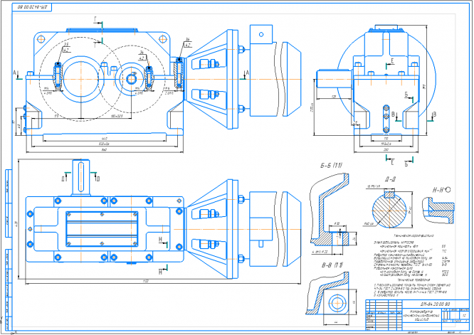
  • 10. Расчет приводного вала.
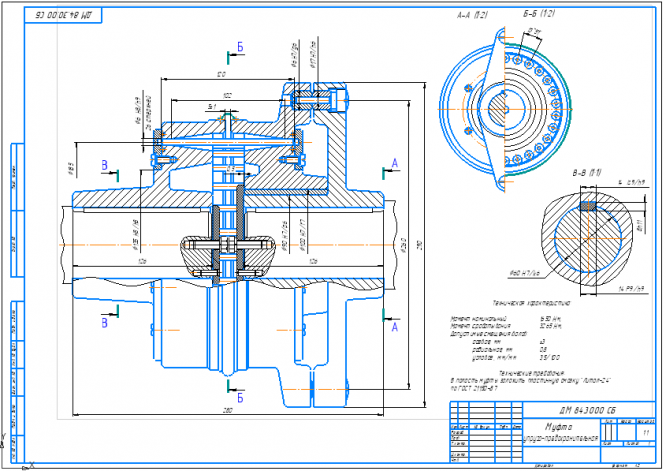
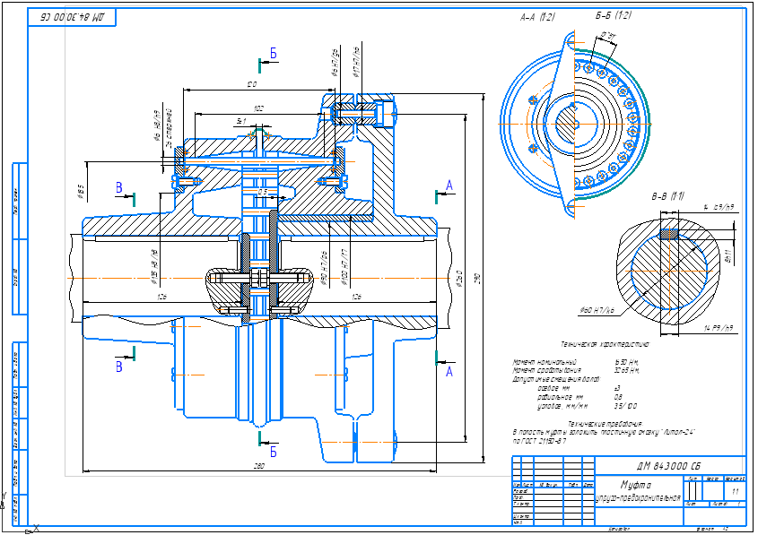
  • 11. Конструирование упруго-предохранительной муфты..
  • Список использованной литературы..
  • Приложение А.
  • Приложение Б.

Введение

В рамках данного проекта, необходимо разработать привод цепного транспортера. Цепной транспортёр предназначен для непрерывной горизонтальной транспортировки штучных грузов.
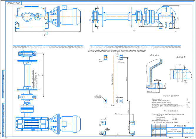
Движение тяговой цепи осуществляется посредством двух звёздочек, смонтированных на приводном валу. Передача вращения на него осуществляется посредством коническо-цилиндрического редуктора и асинхронного электродвигателя. Соединение приводного и тихоходного валов осуществляется посредством упруго-предохранительной муфты. Приводная станция смонтирована на сварной раме транспортёра.
Электропитание осуществляется от сети переменного 3-х фазного тока с частотой 50 Гц и напряжением 380В. Расчетный ресурс 10000 часов при надежности подшипников качения 90%, зубчатых передач 98%. Изготовление мелкосерийное 1000 штук в год

Чертежи

Лист 1-2 - Редуктор цилиндрический

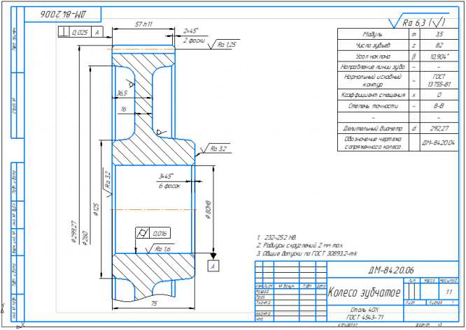
Лист 3 - ( Вал-тихоходный; Колесо зубчатое; Муфта упруго-предохранительная)

Лист 4 - Приводной вал

Лист 5 - Привод цепного транспортера

Файлы условия, демо

Характеристики курсовой работы

Учебное заведение
Семестр
Номер задания
Вариант
Просмотров
86
Качество
Идеальное компьютерное
Размер
3,21 Mb

Список файлов

Привод цепного транспортера с коническо-цилиндрическим мотор--редуктором
Лист 1 - Спецификация.cdw
Лист 1.cdw
Лист 1.pdf
Лист 2.cdw
Лист 2.pdf
Лист 3 - Вал тихоходный.cdw
Лист 3 - Колесо зубчатое.cdw
Лист 3 - Муфта упруго-предохранительная.cdw
Лист 4.cdw
Лист 4.pdf
Лист 5.cdw
Лист 5.pdf
РПЗ.doc
Расчет приводного вала.pdf
Расчет приводного вала.xmcd
Расчеты.pdf
Расчеты.xmcd
Условие.jpg
Картинка-подпись
Вам все понравилось? Получите кэшбэк - 40 рублей на Ваш счёт при покупке. Поставьте оценку и напишите положительный комментарий к купленному файлу. После Вы получите деньги на ваш счет.

Комментарии

Нет комментариев
Стань первым, кто что-нибудь напишет!
Поделитесь ссылкой:
Цена: 5 000 2 490 руб.
Расширенная гарантия +3 недели гарантии, +10% цены
Рейтинг покупателей
5 из 5
Поделитесь ссылкой:
Сопутствующие материалы

Подобрали для Вас услуги

-20%
Вы можете использовать курсовую работу для примера, а также можете ссылаться на неё в своей работе. Авторство принадлежит автору работы, поэтому запрещено копировать текст из этой работы для любой публикации, в том числе в свою курсовую работу в учебном заведении, без правильно оформленной ссылки. Читайте как правильно публиковать ссылки в своей работе.
Свежие статьи
Популярно сейчас
Как Вы думаете, сколько людей до Вас делали точно такое же задание? 99% студентов выполняют точно такие же задания, как и их предшественники год назад. Найдите нужный учебный материал на СтудИзбе!
Ответы на популярные вопросы
Да! Наши авторы собирают и выкладывают те работы, которые сдаются в Вашем учебном заведении ежегодно и уже проверены преподавателями.
Да! У нас любой человек может выложить любую учебную работу и зарабатывать на её продажах! Но каждый учебный материал публикуется только после тщательной проверки администрацией.
Вернём деньги! А если быть более точными, то автору даётся немного времени на исправление, а если не исправит или выйдет время, то вернём деньги в полном объёме!
Да! На равне с готовыми студенческими работами у нас продаются услуги. Цены на услуги видны сразу, то есть Вам нужно только указать параметры и сразу можно оплачивать.
Отзывы студентов
Ставлю 10/10
Все нравится, очень удобный сайт, помогает в учебе. Кроме этого, можно заработать самому, выставляя готовые учебные материалы на продажу здесь. Рейтинги и отзывы на преподавателей очень помогают сориентироваться в начале нового семестра. Спасибо за такую функцию. Ставлю максимальную оценку.
Лучшая платформа для успешной сдачи сессии
Познакомился со СтудИзбой благодаря своему другу, очень нравится интерфейс, количество доступных файлов, цена, в общем, все прекрасно. Даже сам продаю какие-то свои работы.
Студизба ван лав ❤
Очень офигенный сайт для студентов. Много полезных учебных материалов. Пользуюсь студизбой с октября 2021 года. Серьёзных нареканий нет. Хотелось бы, что бы ввели подписочную модель и сделали материалы дешевле 300 рублей в рамках подписки бесплатными.
Отличный сайт
Лично меня всё устраивает - и покупка, и продажа; и цены, и возможность предпросмотра куска файла, и обилие бесплатных файлов (в подборках по авторам, читай, ВУЗам и факультетам). Есть определённые баги, но всё решаемо, да и администраторы реагируют в течение суток.
Маленький отзыв о большом помощнике!
Студизба спасает в те моменты, когда сроки горят, а работ накопилось достаточно. Довольно удобный сайт с простой навигацией и огромным количеством материалов.
Студ. Изба как крупнейший сборник работ для студентов
Тут дофига бывает всего полезного. Печально, что бывают предметы по которым даже одного бесплатного решения нет, но это скорее вопрос к студентам. В остальном всё здорово.
Спасательный островок
Если уже не успеваешь разобраться или застрял на каком-то задание поможет тебе быстро и недорого решить твою проблему.
Всё и так отлично
Всё очень удобно. Особенно круто, что есть система бонусов и можно выводить остатки денег. Очень много качественных бесплатных файлов.
Отзыв о системе "Студизба"
Отличная платформа для распространения работ, востребованных студентами. Хорошо налаженная и качественная работа сайта, огромная база заданий и аудитория.
Отличный помощник
Отличный сайт с кучей полезных файлов, позволяющий найти много методичек / учебников / отзывов о вузах и преподователях.
Отлично помогает студентам в любой момент для решения трудных и незамедлительных задач
Хотелось бы больше конкретной информации о преподавателях. А так в принципе хороший сайт, всегда им пользуюсь и ни разу не было желания прекратить. Хороший сайт для помощи студентам, удобный и приятный интерфейс. Из недостатков можно выделить только отсутствия небольшого количества файлов.
Спасибо за шикарный сайт
Великолепный сайт на котором студент за не большие деньги может найти помощь с дз, проектами курсовыми, лабораторными, а также узнать отзывы на преподавателей и бесплатно скачать пособия.
Популярные преподаватели
Добавляйте материалы
и зарабатывайте!
Продажи идут автоматически
6913
Авторов
на СтудИзбе
267
Средний доход
с одного платного файла
Обучение Подробнее
{user_main_secret_data}