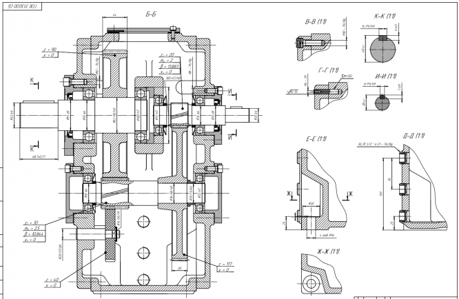
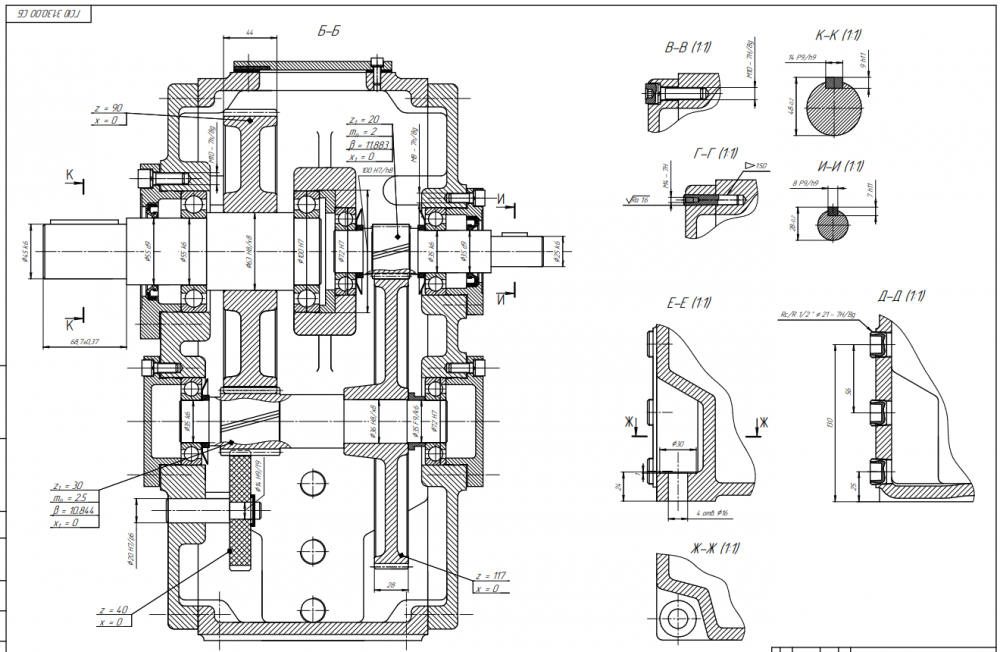
Для студентов МГТУ им. Н.Э.Баумана по предмету Детали машин (ДМ)Курсовик 31 с вертикальным соосным двухступенчатым редуктором, приводным валом и комбинированной муфтойКурсовик 31 с вертикальным соосным двухступенчатым редуктором, приводным валом и комбинированной муфтой
5,0054
2021-06-272021-06-27СтудИзба
Курсовая работа ГСЮ: Курсовик 31 с вертикальным соосным двухступенчатым редуктором, приводным валом и комбинированной муфтой
Описание
Характеристики курсовой работы
Предмет
Учебное заведение
Семестр
Номер задания
Вариант
Просмотров
123
Размер
7,77 Mb
Список файлов
Лист2.cdw
РПЗ.xmcd
Распечатка варианта из ПДМ.doc
Спецификация ОВ.cdw
Спецификация редуктора.cdw
Тихоходный вал.cdw
лист1.cdw
муфта_точно_финал.cdw
общий_вид1.cdw
приводной вал_1.cdw
тихоходное колесо.cdw
МГТУ им. Н.Э.Баумана


















