Для студентов МГТУ им. Н.Э.Баумана по предмету Детали машин (ДМ)Курсовой проект ДМ 222.00.00Курсовой проект ДМ 222.00.00
4,8858692
2021-05-252021-05-25СтудИзба
Курсовая работа ДМ: Курсовой проект ДМ 222.00.00 вариант 222
Описание
Представлен только графический материал, РПЗ отсутствует.
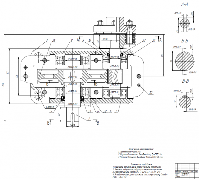
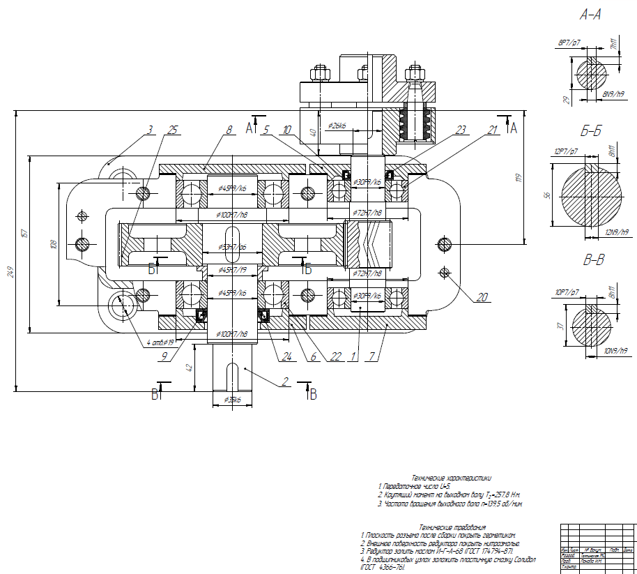
1 лист - Редуктор
2 лист - Редуктор
3 лист - Звездочка с предохранительным устройством, колесо зубчатое, вал
4 лист - Вал приводной
5 лист - Привод
Фрагмент файла:
1 лист - Редуктор
2 лист - Редуктор
3 лист - Звездочка с предохранительным устройством, колесо зубчатое, вал
4 лист - Вал приводной
5 лист - Привод
Фрагмент файла:

Характеристики курсовой работы
Предмет
Учебное заведение
Семестр
Номер задания
Вариант
Просмотров
20
Размер
418,71 Kb
Список файлов
Курсовой проект ДМ 222.00.00 (г.м
1 лист.pdf
2 лист.pdf
3 лист.pdf
4 лист.pdf
5 лист.pdf

НОВИНКА: отчеты по практикам! Поиск - по названию предприятия в тэге. База учебных материалов МГТУ им. Н.Э. Баумана в формате pdf, оригиналы файлов отсутствуют (если иное не оговорено в описании). Вопросы задавайте ДО покупки в комментариях под файлами.