Для студентов МГТУ им. Н.Э.Баумана по предмету Детали машин (ДМ)Курсовой проект 65.05 РПЗ и Листы Привод ленточного транспортерКурсовой проект 65.05 РПЗ и Листы Привод ленточного транспортер
4,855246
2021-02-212021-02-21СтудИзба
Курсовая работа ДМ: Курсовой проект 65.05 РПЗ и Листы Привод ленточного транспортер вариант 65
Описание
Характеристики курсовой работы
Предмет
Учебное заведение
Семестр
Номер задания
Вариант
Теги
Просмотров
49
Размер
3,82 Mb
Список файлов
ДМ 65
plot.log
Курсовой дм динь-Лист4.pdf
Курсовой дм динь-Общий вид- Лист5.pdf
Курсовой дм динь-Спецификаций О.pdf
Курсовой дм динь-Спецификаций Р1.pdf
Курсовой дм динь-Спецификаций Р2.pdf
Курсовой дм динь-Спецификаций Р3.pdf
Курсовой дм динь-приводной вал- Лист 3.pdf
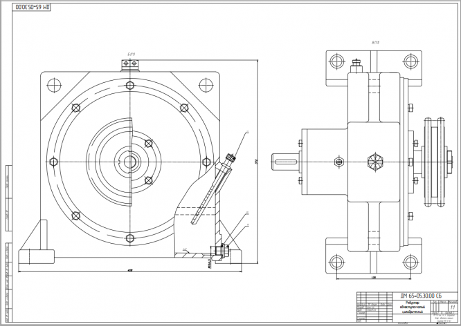
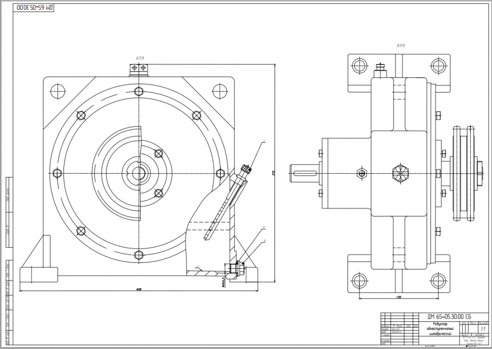
Курсовой дм динь-редуктор 1- Лист 1.pdf
Курсовой дм динь-редуктор 2- Лист 2.pdf
Курсовой дм динь.dwg
Муфта.dwg
Общий вид.dwg
Привод ленточного транспортера.docx
Приводной вал to 3.dwg
Редуктор1.dwg
Редуктор2.dwg
Комментарии
Нет комментариев
Стань первым, кто что-нибудь напишет!
МГТУ им. Н.Э.Баумана















