Для студентов МГТУ им. Н.Э.Баумана по предмету Детали машин (ДМ)КурсачКурсач
5,0053
2021-01-172021-01-17СтудИзба
Курсовая работа: Курсач вариант 83
Описание
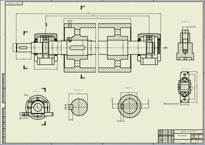
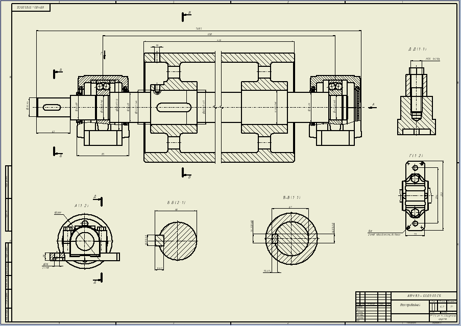
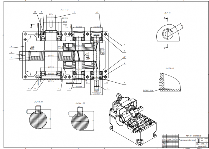
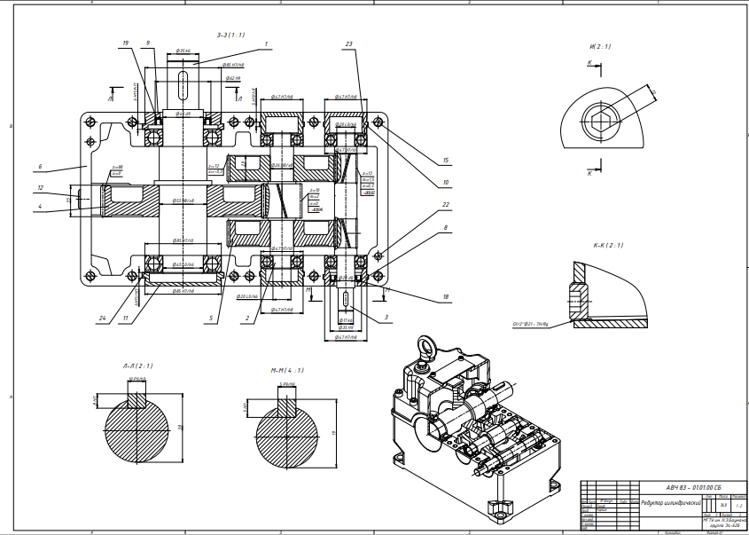
Готовый курсовой проект сданный на 5. Меняете фамилию и можно сдавать. Все чертежи и детали сделаны в инвенторе. Некоторые файлы не нужны, но на всякий случай пусть будут
Характеристики курсовой работы
Предмет
Учебное заведение
Семестр
Вариант
Просмотров
154
Качество
Идеальное компьютерное
Размер
57,04 Mb
Список файлов
курсовой проект
Детали
OldVersions
Подшипник шариковый радиальный однорядный ГОСТ 204.0002.ipt
Подшипник шариковый радиальный однорядный ГОСТ 209.0002.ipt
для корректной работы
OldVersions
Сборка_ЗЕРКАЛО.0003.iam
быстороходный вал_ЗЕРКАЛО.0003.ipt
вал промежуточный_ЗЕРКАЛО.0003.ipt
вал тихоходный_ЗЕРКАЛО.0003.ipt
колесо быстроходное_ЗЕРКАЛО.0004.ipt
колесо быстроходное_ЗЕРКАЛО.0005.ipt
колесо тихоходное_ЗЕРКАЛО1.0002.ipt
корпус_ЗЕРКАЛО.0003.ipt
крышка корпуса_ЗЕРКАЛО.0003.ipt
крышка корпуса_ЗЕРКАЛО.0004.ipt
крышка на входе_ЗЕРКАЛО.0003.ipt
крышка на выходе_ЗЕРКАЛО.0003.ipt
крышка на переходном 1_ЗЕРКАЛО.0003.ipt
крышка на переходном 2_ЗЕРКАЛО.0003.ipt
крышка на тихоходном_ЗЕРКАЛО.0003.ipt
люк_ЗЕРКАЛО.0003.ipt
отдушина_ЗЕРКАЛО.0003.ipt
пробка_ЗЕРКАЛО.0003.ipt
шпонка большая_ЗЕРКАЛО.0003.ipt
шпонка большая_ЗЕРКАЛО.0004.ipt
шпонка маленькая_ЗЕРКАЛО.0003.ipt
шпонка маленькая_ЗЕРКАЛО.0004.ipt
Сборка_ЗЕРКАЛО.iam
быстороходный вал_ЗЕРКАЛО.ipt
МГТУ им. Н.Э.Баумана
StudBomonka



















