Для студентов МГТУ им. Н.Э.Баумана по предмету Детали машин (ДМ)Привод элеватора с двухступенчатым цилиндрическим соосным однопоточным мотор-редукторомПривод элеватора с двухступенчатым цилиндрическим соосным однопоточным мотор-редуктором
5,00510
2018-06-062025-04-07СтудИзба
Курсовая работа ДМ: Привод элеватора с двухступенчатым цилиндрическим соосным однопоточным мотор-редуктором вариант 1511
-50%
Описание
Привод элеватора с двухступенчатым цилиндрическим соосным однопоточным мотор-редуктором - ДМ-1511 ![]()
Содержание
- Введение 3
- 1 Анализ передаточного механизма 4
- 2 Предварительные результаты вычислений на ЭВМ и их анализ 5
- 2.1 Расчет цилиндрической зубчатой передачи 6
- 2.2 Выбор варианта редуктора 7
- 3 Эскизное проектирование редуктора 8
- 3.1 Предварительный расчёт валов 9
- 3.1.1 Быстроходный вал 9
- 3.1.2 Промежуточный вал 9
- 3.1.3. Тихоходный вал 9
- 3.2 Определение ориентировочного расстояния между деталями 9
- 3.3 Выбор типа и схемы установки подшипников 9
- 3.3.1 Промежуточный вал 9
- 3.3.2 Тихоходный вал 10
- 3.3.3 Приводной вал 10
- 4 Конструирование зубчатых колёс 10
- 4.1 Быстроходная ступень 10
- 4.2 Тихоходная ступень 10
- 5 Расчёт валов на прочность 10
- 5.1 Тихоходный вал 10
- 5.2 Быстроходный вал 15
- 5.3 Промежуточный вал 17
- 5.4 Приводной вал 20
- 6. Подбор подшипников на заданный ресурс. 21
- 6.1 Промежуточный вал 21
- 6.2 Тихоходный вал 23
- 6.3 Быстроходный вал 25
- 6.4 Приводной вал 27
- 7.2 Посадка подшипников 27
- 7.2.1 Промежуточный вал 27
- 7.2.2 Тихоходный вал 27
- 7.3 Шпоночные соединения 28
- 7.3.1 Быстроходный вал 28
- 7.3.2 Тихоходный вал 28
- 7.3.3 Приводной вал 29
- 8 Проектирование корпуса, крышек и систем регулировки 29
- 9 Выбор смазки редуктора 30
- 10 Подбор муфты 31
- Список используемой литературы 32
Введение
В рамках данного проекта, необходимо разработать привод элеватора, состоящего из асинхронного электродвигателя, двухступенчатого цилиндрического соосного однопоточного редуктора с осями валов, расположенными в горизонтальной плоскости, компенсирующей упругой муфты, а так же из приводного вала с барабанов.Элеватор - устройство, предназначенное для подъёма жидкостей (подливное водяное колесо) или сыпучих материалов в вертикальном направлении.
Редуктор может применяться в различных устройствах, помимо данного. В редукторе используются: цилиндрическая передача с косозубыми колесами. Характер косозубого цилиндрического зацепления отличается от прямозубого тем, что зубья косозубого колеса входят в контакт с зубьями сопрягаемого колеса не по всей длине, а плавно и последовательно, что придает такой передаче еще одно достоинство – плавность и относительная бесшумность работы. При этом, чем больше угол наклона зубьев, тем выше плавность зацепления. Еще одно преимущество косого расположения зубьев на колесах – в зацеплении участвуют сразу несколько зубьев, плавно передавая нагрузку от одного к другому. По этой причине несущая способность косозубой цилиндрической передачи дополнительно повышается.
В данном случае, имеется конструкция, работающая от трёхфазного асинхронного электродвигателя мощностью 5.5 кВт и синхронной частотой вращения 1000 об/мин.
Среди недостатков таких передач необходимо отметить повышенные требования к точности изготовления, шум при больших скоростях, высокую жесткость, не позволяющую компенсировать динамические нагрузки. Однако отмеченные недостатки не снижают существенного преимущества зубчатых передач перед другими. Вследствие своих достоинств, они широко распространены во всех отраслях машиностроения.
Исходным документом для проектирования является техническое задание. Проектирование проводилось с учётом основных принципов:
- Все детали и сборочные единицы должны обладать одинаковой степенью соответствия требованиям надёжности, точности, жёсткости и прочности;
- Конструируемое изделие должно иметь рациональную компоновку сборочных единиц, обеспечивающую малые габариты, удобство сборки;
- Конструируемое изделие должно соответствовать требованиям унификации и стандартизации;
На этой стадии расчёт изделия выполняется одновременно с вычерчиванием элементов конструкции. Разработка проекта проводилась с использованием ЭВМ.
Чертежи
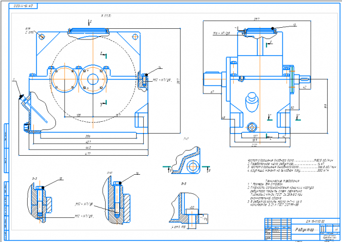
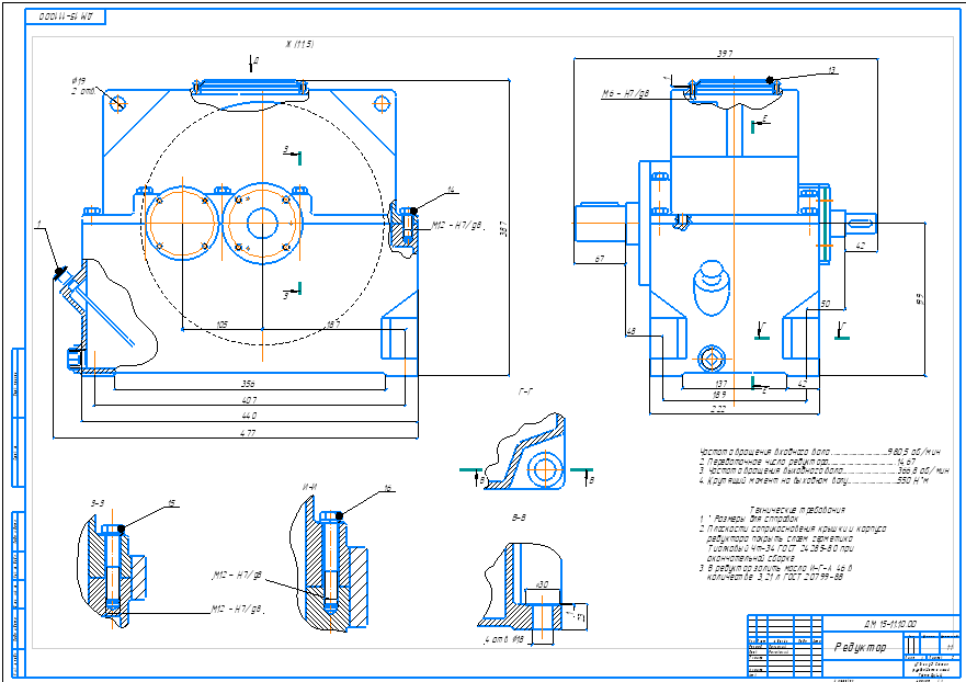
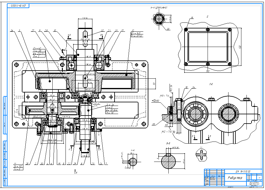
Лист 1,2 - Редуктор + Спецификация ![]()
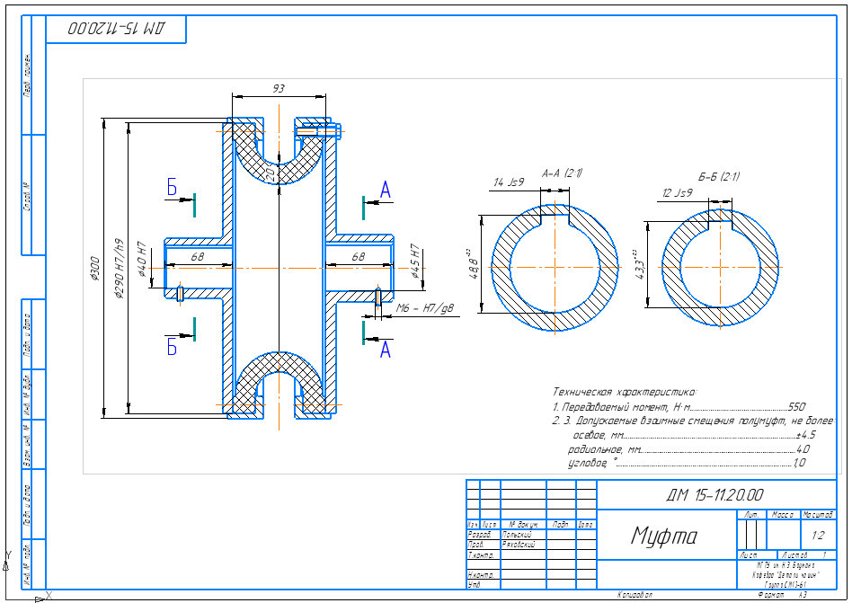
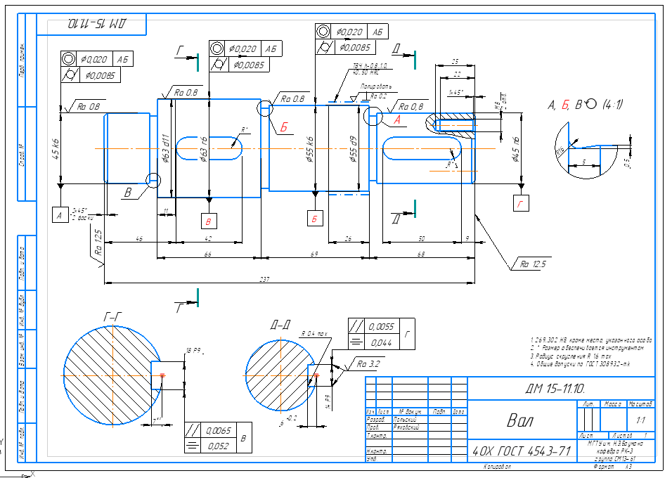
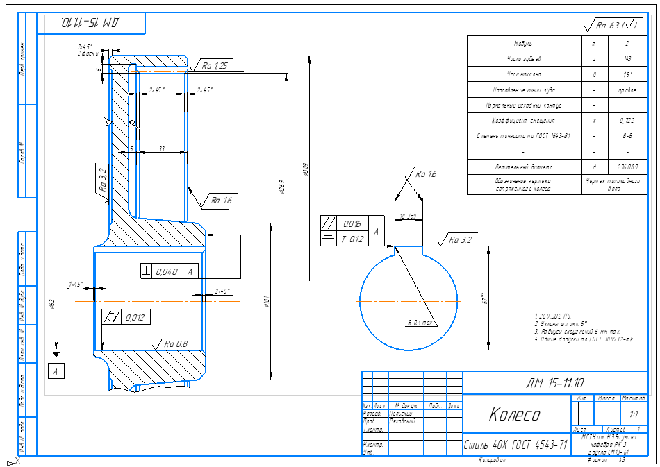
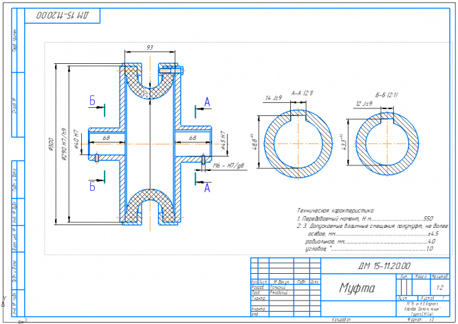
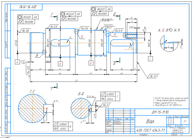
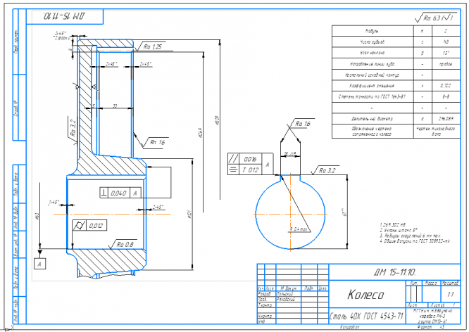
Лист 3 - Деталировка (Колесо тихоходное; Вал тихоходный; Муфта) ![]()
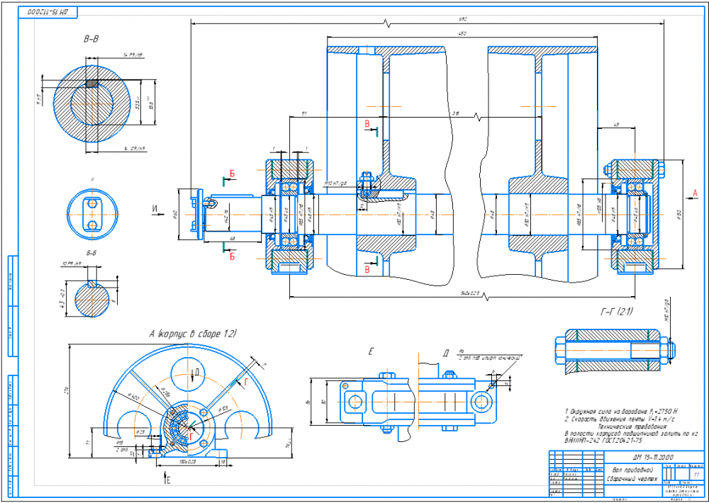
Лист 4 - Приводной вал ![]()
Лист 5 - Привод элеватора + Спецификация ![]()
Файлы условия, демо
Характеристики курсовой работы
Предмет
Учебное заведение
Семестр
Номер задания
Вариант
Программы
Просмотров
1078
Качество
Идеальное компьютерное
Размер
25,35 Mb
Список файлов
Привод элеватора с двухступенчатым цилиндрическим соосным однопоточным мотор-редуктором
Расчеты
~$дшипники.cd~
Быстрохожное колесо.JPG
Вал Б.JPG
Вал Б.cdw
Вал П.JPG
Вал П.cdw
Вал Т.JPG
Вал Т.cdw
Двигатель.JPG
Корпум и крышка Т.JPG
Крыщки Б и П.JPG
Подшипник 1.JPG
Подшипник 2.JPG
Подшипник 3.JPG
Подшипник 4.JPG
Подшипник 5.JPG
Подшипники.cdw
Приводной вал.cdw
Расчеты (1).JPG
Расчеты (2).JPG
Тихоходное колесо.JPG
Условие 1.JPG
графики.mcd
пример из атласа.JPG
расчет валов.JPG
Спецификация
ДМ 15-11.00.00.pdf
ДМ 15-11.00.00.spw
Спецификация.pdf

Вам все понравилось? Получите кэшбэк - 40 рублей на Ваш счёт при покупке. Поставьте оценку и напишите положительный комментарий к купленному файлу. После Вы получите деньги на ваш счет.