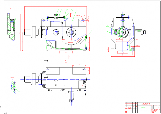
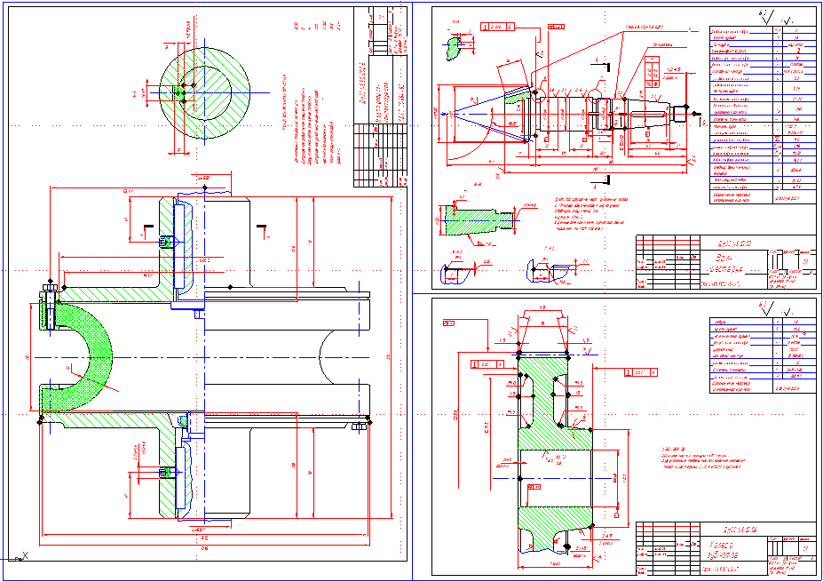
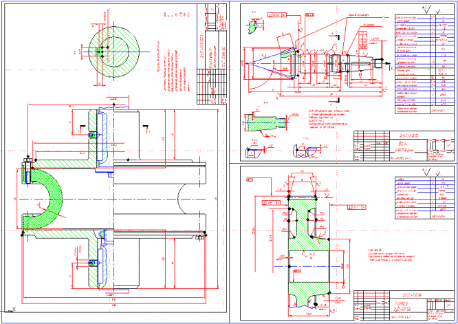
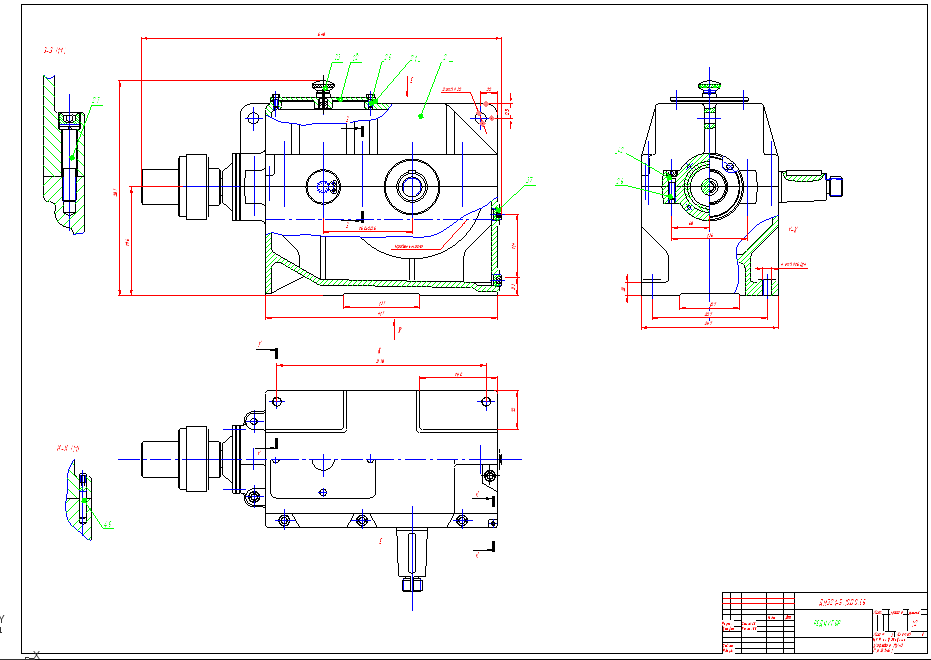
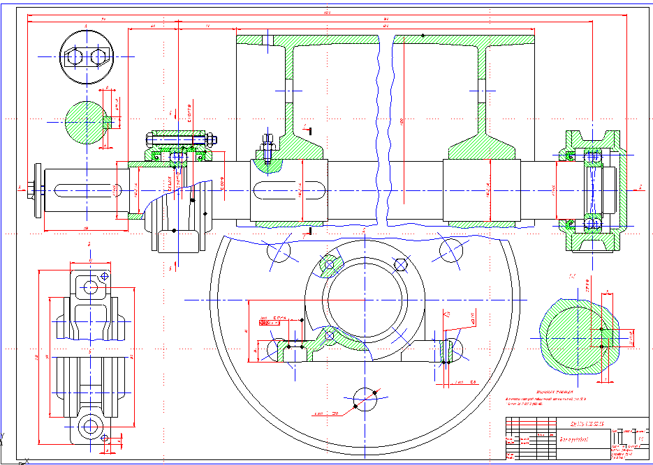
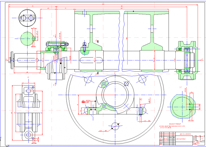
Для студентов МГТУ им. Н.Э.Баумана по предмету Детали машин (ДМ)Курсач 321 (червячный редуктор) листы без РПЗКурсач 321 (червячный редуктор) листы без РПЗ
4,78522264
2013-10-192013-10-19СтудИзба
Курсовая работа ДМ: Курсач 321 (червячный редуктор) листы без РПЗ вариант 321
Описание
Характеристики курсовой работы
Предмет
Учебное заведение
Семестр
Номер задания
Вариант
Просмотров
1802
Качество
Идеальное компьютерное
Размер
1,4 Mb
Список файлов
321
DM1 (2).DWG
DM1.bak
DM1.dwg
DM1.frw
DM2.DWG
DM2.frw
DM3.DWG
DM3.dwl
DM4.DWG
DM4.frw
DM5.DWG
Specification.dwg
Specification.dwl
Specification.dwl2
Specification.frw
list3 (2).cdw
list3.cdw
Лист1 (2).dwg
Лист1.bak
Лист1.dwg

Зарабатывай на студизбе! Просто выкладывай то, что так и так делаешь для своей учёбы: ДЗ, шпаргалки, решённые задачи и всё, что тебе пригодилось.
Начать зарабатывать
Начать зарабатывать