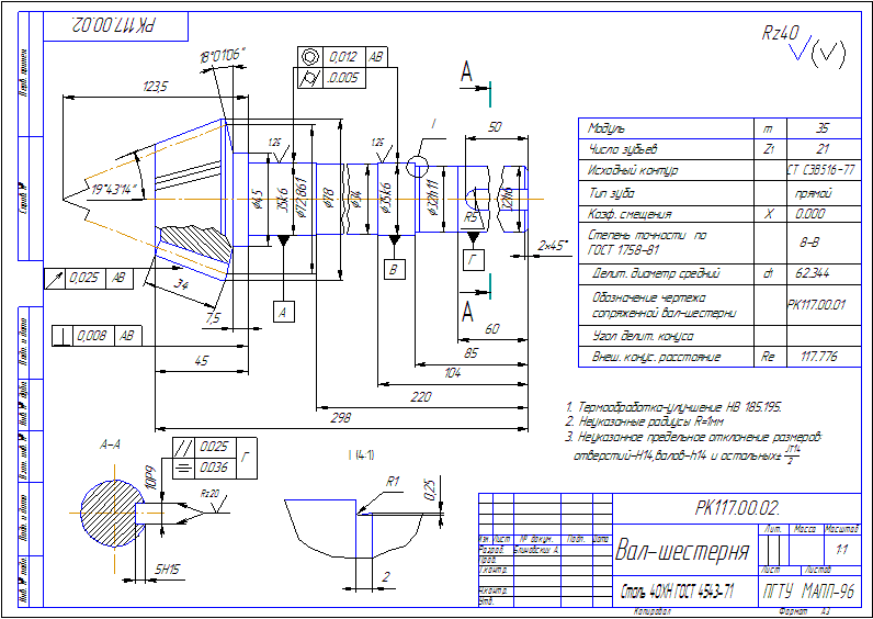
Задача: Воспроизвести показанный на изображении слева чертёж в программной среде Компас 13 или более поздней версии.
Описание
Характеристики решённой задачи
Предмет
Просмотров
951
Качество
Идеальное компьютерное
Размер
10,65 Kb
Список файлов
Вал-шестерня 1.cdw
Комментарии
Нет комментариев
Стань первым, кто что-нибудь напишет!





















