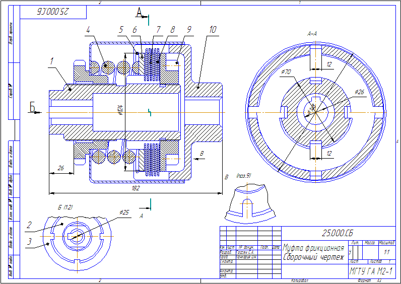
Для студентов по предмету ЧерчениеСоздать чертёж в программе "Компас 13":Муфта фрикционная многодисковая. Сборочный чертёж +Создать чертёж в программе "Компас 13":Муфта фрикционная многодисковая. Сборочный чертёж +
4,805357
2014-08-112025-05-22СтудИзба
Задача: Создать чертёж в программе "Компас 13":Муфта фрикционная многодисковая. Сборочный чертёж +
Описание
Муфта фрикционная многодисковая. Сборочный чертёж + спецификация.
Работа студента МГТУ ГА
Характеристики решённой задачи
Предмет
Просмотров
2884
Качество
Идеальное компьютерное
Размер
13,79 Kb
Список файлов
Муфта фрикционная (спецификация).cdw
Муфта фрикционная.cdw
Комментарии
Нет комментариев
Стань первым, кто что-нибудь напишет!






















