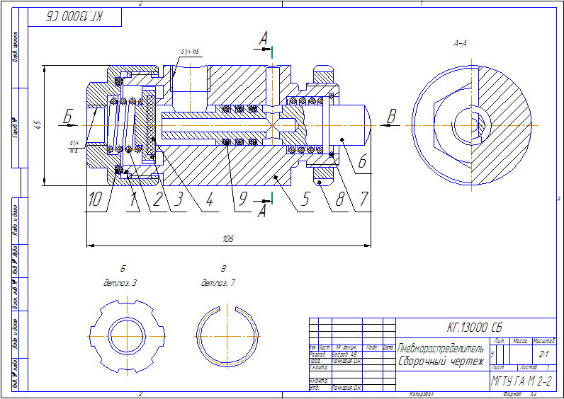
Для студентов по предмету ЧерчениеВыполнить чертёж в программе "Компас":Пневмораспределитель путевой (чертёж +Выполнить чертёж в программе "Компас":Пневмораспределитель путевой (чертёж +
4,805357
2014-08-112025-05-22СтудИзба
Задача: Выполнить чертёж в программе "Компас":Пневмораспределитель путевой (чертёж +
Описание
Пневмораспределитель путевой (чертёж + спецификация).
Студенческая работа, МГТУ ГА, выполнена в Компас.
Характеристики решённой задачи
Предмет
Просмотров
2085
Качество
Идеальное компьютерное
Размер
13,63 Kb
Список файлов
Пневмораспределитель (спецификация).cdw
Пневмораспределитель.cdw
Комментарии
Нет комментариев
Стань первым, кто что-нибудь напишет!
























