Для студентов МГТУ им. Н.Э.Баумана по предмету Безопасность жизнедеятельности (БЖД и ГРОБ или ОБЖ)Вариант 1 - ДЗ №1 - Расчет вентиляцииВариант 1 - ДЗ №1 - Расчет вентиляции
5,00515
2021-04-132021-04-13СтудИзба
ДЗ: Вариант 1 - ДЗ №1 - Расчет вентиляции вариант 1
Описание
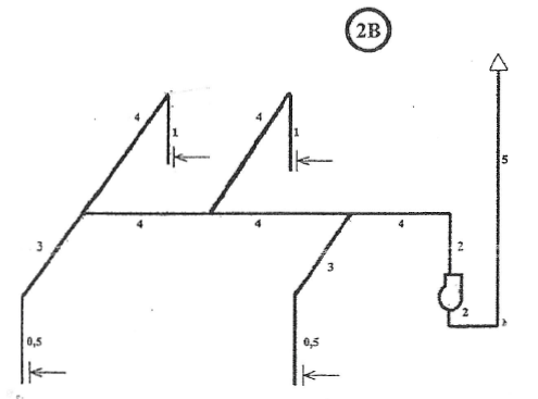
ДЗ №1. Задание I-2В "Расчет системы общеобменной вентиляции". Сдано Старостину И.И. в 2021 году.
Выполнено в Word. Дополнительно приложены методические указания к выполнению ДЗ.
![]()
Выполнено в Word. Дополнительно приложены методические указания к выполнению ДЗ.

Характеристики домашнего задания
Учебное заведение
Семестр
Вариант
Просмотров
311
Качество
Идеальное компьютерное
Размер
31,48 Mb
Список файлов
BZhD_-_Metod_ukaz_k_DZ.pdf
ДЗ 1 по БЖД.docx
МГТУ им. Н.Э.Баумана



















