Для студентов МГТУ им. Н.Э.Баумана по предмету Аппаратные средства вычислительной техникиАСВТ Реле времени в ProteusАСВТ Реле времени в Proteus
5,0051
2024-06-242025-04-03СтудИзба
Ответы к экзамену: АСВТ Реле времени в Proteus
Описание
Задача к экзамену по предмету: "Аппаратные Средства Вычислительной Техники"
Тема: "Реле времени в программе Proteus"
В архив входят:
- схема в Proteus
- пояснения
- все исходные файлы
- коды программ к микроконтроллерам
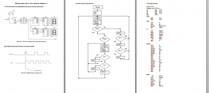
Нижняя кнопка - сброс(переводит питание с микроконтроллера на землю). Её требуется нажимать после каждого запуска реле, причем либо долгое "зажимание" кнопки, либо два раза
Верхняя кнопка запускает реле. После семи секунд, ключ снизу замыкается.
Реле времени — реле, предназначенное для создания независимой выдержки времени и обеспечения определённой последовательности работы элементов схемы. Реле времени применяется в случаях, когда необходимо автоматически выполнить какое-то действие не сразу после появления управляющего сигнала, а через установленный промежуток времени.
![]()
Тема: "Реле времени в программе Proteus"
В архив входят:
- схема в Proteus
- пояснения
- все исходные файлы
- коды программ к микроконтроллерам
Нижняя кнопка - сброс(переводит питание с микроконтроллера на землю). Её требуется нажимать после каждого запуска реле, причем либо долгое "зажимание" кнопки, либо два раза
Верхняя кнопка запускает реле. После семи секунд, ключ снизу замыкается.
Реле времени — реле, предназначенное для создания независимой выдержки времени и обеспечения определённой последовательности работы элементов схемы. Реле времени применяется в случаях, когда необходимо автоматически выполнить какое-то действие не сразу после появления управляющего сигнала, а через установленный промежуток времени.





Характеристики ответов (шпаргалок) к экзамену
Учебное заведение
Просмотров
10
Размер
75,71 Kb
Список файлов
Last Loaded dz511(plnew).DBK
NEW211.ERR
NEW211.HEX
NEW211.LST
NEW211.O
NEW211.SDI
NEW211.asm
dz511(plnew).DSN
dz511(plnew).PWI
dz511(plnew).pdsprj.VCMP.vircom.workspace.xml
ПОЯСНЕНИЕ Реле времени.txt
реле времени.doc