курсовая Вариант №6 (999148)
Текст из файла
Московский авиационный институт
(Государственный технический университет) «МАИ»
Факультет радиоэлектроники летательных аппаратов
Кафедра 403 «Электронно-вычислительные средства и информатика»
Расчётно-графическая работа по курсу
«Вычислительные системы и микропроцессорная техника»
Синтез комбинационных схем
Выполнил: студент гр. 04-427
Баклашов И. С.
Проверил: доцент
Щеглов А.В.
Москва, 2010 г.
Оглавление
-
Задание на проектирование………………………………………………..3
-
Уточнение задания…………………………………………………………4
-
Разработка схемы алгоритма и составление операционного описания ..7
-
Составление операционного описания…………………………………...9
-
Разработка функциональной схемы устройства………………………..12
-
Построение управляющего автомата с жесткой логикой………………13
-
Сокращенная таблица переходов и выходов автомата Мили………….18
-
Построение УА с программируемой логикой…………………………..21
-
Структурная схема УА с естественной адресацией…………………….24
-
Список литературы…………………………...………………………….25
Задание на проектирование
Вариант №6
Даны два параллельных кода A{1:32} и B{1:32}. Сформировать коды номеров совпавших разрядов и подсчитать их количество.
Уточнение задания
Первоначальная формулировка задания выглядит следующим образом: даны два параллельных кода A{1:32} и B{1:32}. Сформировать коды номеров совпавших разрядов и подсчитать их количество.
Такая формулировка является явно недостаточной, задание требует дополнительной информации.
Примем, что источник входного кода гарантирует правильность выставленной информации во время действия стробирующего импульса СТРОБ, а само устройство подтверждает выдачу кода номеров совпавших разрядов и номера разрядов, в которых совпадают значения разрядов двух параллельных кодов кода A{1:32} и B{1:32}, генерацией импульсов считывания УСЧИТ_КОЛ и УСЧИТ_НОМ.
Будем считать, что смена кодов осуществляется по положительному фронту импульсов ГИ, длительность импульсов СТРОБ и УСЧ равны периоду тактовой последовательности и положительные фронты этих импульсов появляются вслед за положительным фронтом импульсов ГИ.
Далее определим разрядности выходных кодов. Выходной код НОМКОД{1:k} по заданию равен номерам кодов совпавших разрядов двух параллельных кодов A{1:32} и B{1:32}. Заметим, что наибольшим значением номера кода совпавшего разряда, который мы можем получить, является самый старший разряд равный 32, что потребует формирование шестиразрядного выходного кода НОМКОД{1:6}, так как (32)10=(100000)2, что потребует шестиразрядной шины.
Выходной код КОЛИЧ{1:k} по заданию равен количеству совпавших разрядов двух параллельных кодов A{1:32} и B{1:32}. Заметим, что в случае совпадений всех разрядов двух параллельных кодов, мы имеем максимальное количество совпавших разрядов равное 32, что потребует формирование шестиразрядного выходного кода КОЛИЧ{1:6}, так как (32)10=(100000)2 ,что потребует шестиразрядной выходной шины.
Итак, задание на проектирование может быть выражено в виде функциональной схемы и эпюр напряжения, изображенных на рис. 1. Входные данные приходящие по двум параллельным кодам сопровождаются управляющим сигналом СТРОБ (передний фронт сигнала СТРОБ совпадает с установившимися сигналами на шинах A и В). Выходные данные КОЛИЧ{1:6}, формируемые устройством, сопровождаются управляющим сигналом УСЧ_КОЛ, чтобы последующие устройства знали в какой момент времени необходимо считать результат работы нашего устройства. Выходные данные НОМКОД{1:6}, формируемые устройством, также сопровождаются управляющим сигналом УСЧИТ_НОМ (передний фронт сигнала УСЧИТ_НОМ совпадает с установившимся сигналом на шине НОМКОД). Считывание данных происходит по переднему фронту управляющих сигналов.
Разработка схемы алгоритма и составление операционного описания
Примем, что два параллельных кода А и В записываются в сдвигающий регистр РГД, который обеспечивает просмотр всех разрядов кодов А и В, начиная с первого. Это организуется засылкой в разряд РГД{1} значений разрядов РГД{2}, РГД{3} и т.д. путем сдвига кода регистра на один разряд влево. Будем подсчитывать число совпавших разрядов в счетчике количества СЧ_КОЛ{1:6}. Выходной код из счетчика СЧ_КОЛ{1:6} будем подавать на шину КОЛИЧ{1:6}. Номера разрядов, в которых произошло совпадение будем считать в счётчике номеров СЧ_НОМ{1:6}. Выходной код будем из счетчика СЧ_НОМ{1:6} подавать на шину НОМКОД{1:6}.
Работу устройства организуем следующим образом. В начале ожидаем прихода управляющего сигнала СТРОБ, как только СТРОБ пришел - обнулим содержимое счетчика единиц и запишем результат сложения по модулю два двух кодов А и В в РГД. В случае если РГД==0 завершаем процесс анализа. Проанализируем значение первого разряда регистра РГД (РГД {1:1}). Если он содержит единицу, то произведем счет числа комбинаций и подготовим устройство к работе в следующем цикле - сдвинем содержимое регистра РГД влево на один разряд, с записью в освободившийся разряд нуля, и увеличим содержимое счётчика номера разряда на единицу. Проверим, не равен ли РГД нулю. Если РГД равен 0, то закончим процесс, если нет - продолжим его для следующего разряда входного кода.
Завершение работы устройства связано с просмотром количества разрядов, что определяется появлением признака РГД==0.
Схема алгоритма преобразования изображена ниже.
НЕТ
ДА
НЕТ
ДА
НЕТ
Есть
Данный алгоритм может быть адаптирован в алгоритм функционирования операционного устройства, если его шаги будут выражены в терминах работы операционных элементов.
Составление операционного описания
МИКРОПРОГРАММА 1
ПЕРЕМЕННЫЕ
ВХОДНЫЕ: A {1:32}, B {1:32}, СТРОБ;
ВНУТРЕННИЕ: РГД {1:32}, СЧ_НОМ{1:6}, СЧ_КОЛ{1:6},
ГОТ;
ВЫХОДНЫЕ: КОЛИЧ{1:6}= СЧ_КОЛ{1:6}, НОМКОД{1:6}=
СЧ_НОМ{1:6}, УСЧ_НОМ, УСЧ_КОЛ, УГОТ;
ПРИЗНАКИ
Р2= РГД{1:32}==0;
УПРАВЛЯЮЩИЕ СИГНАЛЫ: УЗАП1, УЗАП2, УСЧ_НОМ, УСЛОЖ,
УСЧ_КОЛ, УГОТ, УН1, УН2, УСЧКОЛ, УСЧНОМ, УСДВ, ГОТ;
ПРОЦЕДУРА
УГОТ: ГОТ:=1
М1 ЕСЛИ Р1, ТО М1;
УСЛОЖ: РГД:=РГА mod2 РГВ;
УН1: СЧ_КОЛ:=0;
УН2: СЧ_НОМ:=0;
УСБР: ГОТ:=0;
М2 ЕСЛИ Р2, ТО М4;
ЕСЛИ Р3, ТО М3;
УСЧКОЛ: СЧ_КОЛ:=СЧ_КОЛ+1;
УСЧИТ_НОМ:;
М3 УСДВ: РГД:=РГД{2:48}.0;
УСЧНОМ: СЧ_НОМ= СЧ_НОМ+1;
ИДТИ К М2;
М4 УСЧИТ_КОЛ:;
УГОТ: ГОТ:=1;
КОНЕЦ.
Оптимизируем микропрограмму 1, путем обозначения эквивалентных сигналов: УЗП =УН1=УН2=УСБР;
УСДВ_СЧ=УСДВ= УСЧНОМ;
МИКРОПРОГРАММА 2
ПЕРЕМЕННЫЕ
ВХОДНЫЕ: A {1:32}, B {1:32}, СТРОБ;
ВНУТРЕННИЕ: РГД {1:32}, СЧ_НОМ{1:6}, СЧ_КОЛ{1:6},
ГОТ;
ВЫХОДНЫЕ: КОЛИЧ{1:6}= СЧ_КОЛ{1:6}, НОМКОД{1:6}=
СЧ_НОМ{1:6}, УСЧ_НОМ, УСЧ_КОЛ, ГОТ;
ПРИЗНАКИ
УПРАВЛЯЮЩИЕ СИГНАЛЫ: УЗП1,УГОТ, УСЧИТ_НОМ,
УСДВ_СЧ, УСЧИТ_КОЛ;
ПРОЦЕДУРА
УГОТ:;
М1 ЕСЛИ Р1, ТО М1;
УЗП: СЧ_КОЛ:=0, СЧ_НОМ:=0, ГОТ:=0;
РГД:=А mod2 В;
М2 ЕСЛИ Р2, ТО М4;
ЕСЛИ Р3, ТО М3;
УСЧИТ_НОМ: СЧ_КОЛ:=СЧ_КОЛ+1;
М3 УСДВ_СЧ: РГД:=РГД{2:48}.0, СЧ_НОМ= СЧ_НОМ+1;
ИДТИ К М2;
М4 УСЧИТ_КОЛ: ;
УГОТ: ГОТ:=1;
КОНЕЦ.
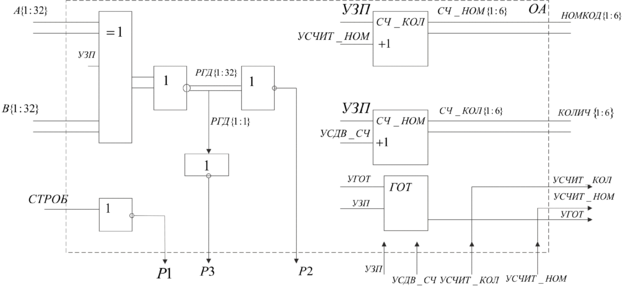
Разработка функциональной схемы устройства.
Функциональная схема операционного автомата (ОА), составленная в соответствии с микропрограммой 2:
Устройство ГОТ устанавливает выходной сигнал УГОТ в положение 1 или 0 в зависимости от входного управляющего сигнала. Управляющий автомат генерирует управляющие сигналы сдвига УСДВ до момента появления признака обнуления Р2, после чего формирует импульсы считывания УСЧИТ_НОМ и УСЧИТ_КОЛ. Управляющий автомат может быть построен как с жесткой логикой, так и с программируемой логикой.
Построение управляющего автомата с жесткой логикой
Кодированная граф-схема алгоритма
1
0
0
0
1
1
Конечный автомат может быть построен и как автомат Мура, и как автомат Мили. Построение графов переходов и выходов УА осуществляется на основании отмеченных граф-схем алгоритмов. Выбор автомата Мура или Мили определяется минимальным числом состояний.
Автомат Мура
Отмеченная граф-схема алгоритма:
а0
а1
а2
1
0
а3
Характеристики
Тип файла документ
Документы такого типа открываются такими программами, как Microsoft Office Word на компьютерах Windows, Apple Pages на компьютерах Mac, Open Office - бесплатная альтернатива на различных платформах, в том числе Linux. Наиболее простым и современным решением будут Google документы, так как открываются онлайн без скачивания прямо в браузере на любой платформе. Существуют российские качественные аналоги, например от Яндекса.
Будьте внимательны на мобильных устройствах, так как там используются упрощённый функционал даже в официальном приложении от Microsoft, поэтому для просмотра скачивайте PDF-версию. А если нужно редактировать файл, то используйте оригинальный файл.
Файлы такого типа обычно разбиты на страницы, а текст может быть форматированным (жирный, курсив, выбор шрифта, таблицы и т.п.), а также в него можно добавлять изображения. Формат идеально подходит для рефератов, докладов и РПЗ курсовых проектов, которые необходимо распечатать. Кстати перед печатью также сохраняйте файл в PDF, так как принтер может начудить со шрифтами.
















