КП Филиков (991050)
Текст из файла
Оглавление:
Введение………………………………………………………………….….2
Цель работы………………………………………………………….……..3
Задание………………………………………………………………………3
Данные………………………………………………………………………4
Расчет положение уровня Ферми………………………………………..4
Расчет и построение энергетических диаграмм структуры при
U=0, U>0, U<0……………………………………………………………….6
Расчет зависимости ОПЗ от величины приложенного напряжения…………..……………………………………………………..7
Расчет и построение ВАХ структуры при нескольких температурах……………………………………………………………….9
Расчет и построение (x), n(x), E(x), (x), C=f(x)………………………11
Описание инжекционной способности полученного перехода…...…14
Выбор соответствующего материала для создания омического контакта к полученной структуре………………………………………………….15
Выбор соответствующего металла для создания запорного слоя.….16
Введение:
Контакты полупроводников с металлом играют важную роль в полупроводниковых приборах; они участвуют практически во всех исследованиях физических свойств полупроводников. В одних случаях такие контакты являются активными элементами, определяющими полезные свойства полупроводникового прибора, в других — пассивными, роль которых сводится к подведению электрического тока. Однако и в этом случае их влияние может быть существенным: так, например, они обусловливают рекомбинацию, шумы и т. п.
До недавнего времени, несмотря на большое число теоретических и экспериментальных исследований контактов, физическая интерпретация работы контакта металл — полупроводник оставалась в значительной мере неудовлетворительной. В последние годы были выяснены особенности реального контакта металл — полупроводник, которые отличают его от ранее рассматривавшегося идеализированного случая. К таким особенностям прежде всего следует отнести наличие переходного слоя между металлом и полупроводником (диэлектрического зазора), а также поверхностных электронных состояний на границах раздела фаз и в объеме переходного слоя.
Контакты металл - полупроводник широко используются для выпрямления тока, в качестве одного из основных элементов полупроводниковых СВЧ-устройств, а также для исследования фундаментальных физических параметров полупроводниковых материалов. Такие контакты могут использоваться как затворы в полевых транзисторах, в качестве стока и истока в МОП-транзисторах, электродов в мощных ЛДП-генераторах, третьего электрода в приборах, основанных на междолинных переходах, как фотодетекторы и солнечные элементы.
Целью данного проекта рассчитать основные физические параметры структуры.
Цель работы: исследование контакта металл - полупроводник и расчет его физических параметров.
Задание:
1. Рассчитать положение уровня Ферми
2. Рассчитать и построить энергетические диаграммы структуры при
U=0, U>0, U<0
3. Рассчитать и построить зависимость ширины ОПЗ от приложенного напряжения.
4. Рассчитать и построить вольт-амперную характеристику (ВАХ) структуры при нескольких температурах
5. Рассчитать и построить (x), n(x), E(x), (x), C=f(U)
6. Описать инжекционную способность полученного перехода
7. Выбрать соответствующий материал для создания омического контакта к полученной структуре
8. Выбрать соответствующий металл для создания запорного слоя
Данные:
Материал: Si “n” типа
Удельное сопротивление: n=20 Ом*см
Дрейфовая подвижность электронов: n=1200 см2/В*с
Заряд электрона: q=1.6*10-19 Кл
Постоянная Больцмана: к=8.625*10-5 эВ/К
Электронная постоянная: =8.854*10-14 Ф/см
Диэлектрическая проницаемость: =11.7
1. Расчет положения уровня Ферми.
(энергетическая диаграмма структуры при U=0)
Приведем металл и полупроводник в контакт друг с другом, так чтобы через контакт мог протекать электрический ток. Если просто прижать друг к другу кусок металла и кусок полупроводника, то тесное соприкосновение происходит не по всей поверхности, а в отдельных ее точках. Однако, например, при напылении металла на полупроводник в вакууме или при пайке контакт обеспечивается практически по всей поверхности.
Итак, через контакт течет ток. В металле заряд будет скапливаться на поверхности металла, а в полупроводнике проникает на значительную глубину.
При работе выхода из Ме большей, чем из п/п, электроны из п/п уходят и в обедненном слое заряд положительный, обусловленный ионизированной примесью.
Возникшее поле контактной разности потенциалов достаточно большое, накладывается на поле атомов в решетке. Но по сравнению с полями атомов это поле слабое. Оно не может изменить структуру энергетических зон, например ширину запрещенной зоны, внешнюю работу выхода, а лишь искривляет зоны. В данном случае дно зоны проводимости искривляется вверх на величину (x). На такую же величину искривляется и верхняя граница заполненной зоны, так что ширина запрещенной зоны не меняется.
Так как в состоянии равновесия уровень химического потенциала во всех частях системы проходит на одной высоте, то его положение не изменяется и изображается по-прежнему прямой линией. Следовательно, расстояние от дна зоны проводимости до уровня химического потенциала теперь уже неодинаково в разных точках.
Расстояние от дна ЗП до уровня химического потенциала в глубине п/попределяется из условия нейтральности п/п.
Зависимость подвижности носителей заряда от температуры (приведено значение для температуры T=3000K)
Зависимость концентрации донорной примеси от температуры (приведено значение для температуры T=3000K):
Зависимость собственной концентрации от температуры (приведено значение для температуры T=3000K):
Р
ассчитаем расстояния от уровня Ферми до середины запрещенной зоны и контактную разность потенциалов, которая в данном случае равна полученной величине.
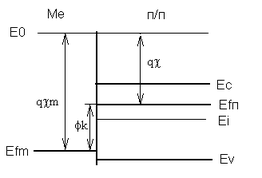
Полученная величина характеризует положение уровня Ферми относительно середины запрещенной зоны (см. Рис.1.) и характерно для Si n-типа.
2. Э Н Е Р Г Е Т И Ч Е С К И Е Д И А Г Р А М М Ы
Рис 1.
На Рис. 1 представлена энергетическая диаграмма, которая характеризует изгиб энергетических уровней при термодинамическом равновесии,
где Eg-ширина запрещенной зоны,
Ec-энергетический уровень зоны проводимости
Ev-энергетический уровень валентной зоны
Ef-уровень Ферми
Ei-середина запрещенной зоны
k-высота потенциального барьера
Величина Ef-Ei показывает положение уровня Ферми относительно середины запрещенной зоны.
Рис. 2
Н
а Рис. 2 представлена энергетическая диаграмма, которая характеризует изгиб энергетических уровней при обратном смещении (U<0), что в свою очередь привело к увеличению потенциального барьера до величины Vb+U, где U – величина приложенного напряжения.
Рис. 3
На Рис. 3 представлена энергетическая диаграмма, которая характеризует изгиб энергетических уровней при прямом смещении (U>0), что в свою очередь привело к уменьшению потенциального барьера до величины Vb-U, где U-величина приложенного напряжения.
3. З А В И С И М О С Т Ь Ш И Р И Н Ы О П З О Т В Е Л И Ч И Н Ы
П Р И Л О Ж Е Н Н О Г О Н А П Р Я Ж Е Н И Я.
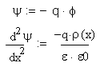
Для нахождения зависимости распределения потенциала запишем уравнение Пуассона:
Предположим, что вся примесь ионизирована, тогда
П
ерепишем уравнение Пуассона:
Общее решение будет:
при x=d
При А, В=0 имеем:
О
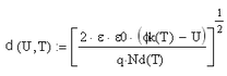
тсюда найдем значение ширины области пространственного заряда (толщину обедненного слоя):
где ε0 – диэлектрическая постоянная
U – приложенное напряжение
ε = 11.7
Данное выражение справедливо для полупроводника с равномерным распределением примеси. Расчет производился для температуры T=3000K.
энергия сродства е для кремния:
работа выхода платины:
Контактная разность потенциалов:
Рис. 4
На рис. 4 представлена зависимость ширины ОПЗ от приложенного напряжения. При увеличении прикладываемого напряжения ширина ОПЗ уменьшается.
5. В О Л Ь Т-А М П Е Р Н А Я Х А Р А К Т Е Р И С Т И К А
С Т Р У К Т У Р Ы.
Рассчитаем вольтамперную характеристику структуры по теории термоэлектронной эмисии ( в полупроводниках с высокой подвижностью и умеренной концентрацией примеси применима эта теория ).
Характеристики
Тип файла документ
Документы такого типа открываются такими программами, как Microsoft Office Word на компьютерах Windows, Apple Pages на компьютерах Mac, Open Office - бесплатная альтернатива на различных платформах, в том числе Linux. Наиболее простым и современным решением будут Google документы, так как открываются онлайн без скачивания прямо в браузере на любой платформе. Существуют российские качественные аналоги, например от Яндекса.
Будьте внимательны на мобильных устройствах, так как там используются упрощённый функционал даже в официальном приложении от Microsoft, поэтому для просмотра скачивайте PDF-версию. А если нужно редактировать файл, то используйте оригинальный файл.
Файлы такого типа обычно разбиты на страницы, а текст может быть форматированным (жирный, курсив, выбор шрифта, таблицы и т.п.), а также в него можно добавлять изображения. Формат идеально подходит для рефератов, докладов и РПЗ курсовых проектов, которые необходимо распечатать. Кстати перед печатью также сохраняйте файл в PDF, так как принтер может начудить со шрифтами.













