!Отчет по спетр. (990032)
Текст из файла
Содержание:
Задание.........................................…………………….2
Блок-схема установки………………….………………...2
Спектры люминесценции и поглощения…………....5
Таблицы энергий переходов…………………………….8
Разностные диагональные таблицы..……................9
Схема энергетических уровней……………………....11
Вывод…………………………………………......…………11
Задание:
Ознакомиться со спектральной техникой регистрации спектров люминесценции и поглощения. Построить энергетическую диаграмму примесного центра иона неодима на основе комбинационного принципа.
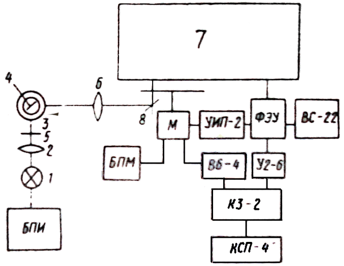
Блок-схема установки.
Рис. 1
Основой схемы является спектрометр ДФС-12 с дифракционной решеткой 600 штрихов/мм, обеспечивающий линейную дисперсию в спектральной области 360-1300 нм – 5 А/мм, на схеме он обозначен цифрой 7. В качестве источника возбуждения люминесценции используется лампа типа ДКСШ-500, которая располагается так, чтобы излучение лампы возбуждения, имеющей линейный спектр, не попало в щель спектрального прибора. Излучение источника 1, питающегося от блока питания источника (по схеме - БПИ) с помощью конденсатора 2, проектируется на кристалл 4, который располагается в криостате3. С помощью фильтра 5 из спектра излучения источника «вырезается» участок, несущий основную часть энергии источника и находящийся в синей, фиолетовой и ультрафиолетовой области спектра. Конденсатором 6 и поворотным зеркалом 8 излучение люминесценции исследуемого монокристалла и отраженное от него излучение лампы проектируется на входную щель спектрального прибора 7.
Рис. 2
Оптическая схема спектрометра представлена на рис. 2. Входная щель 1 прибора расположена в фокальной плоскости зеркального параболического объектива, свет на который направляется от щели плоским поворотным зеркалом 2. Перед входной щелью прибора помещается красный фильтр, отсекающий проходящую составляющую источника излучения и пропускающий излучение люминесценции кристалла в красном участке спектра. Объектив 3, представляющий собой параболическое зеркало, направляет параллельный пучок на дифракционную решетку 4. Диспергированный свет собирается объективом 5, в фокальной плоскости которого помещается средняя щель 6. Монохроматический свет, пройдя среднюю щель, направляется объективом 9 и поворотным зеркалом 10 на входную щель 11.
Обе дифракционные решетки 4 и 8 установлены на одном столе и одновременно поворачиваются вокруг вертикальной оси от синхронного электродвигателя. Привод является реверсивным. Включение поворота решетки и реверса осуществляется тумблерами на передней панели спектрометра ДФС-12. Там же со шкалы барабана осуществляется считывание длин волн светового потока на выходной щели 11 спектрометра. Стрелкой на оптической схеме указана оптическая ось прибора. Из выходной щели выходит только тот узкий участок спектра, который проходит через прибор по его оптической оси.
Пройдя выходную щель, световой поток попадает в регистрационный блок, где и преобразуется в элекрический сигнал, интенсивность которого пропорциональна интенсивности падающего на него светового потока. В зависимости от диапазона длин волн, в котором происходит запись спектра люминесценции, используется либо ФЭУ-79 (для диапазона 360-600 нм), либо ФЭУ-61 (для диапазона 600-1200 нм), либо фотосопротивление Р – в диапазоне 1200-2600 нм. Питание ФЭУ (фотоэлектронный умножитель) осуществляется от стабилизированного высоковольтного выпрямителя ВС-22, а фотосопротивление от источника питания УИП-2.
С блока регистрации сигнал подается на узкополосный резонансный усилитель У2-6. Электрический сигнал усиливается по принципу синхронного детектирования. Для осуществления этого принципа используется механический модулятор света, который формирует люминесцентное излучение монокристалла, попадающее в спектрометр, в переменный световой сигнал. Этот же модулятор формирует опорный переменный сигнал, усиливаемый далее узкополосным усилителем В6-4.
Полезный сигнал с усилителя У2-6 и опорный с усилителя В6-4 попадают на синхронный детектор К3-2. В последнем происходит демодуляция и интегрирование полезного сигнала, на выходе синхронного детектора включен самописец КСП-4.
Использование принципа синхронного детектирования дает возможность отсеивать шумы и помехи по частоте и по фазе, что в конечном итоге позволяет записывать полезные сигналы ниже уровня шумов фотоприемников.
Для снятия спектров люминесценции монокристаллов при низких температурах образец помещают в сосуд Дьюара с оптическим входом и выходом.
Таблицы энергий переходов
Перейти от длины волны к энергии можно использовав формулу:
E=107/λ, [см-1] (1)
Составим таблицы энергий переходов для трех случаев:
-
Переход 4I9/2 → 4F3/2 (поглощение)
| № пика | λ, нм | E, см-1 |
| 1 | 866 | 11547,34 |
| 2 | 876 | 11415,53 |
| 3 | 875 | 11428,57 |
| 4 | 885 | 11299,44 |
| 5 | 882 | 11337,87 |
| 6 | 892 | 11210,76 |
| 7 | 905 | 11049,72 |
| 8 | 916 | 10917,03 |
-
Переход 4F3/2 → 4I11/2 (излучение)
| № пика | λ, нм | E, см-1 |
| 1 | 876 | 11415,53 |
| 2 | 875 | 11428,57 |
| 3 | 885 | 11299,44 |
| 4 | 882 | 11337,87 |
| 5 | 892 | 11210,76 |
| 6 | 905 | 11049,72 |
| 7 | 916 | 10917,03 |
| 8 | 919 | 10881,39 |
| 9 | 930 | 10752,69 |
-
Переход 4F3/2 → 4I9/2 (излучение)
| № пика | λ, нм | E, см-1 |
| 1 | 1050 | 9523,81 |
| 2 | 1064 | 9398,496 |
| 3 | 1058 | 9451,796 |
| 4 | 1073 | 9319,664 |
| 5 | 1065 | 9389,671 |
| 6 | 1080 | 9259,259 |
| 7 | 1077 | 9285,051 |
| 8 | 1092 | 9157,509 |
| 9 | 1084 | 9225,092 |
| 10 | 1099 | 9099,181 |
| 11 | 1090 | 9174,312 |
| 12 | 1106 | 9041,591 |
Разностные диагональные таблицы
В данном случае реализуется комбинационный принцип обработки результатов. Делаются разностные диагональные таблицы.
Переход 4I9/2 → 4F3/2:
| 1 | 2 | 3 | 4 | 5 | 6 | 7 | 8 | |
| 1 | 0 | 131,819 | 118,7727 | 247,9091 | 209,4756 | 336,5818 | 497,6204 | 630,3135 |
| 2 | 0 | -13,0463 | 116,0901 | 77,65663 | 204,7628 | 365,8014 | 498,4945 | |
| 3 | 0 | 129,1364 | 90,70295 | 217,8091 | 378,8477 | 511,5409 | ||
| 4 | 0 | -38,4335 | 88,6727 | 249,7113 | 382,4045 | |||
| 5 | 0 | 127,1061 | 288,1447 | 420,8379 | ||||
| 6 | 0 | 161,0386 | 293,7318 | |||||
| 7 | 0 | 132,6932 | ||||||
| 8 | 0 |
Переход 4F3/2 → 4I11/2
| 1 | 2 | 3 | 4 | 5 | 6 | 7 | 8 | 9 | 10 | 11 | 12 | |
| 1 | 0 | 125 | 72 | 204 | 134 | 265 | 239 | 366 | 299 | 425 | 349 | 482 |
| 2 | 0 | -53 | 79 | 9 | 139 | 113 | 241 | 173 | 299 | 224 | 357 | |
| 3 | 0 | 132 | 62 | 193 | 167 | 294 | 227 | 353 | 277 | 410 | ||
| 4 | 0 | -70 | 60 | 35 | 162 | 95 | 220 | 145 | 278 | |||
| 5 | 0 | 130 | 105 | 232 | 165 | 290 | 215 | 348 | ||||
| 6 | 0 | -26 | 102 | 34 | 160 | 85 | 218 | |||||
| 7 | 0 | 128 | 60 | 186 | 111 | 243 | ||||||
| 8 | 0 | -68 | 58 | -17 | 116 | |||||||
| 9 | 0 | 126 | 51 | 184 | ||||||||
| 10 | 0 | -75 | 58 | |||||||||
| 11 | 0 | 133 | ||||||||||
| 12 | 0 |
Переход 4F3/2 → 4I9/2
| 1 | 2 | 3 | 4 | 5 | 6 | 7 | 8 | 9 | |
| 1 | 0 | -13 | 116 | 78 | 205 | 366 | 498 | 534 | 663 |
| 2 | 0 | 129 | 91 | 218 | 379 | 512 | 547 | 676 | |
| 3 | 0 | -38 | 89 | 250 | 382 | 418 | 547 | ||
| 4 | 0 | 127 | 288 | 421 | 456 | 585 | |||
| 5 | 0 | 161 | 294 | 329 | 458 | ||||
| 6 | 0 | 133 | 168 | 297 | |||||
| 7 | 0 | 36 | 164 | ||||||
| 8 | 0 | 129 | |||||||
| 9 | 0 |
Анализируются и выбираются те разности, которые совпадают. Эти повторяющиеся разности и дают ключ к построению энергетических диаграмм.
Схема энергетических уровней
Здесь переходы 1-8 – поглощение 4I9/2 → 4F3/2, переходы 1’-9’ – излучение 4F3/2 → 4I9/2, переходы 1’’-12’’ – излучение 4F3/2 → 4I11/2.
Вывод: симметрия кристалла очень низкая, поэтому снимается вырождение штарковских подуровней. Кроме того, кристалл высокотемпературный (Tпл.›20000C), а так как рост идет при пониженных температурах, то образуются градиенты тамператур, что приводит к искажению кристаллической решетки, и окончательная симметрия будет низкой.
Характеристики
Тип файла документ
Документы такого типа открываются такими программами, как Microsoft Office Word на компьютерах Windows, Apple Pages на компьютерах Mac, Open Office - бесплатная альтернатива на различных платформах, в том числе Linux. Наиболее простым и современным решением будут Google документы, так как открываются онлайн без скачивания прямо в браузере на любой платформе. Существуют российские качественные аналоги, например от Яндекса.
Будьте внимательны на мобильных устройствах, так как там используются упрощённый функционал даже в официальном приложении от Microsoft, поэтому для просмотра скачивайте PDF-версию. А если нужно редактировать файл, то используйте оригинальный файл.
Файлы такого типа обычно разбиты на страницы, а текст может быть форматированным (жирный, курсив, выбор шрифта, таблицы и т.п.), а также в него можно добавлять изображения. Формат идеально подходит для рефератов, докладов и РПЗ курсовых проектов, которые необходимо распечатать. Кстати перед печатью также сохраняйте файл в PDF, так как принтер может начудить со шрифтами.









