Тиристор (989930)
Текст из файла
Тиристор - это полупроводниковый прибор с тремя и более р-n переходами, вольт-амперная характеристика которого имеет участок с отрицательным дифференциальным сопротивлением и который используется для переключения.
Структура тиристора показана на рисунке 7.1. Тиристор представляет собой четырехслойный р1-n1-р2-n2 прибор, содержащий три последовательно соединенных р-n перехода (П1, П2 и П3). Обе внешние области называют эмиттерами (Э1, Э2), а внутренние области - базами (Б1, Б2) тиристора (см. рис. 7.1а). Переходы П1 и П2 называются эмиттерными, переход П3 - коллекторный переход.
Рис. 7.1. Схема диодного тиристора:
а) структура диодного тиристора; б) зонная диаграмма
Прибор без управляющих электродов работает как двухполюсник и называется диодным тиристором (динистором). Прибор с управляющим электродом является трехполюсником и называется триодным тиристором.
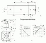
На рисунке 7.2 показана схема триодного тиристора с управляющими электродами при его приборной реализации и характеристики тиристора. Управляющий электрод может быть подключен к любой из баз (Б1, Б2) тиристора, как показано на рисунке 7.2а.
Управляющие тиристоры используются для коммутирования высоких значений токов, напряжений и мощностей. Поэтому корпуса тиристоров как правило являются достаточно массивными и в ряде случаев снабжены радиаторами для улучшения теплоотвода. На рисунке 7.2б приведена топология корпуса тиристора малой мощности. Для коммутации мощностей важными параметрами являются время включения и выключения тиристора. Характерные значения этих времен для тиристоров лежат в микросекундном диапазоне. На рисунке 7.2в в качестве примера приведены такие характеристики для триодного тиристора КУ208.
Рис. 7.2. Схема (а), приборная реализация (б) и характеристики (в) триодного тиристора [23]
При создании тиристора в качестве исходного материала выбирается подложка n- или р-типа. Типичный профиль легирующей примеси в диффузионно-сплавном приборе показан на рисунке 7.3. В качестве исходного материала выбрана подложка n-типа. Диффузией с обеих сторон подложки одновременно создают слои р1 и р2. На заключительной стадии путем сплавления (или диффузии) с одной стороны подложки создают слой n2. Структура полученного тиристора имеет вид p1+-n1-p2-n2+.
Рис. 7.3. Профиль концентрации легирующей примеси (Ns) в эмиттерах и базах тиристора
Вольт-амперная характеристика тиристора
Вольт-амперная характеристика диодного тиристора, приведенная на рисунке 7.4, имеет несколько различных участков. Прямое смещение тиристора соответствует положительному напряжению VG, подаваемому на первый p1-эмиттер тиристора.
Участок характеристики между точками 1 и 2 соответствует закрытому состоянию с высоким сопротивлением. В этом случае основная часть напряжения VG падает на коллекторном переходе П2, который в смещен в обратном направлении. Эмиттерные переходы П1 и П2 включены в прямом направлении. Первый участок ВАХ тиристора аналогичен обратной ветви ВАХ p-n перехода.
При достижении напряжения VG, называемого напряжением включения Uвкл, или тока J, называемого током включения Jвкл, ВАХ тиристора переходит на участок между точками 3 и 4, соответствующий открытому состоянию (низкое сопротивление). Между точками 2 и 3 находится переходный участок характеристики с отрицательным дифференциальным сопротивлением, не наблюдаемый на статических ВАХ тиристора.
Рис. 7.4. ВАХ тиристора:
VG - напряжение между анодом и катодом; Iу, Vу - минимальный удерживающий ток и напряжение; Iв, Vв - ток и напряжение включения
Феноменологическое описание ВАХ динистора
Для объяснения ВАХ динистора используют двухтранзисторную модель. Из рисунка 7.5 следует, что тиристор можно рассматривать как соединение р-n-р транзистора с n-р-n транзистором, причем коллектор каждого из них соединен с базой другого. Центральный переход действует как коллектор дырок, инжектируемых переходом П1, и как коллектор электронов, инжектируемых переходом П2.
Рис. 7.5. Двухтранзисторная модель диодного тиристора
Взаимосвязь между токами эмиттера Iэ, коллектора Iк и статическим коэффициентом усиления по току α1 р1-n1-р2 транзистора и α2 n2-р1-n1 транзистора следующая. Представляя динистор как два транзистора, запишем следующие соотношения.
Пусть IП1 - ток через переход П1. Тогда часть тока IП1, дошедшая до коллекторного перехода П3 IП1 → П3, будет равна:
(7.1)
Если IП3 - ток через переход П2, аналогично:
(7.2)
Учтем еще один фактор - лавинное умножение в переходе П3 через коэффициент лавинного умножения М. Тогда суммарный ток IП3 через переход П3 будет равен:
(7.3)
где IК0 - обратный ток перехода П3 (генерационный и тепловой).
В стационарном случае токи через переходы П1, П2, и П3 равны, тогда
(7.4)
откуда
(7.5)
где α = α1 + α2 - суммарный коэффициент передачи тока первого (p1-n1-p2) и второго (n2-p2-n1) транзисторов.
Выражение (7.5) в неявном виде описывает ВАХ диодного тиристора на "закрытом" участке, поскольку коэффициенты М и α зависят от приложенного напряжения VG. По мере роста α и М с ростом VG, когда значение М(α1 + α2) станет равно 1, из уравнения (7.5) следует, что ток I устремится к ∞. Это условие и есть условие переключения тиристора из состояния "закрыто" в состояние "открыто".
Напряжение переключения Uперекл составляет у тиристоров от 20-50 В до 1000-2000 В, а ток переключения Iперекл - от долей микроампера до единиц миллиампера (в зависимости от площади).
Таким образом, в состоянии "закрыто" тиристор должен характеризоваться малыми значениями α и М, а в состоянии "открыто" - большими значениями коэффициентов α и М.
В закрытом состоянии (α - малы) все приложенное напряжение падает на коллекторном переходе П3 и ток тиристора - это ток обратно смещенного p-n перехода. Энергетическая диаграмма тиристора в состоянии равновесия приведена ранее на рисунке 7.1, а в режиме прямого смещения ("+" на слое р1) в закрытом состоянии представлена на рисунке 7.6.
Рис. 7.6. Зонная диаграмма и токи в тиристоре в закрытом состоянии [5]
Если полярность напряжения между анодом и катодом сменить на обратную, то переходы П1 и П3 будут смещены в обратном направлении, а П2 - в прямом. ВАХ тиристора в этом случае будет обычная ВАХ двух обратносмещенных p-n переходов.
Зонная диаграмма и токи диодного тиристора в открытом состоянии
В открытом состоянии (α - велики) все три перехода смещены в прямом направлении. Это происходит вследствие накопления объемных зарядов в базах n2, p2 тиристора.
Действительно, при больших значениях коэффициента передачи α2 электроны, инжектированные из n2-эмиттера в р2-базу, диффундируют к р-n переходу коллектора П3, проходят его и попадают в n1-базу. Дальнейшему прохождению электронов по тиристорной структуре препятствует потенциальный барьер эмиттерного перехода П1. Поэтому часть электронов, оказавшись в потенциальной яме n1-базы, образует отрицательный избыточный заряд.
Инжектированные дырки из эмиттера р1 в базу n1 диффундируют к р-n переходу коллектора П3, проходят через него и попадают в базу р2. Дальнейшему их продвижению препятствует потенциальный барьер эмиттерного перехода П2. Следовательно, в базе р2 происходит накопление избыточного положительного заряда.
В результате накопления избыточного положительного заряда в базе р2 и отрицательного заряда в базе n1 переход П3 смещается в прямом направлении, происходит резкое увеличение тока и одновременное уменьшение падения напряжения на тиристоре.
На рисунке 7.7 приведена зонная диаграмма тиристора с накопленным объемным зарядом в обеих базах n1 и р2.
Величина падения напряжения в прямом участке ВАХ составляет прямое напряжение на трех прямо смещенных p-n переходах и имеет величину порядка 1-2 вольт.
Зонная диаграмма тиристора в открытом состоянии имеет вид, приведенный на рисунке 7.7, когда на всех p-n переходах прямое смещение, на П1 и П2 за счет внешнего напряжения, и на П3 за счет объемных зарядов в базах Б1 и Б2.
Рис. 7.7. Зонная диаграмма и токи тиристора в открытом состоянии (везде прямое смещение)
Таким образом, тиристор имеет два устойчивых состояния: малый ток, большое напряжение, высокое сопротивление и большой ток, малое напряжение, малое сопротивление. Переход тиристора из "закрытого" в "открытое" состояние связан с накоплением объемного заряда в базах Б1 и Б2 из-за роста значения коэффициента передачи эмиттерного тока α и коэффициента умножения М.
То есть рост α, М с ростом тока J и напряжения VG в тиристоре является причиной перехода тиристора из состояния "закрытого" в состояние "открытого".
В открытом состоянии тиристор находится до тех пор, пока за счет проходящего тока поддерживаются избыточные заряды в базах, необходимые для понижения высоты потенциального барьера коллекторного перехода до величины, соответствующей прямому его включению. Если же ток уменьшить до значения Iу, то в результате рекомбинации избыточные заряды в базах уменьшатся, р-n переход коллектора окажется включенным в обратном направлении, произойдет перераспределение падений напряжений на р-n переходах, уменьшатся коэффициенты передачи α и тиристор перейдет в закрытое состояние.
Таким образом, тиристор в области прямых смещений (прямое включение) является бистабильным элементом, способным переключаться из закрытого состояния с высоким сопротивлением и малым током в открытое состояние с низким сопротивлением и большим током, и наоборот.
Зависимость коэффициента передачи α от тока эмиттера
Как уже отмечалось ранее, зависимость коэффициента передачи эмиттерного тока α от напряжения, приложенного к тиристору, является причиной переключения тиристора. Рассмотрим, какие физические механизмы могут обеспечить такую зависимость. В области малых токов основная причина зависимости α от тока I связана с рекомбинацией в эмиттерном переходе. При наличии рекомбинационных центров в области пространственного заряда эмиттерного перехода прямой ток такого перехода в области малых прямых смещений - рекомбинационный Jрек. Зависимость этого тока от напряжения экспоненциальная, но показатель экспоненты в два раза меньше, чем для диффузионного тока JpD. Напомним, что эти процессы подробно рассматривались в разделе 4.3.2.
Характеристики
Тип файла документ
Документы такого типа открываются такими программами, как Microsoft Office Word на компьютерах Windows, Apple Pages на компьютерах Mac, Open Office - бесплатная альтернатива на различных платформах, в том числе Linux. Наиболее простым и современным решением будут Google документы, так как открываются онлайн без скачивания прямо в браузере на любой платформе. Существуют российские качественные аналоги, например от Яндекса.
Будьте внимательны на мобильных устройствах, так как там используются упрощённый функционал даже в официальном приложении от Microsoft, поэтому для просмотра скачивайте PDF-версию. А если нужно редактировать файл, то используйте оригинальный файл.
Файлы такого типа обычно разбиты на страницы, а текст может быть форматированным (жирный, курсив, выбор шрифта, таблицы и т.п.), а также в него можно добавлять изображения. Формат идеально подходит для рефератов, докладов и РПЗ курсовых проектов, которые необходимо распечатать. Кстати перед печатью также сохраняйте файл в PDF, так как принтер может начудить со шрифтами.














