Лабораторная работа №2 (989672), страница 2
Текст из файла (страница 2)
Рассмотрим два крайних случая, используя формулу (12):
2) r0=0, тогда U0=0 и U2з=U3з=Uф
Таким образом при любых соотношениях между r0 и rз напряжения на исправных фазах будет определяться неравенством:
Зная напряжения на проводниках сети с глухозаземленной нейтралью можно определить ток через человека. Например, при прикосновении к исправным фазным проводникам.
Ih=U2з/Rh=U3з/Rh
Указания по технике безопасности
-
Перед выполнением данной работы необходимо ознакомиться с инструкцией по безопасности, вывешенной на стенде.
-
Во время работы запрещается производить переключения в электрических схемах под напряжением, оставлять без надзора включенный стенд.
-
При обнаружении в стенде какой-либо неисправности необходимо прекратить работу, отключить стенд и сообщить о случившемся преподавателю или лаборанту.
Применяемое оборудование
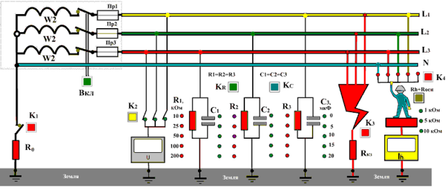
Схема лицевой панели стенда показана на рис. 4. Стенд позволяет моделировать любую из рассмотренных сетей трехфазного тока.
Вместо реально существующих распределенных сопротивлений изоляции и емкости проводов относительно земли на стенде предусмотрены сосредоточенные сопротивления (R1,R2,R3) и емкости (С1,С2,С3) меняя значения которых, можно получить сеть с нужными параметрами.
В схеме стенда имитируется подключение человека к каждому фазному проводнику сети и к нулевому проводнику. Сопротивление человека может устанавливаться равным 1, 5, 10 кОм.
Встроенный цифровой вольтметр (V) служит для контроля напряжений фазных проводов относительно земли.
Рис.4. Схема лицевой панели стенда
Для измерения тока, протекающего через человека Ih служит миллиамперметр(mA), включенный между основанием на котором стоит человек и землей.Порядок проведения работы
-
Подготовить таблицы для записи результатов измерений
-
Привести стенд в исходное состояние, все клавиши должны быть отжаты
-
Включить питание стенда кнопкой “Вкл”, убедиться с помощью вольтметра (кнопка К2) в наличии напряжений фаз U1 = U2 = U3 = 220В
1. Для определения тока Ih, протекающего через человека при прикосновении к фазному проводнику в сети с изолированной нейтралью как в нормальном, так и в аварийном режимах работы, произвести измерения в следующем порядке.
-
Выставить сопротивление изоляции в соответствии с заданием приведенным в табл.1.
-
Нажатием соответствующей клавиши блока Rh+Rосн установить сопротивление, имитирующее сопротивлении тела человека и основания.
Таблица 1
Варианты заданий для проведения лабораторной работы по п.1 и п.2
| № бригады | 1 | 2 | 3 | 4 | 5 | 6 |
| R1=R2=R3, кОм | 10 | 25 | 50 | 100 | 200 | 10 |
| Rh+Rосн, кОм | 1 | 5 | 10 | 1 | 5 | 10 |
1.1. В сети с изолированной нейтралью при нормальном режиме работы:
а) изолировать нейтраль (кнопка К1).
б) имитируя прикосновение человека к фазным проводникам последовательным нажатием кнопки К4 (над блоком Rh+Rосн) измерить Ih. Показания миллиамперметра занести в табл.2, п.1.
Таблица 2
Результаты измерений.
| № | Электрическая сеть | Режимработы | Сопротивление изоляции фазных проводников, кОм | Сопротивление замыкания, Ом | Ток через человека при поочередном прикосновении к проводникам, мА | |||||
| r1 | r2 | r3 | rзм | Ih1 | Ih2 | Ih3 | IN | |||
| 1 | с изолированной нейтралью | нормальный | 100 | |||||||
| 2 | с изолированной нейтралью | аварийный | 100 | |||||||
| 3 | с глухозаземленной нейтралью (r0=4 Ом) | нормальный | 100 | |||||||
| 4 | с глухозаземленной нейтралью (r0=4 Ом) | аварийный | 100 | |||||||
1.2. При исследовании сети с изолированной нейтралью в аварийном режиме работы проделать все аналогично предыдущему пункту, только при измерении токов Ih нажать кнопку К3, имитируя тем самым замыкание фазного проводника на землю. Сопротивление в месте контакта проводника с землей имитируется резистором 100 Ом, которое установлено в схеме стенда.
Результаты измерений занести в табл.2, п.2.
2. Для определения тока Ih, протекающего через человека при прикосновении к фазному проводу в сетях с заземленной нейтралью как в нормальном режиме работы, так и в аварийном, произвести измерения в следующем порядке.
2.1. В сети с глухозаземленной нейтралью при нормальном режиме работы:
а) заземлить нейтраль – включить К1 , выставить сопротивления изоляции согласно заданию,
б) имитируя прикосновение человека к фазным проводникам (последовательным) нажатием кнопки К4 (над блоком Rh+Rосн) измерить Ih.
Результаты измерений занести в табл.2, п.3.
2.2.. При исследовании сети с заземленной нейтралью при аварийном режиме работы проделать все аналогично предыдущему пункту, только в момент измерения токов Ih нажать кнопку К3, имитируя тем самым замыкание фазного проводника на землю. Сопротивление в месте контакта проводника с землей имитируется резистором 100 Ом, которое установлено в схеме стенда.
Результаты измерений занести в табл.2, п.4.
3. Оценка опасности поражения током для сети с изолированной нейтралью при одинаковых составляющих полного сопротивления изоляции фазных проводов, т.е. R1= R2 = R3 , С1=С2=С3.
3.1. Измерить зависимость Ih (r) для сети с изолированной нейтралью при постоянном значении С.
Постоянное значение емкости С взять из табл.3, в соответствии с номером вашей бригады.
Таблица 3
Варианты заданий для проведения лабораторной работы по п.3.1 и п.4.1
| № бригады | 1 | 2 | 3 | 4 | 5 | 6 |
| С1=С2=С3, мкФ | 0 | 5 | 10 | 15 | 20 | 0 |
Касание фазы человеком имитировать подключением сопротивления Rh к произвольно выбранному фазному проводнику.
Изменяя сопротивления изоляции фазных проводников относительно земли R1= R2 = R3 в соответствии с табл.4, снять зависимость Ih (r). В табл.4 указать значения С1=С2=С3 при которых проводились измерения.
Таблица 4
Зависимость тока через человека от сопротивления изоляции проводников трехфазной сети с изолированной нейтралью
| R1=R2=R3, кОм | 10 | 25 | 50 | 100 | 200 | С1=С2=С3, мкФ |
| Ih,мА |
3.2. Измерить зависимость Ih (С) для сети с изолированной нейтралью при постоянном значении R.
Установить постоянные значения сопротивления изоляции фазных проводников R1=R2=R3 в соответствии табл.5.
Таблица 5
Варианты заданий для проведения лабораторной работы по п.3.2 и п.4.2
| № бригады | 1 | 2 | 3 | 4 | 5 | 6 |
| R1=R2=R3, кОм | 10 | 25 | 50 | 100 | 200 | 10 |
Изменяя значения емкостей фазных проводников относительно земли С = С1=С2=С3 в соответствии с табл.6, снять зависимость Ih (С).
Таблица 6
Зависимость тока через человека от емкости проводников относительно земли трехфазной сети с изолированной нейтралью
| С1=С2=С3, мкФ | 0 | 5 | 10 | 15 | 20 | R1=R2=R3, кОм |
| Ih,мА |
4. Оценка опасности поражения током для сети с глухозаземленной нейтралью при одинаковых составляющих полного сопротивления изоляции всех фазных проводников, т. е. R1=R2=R3=R, С1=С2=С3=С.
4.1. Для получения зависимости Ih (R) для сети с глухозаземленной нейтралью необходимо заземлить нейтраль (кнопка К1).
Сопротивление заземлителя нейтрали 4 Ом.
















