2.3.1.1 Формирователь коротких импульсов с применением линий задержки (988691)
Текст из файла
Формирователь коротких импульсов с применением линий задержки.
Формирователь коротких импульсов формирует импульсы, длительность которых существенно меньше длительности исходных импульсов. Для построения схемы формирователя потребуются один элемент конъюнкции, один инвертор и линия задержки. Длительность выходного импульса формирователя определяется длительностью времени задержки линии задержки Dtз и средним временем распространения сигнала через инвертор tз срЭ1. На рис. 4.1. приведена схема формирователя, а на рис.4.2 (а) и (б) - временные диаграммы, иллюстрирующие её работу. Из рис 4.2 (а) следует, что для формирования импульса от переднего фронта (исходного импульса) необходимо подавать на линию задержки инвертированный импульс.
В случае формирования импульса от заднего фронта нужно инвертировать незадержанный (прямой) сигнал, т.е. сигнал, подаваемый на элемент “И” минуя линию задержки (рис. 4.2, б).
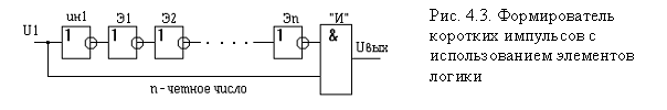
Использование в формирователях линий задержки не всегда оправдано экономически и из конструктивных соображений. Если не требуется формирование строго определенной длительности коротких импульсов, в формирователях в качестве линии задержки применяются логические элементы (рис. 4.3). Так как каждый логический элемент обладает свойством задерживать распространение сигнала, поэтому время задержки в такой схеме будет определяться числом используемых элементов логики n
Dtз = tз срЭ1 + tз срЭ2 + . . . .+ tз срЭn = n tз срЭ,
где tз срЭ - среднее время задержки одного логического элемента. Считается, что инвертор имеет значительно меньшее время задержки сигнала, и в качестве элементов задержки используются логические элементы с малым быстродействием.
Характеристики
Тип файла документ
Документы такого типа открываются такими программами, как Microsoft Office Word на компьютерах Windows, Apple Pages на компьютерах Mac, Open Office - бесплатная альтернатива на различных платформах, в том числе Linux. Наиболее простым и современным решением будут Google документы, так как открываются онлайн без скачивания прямо в браузере на любой платформе. Существуют российские качественные аналоги, например от Яндекса.
Будьте внимательны на мобильных устройствах, так как там используются упрощённый функционал даже в официальном приложении от Microsoft, поэтому для просмотра скачивайте PDF-версию. А если нужно редактировать файл, то используйте оригинальный файл.
Файлы такого типа обычно разбиты на страницы, а текст может быть форматированным (жирный, курсив, выбор шрифта, таблицы и т.п.), а также в него можно добавлять изображения. Формат идеально подходит для рефератов, докладов и РПЗ курсовых проектов, которые необходимо распечатать. Кстати перед печатью также сохраняйте файл в PDF, так как принтер может начудить со шрифтами.















