1.3.1.5.9 Фильтры нижних частот на основе ОУ c многопетлевой обратной (988216)
Текст из файла
Фильтры нижних частот на основе ОУ c многопетлевой обратной
связью (МОС) и бесконечным коэффициентом усиления
Для фильтра нижних частот второго порядка с частотой среза c типовая полиномиальная передаточная функция имеет вид :
Постоянные B и C представляют собой нормированные коэффициенты, поскольку для c=1 эта передаточная функция приводится к виду (14) при n = 2. Для фильтров Баттерворта и Чебышева эти коэффициенты приведены в приложении А. Постоянная К определяет коэффициент усиления фильтра, который необходимо задать.
Для фильтров более высокого порядка (28) описывает передаточную функцию типового звена второго порядка, где К - коэффициент его усиления; В и С - коэффициенты звена, приведенные в приложении А.
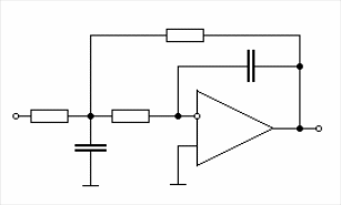
Одна из наиболее простых среди множества схем, реализующих передаточную функцию нижних частот в соответствии с (28), приведена на рис. 11. Она получила свое название - схема на основе ОУ с многопетлевой обратной связью (МОС) и бесконечным коэффициентом усиления из-за наличия двух цепей обратной связи, осуществляемой через элементы С1 и R2, а также вследствие того, что ОУ работает как усилительный элемент с бесконечным (в идеале) коэффициентом усиления.
U1
R1
C2
R3
R2
ОУ
C1
U2
Рис. 11. Схема фильтра нижних частот второго порядка на основе ОУ с МОС.
Данная схема реализует уравнение (28) с инвертирующим коэффициентом усиления (К), причем справедливы соотношения :
Выражая из (29) сопротивления R1, R2, R3 , можно получить :
Значениями C1, C2 задаются произвольно. Следовательно, по заданным К, В, С и с и выбранным C1, C2 можно вычислить R1, R2, R3 . Емкости должны иметь номинальные значения, которые в результате расчета дают реальные значения сопротивления R2; это условие соблюдается при выполнении неравенства
Характеристики
Тип файла документ
Документы такого типа открываются такими программами, как Microsoft Office Word на компьютерах Windows, Apple Pages на компьютерах Mac, Open Office - бесплатная альтернатива на различных платформах, в том числе Linux. Наиболее простым и современным решением будут Google документы, так как открываются онлайн без скачивания прямо в браузере на любой платформе. Существуют российские качественные аналоги, например от Яндекса.
Будьте внимательны на мобильных устройствах, так как там используются упрощённый функционал даже в официальном приложении от Microsoft, поэтому для просмотра скачивайте PDF-версию. А если нужно редактировать файл, то используйте оригинальный файл.
Файлы такого типа обычно разбиты на страницы, а текст может быть форматированным (жирный, курсив, выбор шрифта, таблицы и т.п.), а также в него можно добавлять изображения. Формат идеально подходит для рефератов, докладов и РПЗ курсовых проектов, которые необходимо распечатать. Кстати перед печатью также сохраняйте файл в PDF, так как принтер может начудить со шрифтами.
















