Пояснительная записка (987112), страница 3
Текст из файла (страница 3)
7. Расчетная часть
7.1. Расчет режимов резания
Переход 1. Фрезерование плоской поверхности
1) Расчет длины рабочего хода (
):
(по табл.) – длина подвода, врезания и перебега инструмента;
– дополнительная длина хода, вызванная в отдельных случаях особенностями наладки и конфигурации детали;
2) Назначение подачи на оборот шпинделя станка (
):
3) Определение стойкости инструмента по нормативам (
):
(по табл.) – стойкость машинной работы станка;
– коэффициент времени резания;
4) Расчет скорости резания (v) и числа оборотов шпинделя в минуту (n):
(по табл.) – коэффициент, зависящий от размеров обработки;
(по табл.) – коэффициент, зависящий от обрабатываемой поверхности;
(по табл.) – коэффициент, от стойкости и материала инструмента;
5) Расчет основного машинного времени обработки (
):
Переход 2. Фрезерование плоской поверхности
1) Расчет длины рабочего хода (
):
(по табл.) – длина подвода, врезания и перебега инструмента;
– дополнительная длина хода, вызванная в отдельных случаях особенностями наладки и конфигурации детали;
2) Назначение подачи на оборот шпинделя станка (
):
3) Определение стойкости инструмента по нормативам (
):
(по табл.) – стойкость машинной работы станка;
– коэффициент времени резания;
4) Расчет скорости резания (v) и числа оборотов шпинделя в минуту (n):
(по табл.) – коэффициент, зависящий от размеров обработки;
(по табл.) – коэффициент, зависящий от обрабатываемой поверхности;
(по табл.) – коэффициент, от стойкости и материала инструмента;
5) Расчет основного машинного времени обработки (
):
– время обработки с одной стороны заготовки.
– общее время обработки плоской поверхности.
7.2. Расчет подшипников шпинделя на долговечность
Составим систему уравнений для рассмотренных подшипников шпинделя станка:
Для решения полученной системы уравнений найдем окружную силу, действующую на шпиндель станка:
Решим ранее составленную систему уравнений:
Знак «–» означает, что реакция направлена в противоположную сторону той, что указана на схеме.
Опора А: подшипник роликовый радиальный однорядный 32116 ГОСТ 8328-75.
– внутренний диаметр подшипника;
– наружный диаметр подшипника;
– число рядов роликов в подшипнике;
– количество роликов в подшипнике;
1) Найдем динамическую грузоподъемность подшипника:
2
) Найдем эквивалентную динамическую нагрузку на подшипник:
– коэффициент вращения внутреннего кольца;
(по табл.) – коэффициент радиальной нагрузки при =0;
– радиальная нагрузка на подшипник;
– осевая нагрузка на подшипник;
(по табл.) – коэффициент безопасности при легких толчках;
(по табл.) – коэффициент, учитывающий рабочую температуру.
3
) Рассчитаем номинальную долговечность подшипника в часах:
Опора B: подшипник роликовый радиальный двухрядный 3282120
ГОСТ 8328-75.
– внутренний диаметр подшипника;
– наружный диаметр подшипника;
– число рядов роликов в подшипнике;
– количество роликов в подшипнике;
1) Найдем динамическую грузоподъемность подшипника:
2
) Найдем эквивалентную динамическую нагрузку на подшипник:
– коэффициент вращения внутреннего кольца;
(по табл.) – коэффициент радиальной нагрузки при =0;
– радиальная нагрузка на подшипник;
– осевая нагрузка на подшипник;
(по табл.) – коэффициент безопасности при легких толчках;
(по табл.) – коэффициент, учитывающий рабочую температуру.
3
) Рассчитаем номинальную долговечность подшипника в часах:
7.3. Расчет упругой муфты привода главного движения
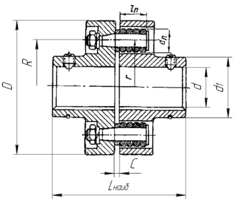
Рис. 7. Муфта упругая втулочно-пальцевая
Исходные данные:
n = 1500 мм/об – частота вращения;
N = 7,5 кВт – мощность;
d = 80 мм;
D = 320 мм;
Lнаиб. = 350 мм;
С = 2–10 мм – монтажный зазор;
z = 10 – количество пальцев;
R = 120 мм;
dП = 58 мм;
lП = 80 мм.
Расчет:
Вывод:
[p] = 20 кгс/см2. Так как p < [p], то выбранная муфта подходит.
8. Список литературы
-
«Разработка автоматизированного комплекса на базе многоцелевого фрезерного-сверлильно-расточного станка с ЧПУ» – методические указания №2082 МГТУ «МАМИ», г. Москва, 2008 г.
-
Локтев С. Е. «Станки с программным управлением» – «Машиностроение», г. Москва, 1982 г.
-
Барановский Ю. В. «Режимы резания металлов» – справочник «Машиностроение», г. Москва, 1972 г.
-
Бейзельман Р. Д., Цыпкин Б. В. «Подшипники качения» – справочник «Машиностроение», г. Москва, 1975 г.
-
Соломонцев Ю. А. «Промышленные роботы» – альбом «Машиностроение», г. Москва, 1982 г.
-
«Транспортно-накопительные системы и промышленные роботы» – методические указания №1892 МГТУ «МАМИ», г. Москва, 2005 г.
-
«Промышленные роботы в станкостроении» – методические указания №63 МАМИ, г. Москва, 1980 г.
.
















