Пояснительная записка (986867), страница 2
Текст из файла (страница 2)
Вспомогательные движения. Специальными шестигранными выводами можно производить ручные перемещения по координатам X’ и Y’. Установочная вертикальная подача консоли осуществляется от электродвигателя М5 (N = 2,2 кВт, n = 1500 об/мин) через червячную пару z = 2–40 и ходовой винт XIX.
3. Станок мод. 16Б16Ф3
Станок предназначен для многоинструментальной токарной обработки тел вращения с канавками, фасками и криволинейными образующими. Он может быть использован и для нарезания в автоматическом цикле цилиндрических и конических резьб, а также архимедовых спиралей. Спроектирован на базе универсального токарно-винторезного станка мод. 16Б16П с учетом стыковки его с системой ЧПУ. Класс точности станка – П. Предназначен как для центровых, так и для патронных работ в мелкосерийном и серийном производстве. Основные узлы станка конструктивно несколько изменены по сравнению с базовой моделью.
3.1. Техническая характеристика станка
| Наибольший диаметр обрабатываемого изделия над станиной | 320 мм |
| Наибольший диаметр обрабатываемого изделия над суппортом | 160 мм |
| Наибольшая длина обрабатываемого изделия | 710 мм |
| Наибольший диаметр прутка, проходящего через отверстие в шпинделе | 34 мм |
| Наибольшее перемещение суппорта (продольное / поперечное) | 700 / 240 мм |
| Количество инструментов в резцедержателе | 4 |
| Число ступеней рабочих частот вращения шпинделя | 17 |
| Число ступеней автоматически переключаемых частот | 12 |
| Пределы частоты вращения шпинделя | 45–1800 об/мин |
| Пределы рабочих подач (продольных / поперечных) | 6–1200 / 3–600 мм/мин |
| Дискретность отсчета по осям координат (продольн./поперечн.) | 0,01 / 0,005 |
| Скорость ускоренных перемещений (продольных/поперечных) | 4800 / 2400 мм/мин |
| Шаг нарезаемых резьб | 0,2–10 |
| Мощность электродвигателя главного привода | 3,8 / 6,3 кВт |
| Габаритные размеры станка (длина × ширина × высота) | 3065 × 2395 × 1860 мм |
| Масса станка | 2500 кг |
3.2. Компоновка, основные узлы и движения в станке
Станина коробчатой формы с поперечными П-образными ребрами устанавливается на пустотелой тумбе (рис. 1). По двум закаленным направляющим станины перемещается суппорт, а две другие направляющие служат для перемещения задней бабки. Привод главного движения состоит из двухскоростного асинхронного электродвигателя А02-52-8/4 и автоматической коробки скоростей АКС209-6,3 Привод обеспечивает с учетом перебора, смонтированного в шпиндельной бабке, 17 ступеней различных частот вращения шпинделя. Автоматическое переключение частот вращения шпинделя возможно в двух диапазонах, определяемых включением шпинделя напрямую или через перебор.
Рис. 1. Общий вид станка
Привод продольной подачи включает электрогидравлический двигатель, беззазорную цилиндрическую передачу и шариковую передачу винт-гайка. Привод поперечной передачи аналогичен приводу продольной подачи. Вместо цилиндрической передачи используется червячная пара.
Четырехпозиционный резцедержатель смонтирован на поперечной ползушке, в передней ее части. В автоматическом цикле работы станка он управляется от программы и обеспечивает последовательный выход каждого из четырех инструментов в исходное рабочее положение. Поворот и зажим резцедержателя осуществляются гидроцилиндром, прикрепленным к поперечной ползушке. Инструменты устанавливаются в инструментальные блоки, у которых базовая установочная поверхность выполнена в виде цилиндрической прямозубой шестерни. Такая конструкция позволяет устанавливать резцы для наружной обработки и расточные в одинаковые резцовые блоки.
Конструкция станка позволяет производить обработку наружных и внутренних поверхностей вращения деталей при их установке как в центрах, так и в патроне. Технологические возможности станка 16Б16Ф3 при центровой и патронной обработке практически равноценны. Использование для силового резания только четырех инструментов, устанавливаемых в передний резцедержатель, несколько ограничивает технологические возможности станка. Станок оснащен устройством ЧПУ типа ЭМ-907; информация кодируется кодом ИСО-7бит на восьмидорожечной перфоленте.
Как и у других станков с ЧПУ, сконструированных на базе универсальных станков с ручным управлением, здесь затруднены отвод и удаление стружки из зоны резания.
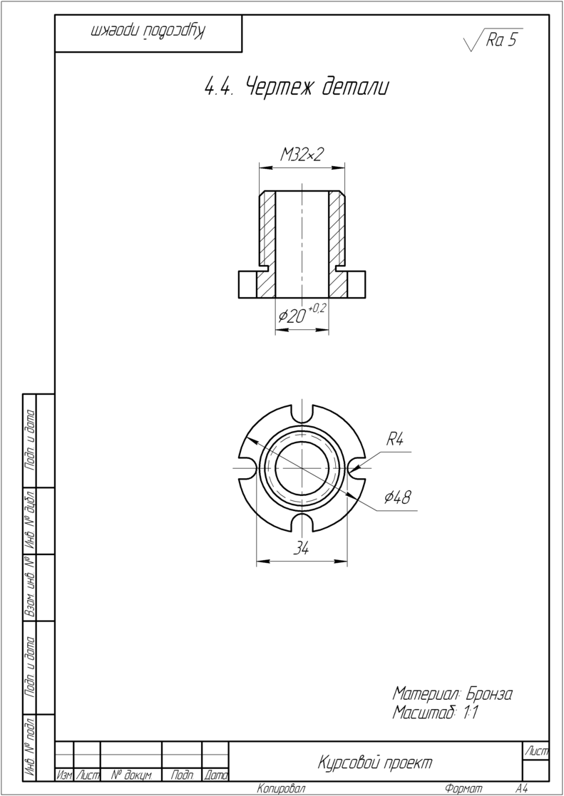
4. Заготовка и деталь
4.1. Способ получение заготовки
По заданию курсовой работы материал детали – бронза, а значит целесообразно выбрать литье как способ получения заготовки. При отливке получаем припуски на обработку 2-4 мм. Плотность бронзы 8,8 г/см3.
4.2. Базирование и закрепление заготовки на станке
Для закрепления заготовки на станке мод. 6Р13Ф3 используем самоцентрирующиеся тиски, зажим в которых осуществляется при подводе их губок с двух сторон к основанию заготовки (рис. 3). Для обеспечения автоматического закрепления детали в приспособлении используем специальную головку с регулировкой крутящего момента.
Рис. 3. Зажим детали призматическими губками
самоцентрирующихся тисков на станке мод. 6Р13Ф3
Для закрепления заготовки на токарно-винторезном станке мод. 16Б16Ф3 используется трехкулачковый пневмопатрон (рис.4).
5. Транспортно-накопительная система
Для накопления заготовок и позиционирования их под захват роботом с учетом достаточно большой длительности цикла обработки выбираем тактовый стол. Тактовый стол является одной из разновидностей тележечных грузонесущих конвейеров. Широкое разнообразие их использования обусловило большое число их конструктивных разновидностей.
5.1. Описание тактового стола
Т
Рис. 5. Схема расположения заготовок на паллете тактового стола
6. Напольный промышленный робот
Многоцелевые промышленные роботы (ПР) типа «Универсал 5.02» применяются для автоматизации погрузочно-разгрузочных работ, обслуживания различного технологического оборудования, межоперационного и межстаночного транспортирования объектов обработки и выполнения других вспомогательных операций.
6.1. Техническая характеристика робота
| Грузоподъемность | 5 кг |
| Число степеней подвижности | 6 |
| Наибольшая величина перемещения: | |
| – вокруг вертикальной оси I–I | 340 |
| – вдоль оси I-I | 400 мм |
| – вдоль горизонтальной оси III–III | 630 мм |
| – вокруг вертикальной оси II–II | 240 |
| – вокруг оси III–III | 180 |
| – вокруг оси IV–IV | 180 |
| Наибольшая скорость: | |
| – вокруг оси I–I поворота. | 84 град/с |
| – вертикального хода руки вдоль оси I–I | 0.27 м/с |
| – выдвижение руки вдоль оси III–III | 1.08 м/с |
| – поворота руки вокруг оси II–II | 132 град/c |
| Точность позиционирования | 1 мм |
| Масса | 690 кг |
6.2. Основные механизмы робота
Рис. 6. Общий вид промышленного робота «Универсал 5.02»
Общий вид робота приведен на рисунке 6. Исполнительным механизмом ПР является манипулятор, который обеспечивает установку в пределах рабочей зоны захватного механизма схвата. Манипулятор имеет четыре степени подвижности руки 1 в сферической системе координат, которые реализуются механизмами: поворота 2 относительно оси II–II, выдвижения руки 3 вдоль оси III–III, поворота руки 4 относительно вертикальной оси I–I, подъема руки 5 вдоль оси I–I. Две ориентирующие степени подвижности рабочего органа-схвата 7 создают механизмы вращения кисти руки 6 относительно ее продольной оси III–III и поперечной оси IV–IV. Подвижные механизмы манипулятора защищены от попадания пыли, грязи и масла ограждением 8.
Установочные перемещения руки осуществляются с помощью электромеханических следящих приводов, а ориентирующие движения кисти руки и зажим-разжим схвата – пневмоцилиндрами.
Пневмоблок 9, которым комплектуется ПР, предназначен для подготовки, регулирования подачи сжатого воздуха из заводской сети и блокирования работы манипулятора при падении давления ниже допустимого.
Блок тиристорных электроприводов 10 формирует управляющие напряжения в якорной цепи электродвигателей постоянного тока.
Устройство программного управления 11 позиционного типа имеет возможность записи программы в режиме обучения (по первому циклу) и формирует управляющие сигналы на блок 10, а также технологические команды управления циклом работы манипулятора и обслуживаемого оборудования.
















